QQ登录

只需一步,快速开始

登录 | 注册 | 找回密码

三维网

 找回密码
 注册

QQ登录

只需一步,快速开始

展开

通知     

查看: 4145|回复: 13
收起左侧

[已解决] 关于点胶针筒的螺纹请教

 关闭 [复制链接]
发表于 2008-10-29 10:12:15 | 显示全部楼层 |阅读模式 来自: LAN

马上注册,结识高手,享用更多资源,轻松玩转三维网社区。

您需要 登录 才可以下载或查看,没有帐号?注册

x
关于点胶针筒的螺纹请教
螺紋.jpg
 楼主| 发表于 2008-10-29 12:27:18 | 显示全部楼层 来自: LAN
针筒仅长度不一样,点胶针通直径都是1 英寸, 头端有螺纹处大小一样, 针筒是标准件. 螺纹呀形是梯形.我没法测量此螺牙规格.特向大家请教!.
发表于 2008-10-29 21:19:33 | 显示全部楼层 来自: 中国四川攀枝花
内螺纹没法测量,那能不能测量外螺纹呢?
发表于 2008-10-29 21:19:51 | 显示全部楼层 来自: 中国河北石家庄
问题的解决方法有两个:
% Q8 ?+ O9 W, \' Y第一、直接问针筒的提供厂家,多说一句供货商肯定知道;
+ \2 B' D) M6 u, U  B* f第二、自己测量,随便找本儿《机械设计手册》找到梯形螺纹部分,仔细阅读一下,比照着做即可,作为一名机械工程技术人员这应该没有问题吧?

评分

参与人数 1三维币 +3 收起 理由
userkypdy + 3 积极交流

查看全部评分

发表于 2008-10-29 22:31:20 | 显示全部楼层 来自: 中国福建泉州
这种螺纹大都采用管螺纹。至于螺纹规格可通过测量底径和牙距来确定。

评分

参与人数 1三维币 +3 收起 理由
userkypdy + 3 积极交流

查看全部评分

 楼主| 发表于 2008-10-30 08:35:31 | 显示全部楼层 来自: LAN
非常感谢各位帮忙.我是要设计一个与其匹配的转接头. 转接头上的外螺牙与这胶筒的内螺纹匹配.(没有现存的外螺纹来量)若将胶筒剖开用卡尺来量,是非常不好量的. 胶筒是软的, 剖开就变形.想三维网网民帮助.得到关于胶筒的信息.谢谢!
发表于 2008-10-30 09:24:40 | 显示全部楼层 来自: LAN

回复 6# 吳建敏 的帖子

以前留意过公司的手动胶水机,胶筒没有螺纹,直接紧配注射器式针头
3 E; [+ F" o2 J/ O# s. o/ d) w* Y6 W& e; ?8 M$ ~: {
鉴于胶筒材质,加工合适的底孔,能否直接用转接头自攻螺牙装配呢

评分

参与人数 1三维币 +2 收起 理由
userkypdy + 2 积极交流

查看全部评分

发表于 2008-10-30 09:31:31 | 显示全部楼层 来自: 中国山西太原
美英用的梯形螺纹是爱克母螺纹(ACME),牙形角为29°。可测量转接头上的外螺纹:6 t% t0 m6 K7 l
1  用万能角度尺量出牙形角,若没有角度尺就作一个29°的齿槽样板,确定牙形角。6 b6 D+ D+ g  |9 V) X1 D, W
2  量出螺距,也就是每英寸的牙数。
( z, ?0 j1 `% S- t  x3  量出大径、小径。
4 V1 U" y3 {+ e. \4 Y与如下图、表对照,就可确定螺纹的规格尺寸。
爱克母螺纹.jpg
爱克母螺纹基本牙形.jpg

评分

参与人数 1三维币 +4 收起 理由
userkypdy + 4 积极交流

查看全部评分

 楼主| 发表于 2008-10-30 09:41:05 | 显示全部楼层 来自: LAN

回复 8# gaoyns 的帖子

謝謝!我先加工一個試用看.
 楼主| 发表于 2008-10-30 10:53:02 | 显示全部楼层 来自: LAN
非常感謝大家,說來可笑,厂家圖面我已拿到.可惜,別的尺寸都有.我要的確偏偏看不到.: y# Q- `& S) W
( t* @7 o5 T' y6 C& F2 [! e( X% g
[ 本帖最后由 吳建敏 于 2008-10-30 17:49 编辑 ]
122.jpg

EFD-5113LB PROTOTYPE (ENG-007-1).pdf

30.49 KB, 下载次数: 11

评分

参与人数 1三维币 +2 收起 理由
userkypdy + 2 积极交流

查看全部评分

发表于 2008-10-30 19:39:21 | 显示全部楼层 来自: 中国河北石家庄
想知道螺纹的结构也有办法,首先取适量石膏兑水活好后涂敷于螺纹处,待一段时间石膏固化后旋下针筒,石膏模即形成针筒外螺纹部分,然后取适量石蜡融化后注入石膏模中,待一段时间石蜡凝固后,顺螺纹方向旋出石蜡体,则石蜡体形成针筒螺纹部分。其实我感觉针筒螺纹应该属于塑料行业的通用螺纹,应当按这个行业考虑可能事半功倍。

评分

参与人数 1三维币 +3 收起 理由
userkypdy + 3 积极交流

查看全部评分

发表于 2008-11-20 15:09:27 | 显示全部楼层 来自: 中国广东深圳
注射器針頭牙是雙頭牙吧,注意看一下!
发表于 2010-2-26 17:30:54 | 显示全部楼层 来自: 中国四川绵阳
这个好像真不知道
- d$ e' y6 ]+ ]& `- q# T; _" _* q0 V' F9 W
不知道有没有高人前来
$ o% W  X& A3 l& o% a) U. N5 ^% ]8 ^6 j; ^
学习一下
发表于 2010-2-26 20:34:29 | 显示全部楼层 来自: 中国上海
本帖最后由 lhf999 于 2010-2-26 20:45 编辑 % W7 p# U) A& x( B, ]4 i

$ K; ^! {0 q% d一年多前的求助,不知道楼主现在有没有确定的答案。
4 B% m9 H, Q% {3 K& u
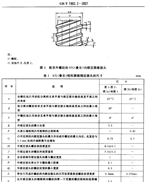
" v+ f7 @7 \9 P; m* s图纸上有“LUER TAPER”字样,查到这是用在注射器上的接头,相关标准:
* Q3 K5 ^. b) E4 T! z- F5 pISO 594-1-1986  注射器、针头及其他医疗器械为6%(鲁尔)的锥形接头 第1部分:一般要求# ?/ d1 h6 e6 R( l: J0 f! q" {& s- n
GB/T 1962.1-2001  注射器、注射针及其他医疗器械6%(鲁尔)圆锥接头 第1部分:通用要求
% ~8 v& U0 [8 S/ N: k- C, u, x! w! w
  H4 Z4 _  U$ ~# SISO 594-2-1998  注射器、针头及其他医疗器械为6%(鲁尔)的锥形接头 第2部分:锁紧接头
/ Z2 E" s3 K! ^GB/T 1962.2-2001  注射器、注射针及其他医疗器械6%(鲁尔)圆锥接头 第2部分:锁定接头
& [+ B4 V& x+ Y% ^" u, Y2 p: k7 w2 d2 r2 E& m3 W
标准中的部分截图如下:(这4个标准论坛里都有)
aa.jpg
ab.jpg

评分

参与人数 1三维币 +4 收起 理由
天际孤帆 + 4 技术交流。

查看全部评分

发表回复
您需要登录后才可以回帖 登录 | 注册

本版积分规则


Licensed Copyright © 2016-2020 http://www.3dportal.cn/ All Rights Reserved 京 ICP备13008828号

小黑屋|手机版|Archiver|三维网 ( 京ICP备2023026364号-1 )

快速回复 返回顶部 返回列表