QQ登录

只需一步,快速开始

登录 | 注册 | 找回密码

三维网

 找回密码
 注册

QQ登录

只需一步,快速开始

展开

通知     

全站
10天前
查看: 2153|回复: 21
收起左侧

[已解决] 懂工艺的进来看一下

[复制链接]
发表于 2008-10-23 16:23:29 | 显示全部楼层 |阅读模式 来自: 中国浙江绍兴

马上注册,结识高手,享用更多资源,轻松玩转三维网社区。

您需要 登录 才可以下载或查看,没有帐号?注册

x
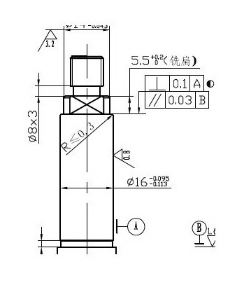
以下图的平行度和垂直度 光洁度如何保证,要如何加工?
QQ截图未命名.jpg
发表于 2008-10-23 16:42:23 | 显示全部楼层 来自: 中国北京
方的圆的啊?连个轴线都没有。
 楼主| 发表于 2008-10-23 16:45:42 | 显示全部楼层 来自: 中国浙江绍兴
我随便画了一下的,是个轴,圆的
发表于 2008-10-23 16:55:30 | 显示全部楼层 来自: 中国湖北武汉
很低的要求啊,双中心孔顶车即可,没标粗糙度,要是要求高就磨一刀。

评分

参与人数 1三维币 +2 收起 理由
渔樵 + 2 应助

查看全部评分

 楼主| 发表于 2008-10-23 17:03:59 | 显示全部楼层 来自: 中国浙江绍兴
这个的刚才那个图的原图,其余粗糙度都是6.3
未命名.jpg
发表于 2008-10-23 18:48:39 | 显示全部楼层 来自: 中国黑龙江佳木斯
外圆磨上磨外圆并靠磨端面
% t, H$ \1 [1 Z7 y9 o6 p夹铜皮外圆及端面找正磨另一端面
发表于 2008-10-23 18:51:42 | 显示全部楼层 来自: 中国北京
三爪卡盘装夹,顶车,一刀下,留量,上磨床,打表,磨一刀。
 楼主| 发表于 2008-10-24 08:14:15 | 显示全部楼层 来自: 中国浙江绍兴
这样的工艺能保证那个面的平行度,垂直度,粗糙度吗?磨床加工外圆的时候能保证不碰伤那个面(重要尺寸的面)?3 O: h' O& U* {5 @0 S7 O

9 u5 _4 c6 ~; ?( l  u6 y5 V! Y[ 本帖最后由 shenshaobo_0 于 2008-10-24 08:15 编辑 ]
发表于 2008-10-24 08:26:15 | 显示全部楼层 来自: 中国山东烟台
现在都以车代磨了,工件是什么材质的,只要不二次装夹,那些形位公差应该可以达到

评分

参与人数 1三维币 +2 收起 理由
渔樵 + 2 技术讨论

查看全部评分

发表于 2008-10-24 21:54:14 | 显示全部楼层 来自: 中国北京

回复 8# shenshaobo_0 的帖子

你的轴装夹时应该不夹重要面,后面的图展示的好像还有一段啊,装夹后一刀下。* ?# i& r0 p" A- G. i# J. H2 B) }4 |
% F$ ~6 M; X* F6 @. l+ p7 U
[ 本帖最后由 汉月弯弓 于 2008-10-24 22:05 编辑 ]
发表于 2008-10-24 22:17:20 | 显示全部楼层 来自: 中国江西九江

回复 8# shenshaobo_0 的帖子

如果两端可以钻中心孔,就放在磨床,两头顶的磨。( O( x; W5 T' m8 m% Q
就保证楼主要求。
0 P+ H/ F" B" ~3 A# b9 ~1 L8 i' Y) j4 j3 b% n  e. A  X: ]
如果怕伤到重要面,那连同重要面就一起磨,磨到尺寸,退0.03-0.05MM,磨端面即可。

评分

参与人数 1三维币 +2 收起 理由
飞天小猪 + 2 应助

查看全部评分

发表于 2008-10-25 07:40:49 | 显示全部楼层 来自: 中国黑龙江黑河
根据光洁度,就是粗车留量,后用磨床磨。
发表于 2008-10-25 13:55:07 | 显示全部楼层 来自: 中国江苏常州
尺寸没有,不好定加工工艺,只好做个加工流程,车-磨
发表于 2008-10-25 15:20:07 | 显示全部楼层 来自: 中国辽宁大连
学习了。谢谢各位!
发表于 2008-10-25 16:19:39 | 显示全部楼层 来自: 中国辽宁沈阳
直接精车应该可以搞定,要求并不高。
发表于 2008-10-25 17:33:36 | 显示全部楼层 来自: 中国香港
不知道批量和硬度,批量小的话,直接车削就可以了。
发表于 2008-10-26 15:35:04 | 显示全部楼层 来自: 中国河南焦作

回复 1# shenshaobo_0 的帖子

夹小头,先把两个要保证平行面的平面精车出来,车要保证垂直度那个外圆面,并留有适当磨量,磨外圆
发表于 2008-10-26 19:27:31 | 显示全部楼层 来自: 中国吉林长春

回复

可用双顶尖车削轴端面,外圆留量磨削。
发表于 2008-10-27 07:27:44 | 显示全部楼层 来自: 中国河北唐山
直接精车吧,要求不是特别高,可以保证。
发表于 2008-10-27 07:45:37 | 显示全部楼层 来自: 中国江苏无锡
以中孔定位,粗车,径向留余量.轴向车成,再磨一刀就完事了
 楼主| 发表于 2008-10-31 15:28:05 | 显示全部楼层 来自: 中国浙江绍兴
11楼的想法好点,可以批量生产...当初也是这样想的,但是到论坛来听听大家的意见.
 楼主| 发表于 2008-10-31 15:29:24 | 显示全部楼层 来自: 中国浙江绍兴
麻烦斑竹帮我改一下,问题已解决
发表回复
您需要登录后才可以回帖 登录 | 注册

本版积分规则


Licensed Copyright © 2016-2020 http://www.3dportal.cn/ All Rights Reserved 京 ICP备13008828号

小黑屋|手机版|Archiver|三维网 ( 京ICP备2023026364号-1 )

快速回复 返回顶部 返回列表