QQ登录

只需一步,快速开始

登录 | 注册 | 找回密码

三维网

 找回密码
 注册

QQ登录

只需一步,快速开始

展开

通知     

查看: 2435|回复: 16
收起左侧

[分享] 钻床夹具

 关闭 [复制链接]
发表于 2008-10-15 16:16:57 | 显示全部楼层 |阅读模式 来自: 中国福建福州

马上注册,结识高手,享用更多资源,轻松玩转三维网社区。

您需要 登录 才可以下载或查看,没有帐号?注册

x
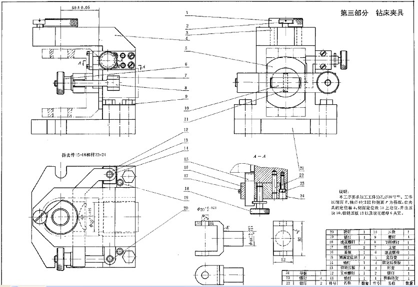
钻床夹具资料3 e. V# P  v. \! S# |' p$ F
钻床夹具 钻床夹具.rar (1.74 MB, 下载次数: 81)
钻床夹具手册部分 -..._2008.12.09.16.30.46.jpg

评分

参与人数 1三维币 +5 收起 理由
渔樵 + 5 好资料,感谢您对论坛的支持!

查看全部评分

发表于 2008-10-15 19:53:14 | 显示全部楼层 来自: 中国河北邢台

下了,谢谢

下了,看看是什么东东,谢谢了
发表于 2008-10-17 15:34:53 | 显示全部楼层 来自: 欧盟
下不了,能发到邮箱ji-xu@yeah.net吗?
发表于 2008-10-18 16:08:58 | 显示全部楼层 来自: 中国
做一下简单介绍啊,这样,我们好决定下是不下
发表于 2008-12-8 14:39:48 | 显示全部楼层 来自: 中国上海
不知道我能不能用的,总之先谢谢了
发表于 2009-2-26 17:44:16 | 显示全部楼层 来自: 中国江苏扬州
弄下来学习下  谢谢分享
发表于 2009-2-26 23:16:41 | 显示全部楼层 来自: 中国浙江宁波
这种夹具属于通用性的。
发表于 2009-3-30 15:36:17 | 显示全部楼层 来自: 中国湖北武汉

回复 1# a13579 的帖子

能不能下载啊!
发表于 2009-3-30 15:39:10 | 显示全部楼层 来自: 中国湖北武汉

回复 1# a13579 的帖子

这东西原来我有啊!而且你的还是个JEPG格式的!
发表于 2009-3-30 18:01:39 | 显示全部楼层 来自: 中国河南洛阳
下了,谢谢楼主
发表于 2009-3-31 18:20:09 | 显示全部楼层 来自: 中国江苏苏州
好东西 先谢谢了
发表于 2009-3-31 20:20:32 | 显示全部楼层 来自: 中国浙江宁波
下来学习下  谢谢分享
发表于 2009-4-1 23:06:02 | 显示全部楼层 来自: 中国河北保定
谢谢分享,希望能帮上我的忙.
发表于 2009-4-2 08:18:07 | 显示全部楼层 来自: 中国浙江宁波

回复 1# a13579 的帖子

我没流量,下不了啊,能不能发我邮箱啊 283920347@qq.com 谢谢
发表于 2009-4-3 23:01:50 | 显示全部楼层 来自: 中国广东广州
还可以,如果是楼主自己的作品的话值得一赞
发表于 2009-4-4 13:24:34 | 显示全部楼层 来自: 中国浙江宁波
谢谢楼主的分享
发表于 2009-4-13 18:01:05 | 显示全部楼层 来自: 中国广东惠州
弄下来学习下  谢谢分享
发表回复
您需要登录后才可以回帖 登录 | 注册

本版积分规则


Licensed Copyright © 2016-2020 http://www.3dportal.cn/ All Rights Reserved 京 ICP备13008828号

小黑屋|手机版|Archiver|三维网 ( 京ICP备2023026364号-1 )

快速回复 返回顶部 返回列表