QQ登录

只需一步,快速开始

登录 | 注册 | 找回密码

三维网

 找回密码
 注册

QQ登录

只需一步,快速开始

展开

通知     

查看: 1279|回复: 2
收起左侧

[求助] 多路换向阀资料

[复制链接]
发表于 2008-10-9 08:08:39 | 显示全部楼层 |阅读模式 来自: 中国辽宁铁岭

马上注册,结识高手,享用更多资源,轻松玩转三维网社区。

您需要 登录 才可以下载或查看,没有帐号?注册

x
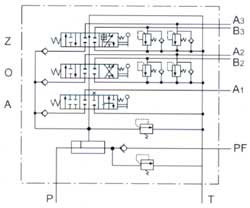
维修需要CDB-F15L多路换向阀内部结构图,有图纸最好,请大家帮忙.
发表于 2008-10-9 10:40:14 | 显示全部楼层 来自: 中国河南新乡
http://www.3dportal.cn/discuz/c请看附件。。。。。。。。。。4 C7 O( c+ K. p1 K9 P+ f+ ^: d/ r3 V0 `
7 _, D1 g; F0 w8 m  [4 L
[ 本帖最后由 jingdongbo 于 2008-10-9 10:43 编辑 ]
3_3.jpg
发表于 2008-10-9 10:45:53 | 显示全部楼层 来自: 中国河南新乡

性能参数

性能参数
1 g! }( j) U3 r) s1 T 公称压力(MPa) 20 ) [& O  a% N$ K3 L. p. D
公称通经 15 6 H: \' K/ {0 a# ]9 t- G
公称流量(L/min) 80
, O: D- e9 p& o2 D' C9 z8 w换向体联数n 1~8
2 W* p; `" \5 p. d分流流量(L/min) 8~16 % K9 p, ]* |9 L$ ~( {
分流安全阀压力(MPa) 9
# E! l+ ]3 N1 U: K重量(Kg) 5.1+2.6 : e  b% Y( Z/ V6 X. F+ I' J; C/ R

9 d3 M' }% S% I5 Q, ?/ A, c 孔口 A B C 3 g% z6 r. F( z/ a. N1 K. u
P,T口 23.8 M22×1.5 3.2
' O7 j5 M* x4 C5 A: tA,B口 22.5 M20×1.5 2.4
发表回复
您需要登录后才可以回帖 登录 | 注册

本版积分规则


Licensed Copyright © 2016-2020 http://www.3dportal.cn/ All Rights Reserved 京 ICP备13008828号

小黑屋|手机版|Archiver|三维网 ( 京ICP备2023026364号-1 )

快速回复 返回顶部 返回列表