QQ登录

只需一步,快速开始

登录 | 注册 | 找回密码

三维网

 找回密码
 注册

QQ登录

只需一步,快速开始

展开

通知     

查看: 1651|回复: 5
收起左侧

[求助] 请问20通径的溢流阀的阀块直径多少

[复制链接]
发表于 2008-9-27 10:41:52 | 显示全部楼层 |阅读模式 来自: 中国

马上注册,结识高手,享用更多资源,轻松玩转三维网社区。

您需要 登录 才可以下载或查看,没有帐号?注册

x
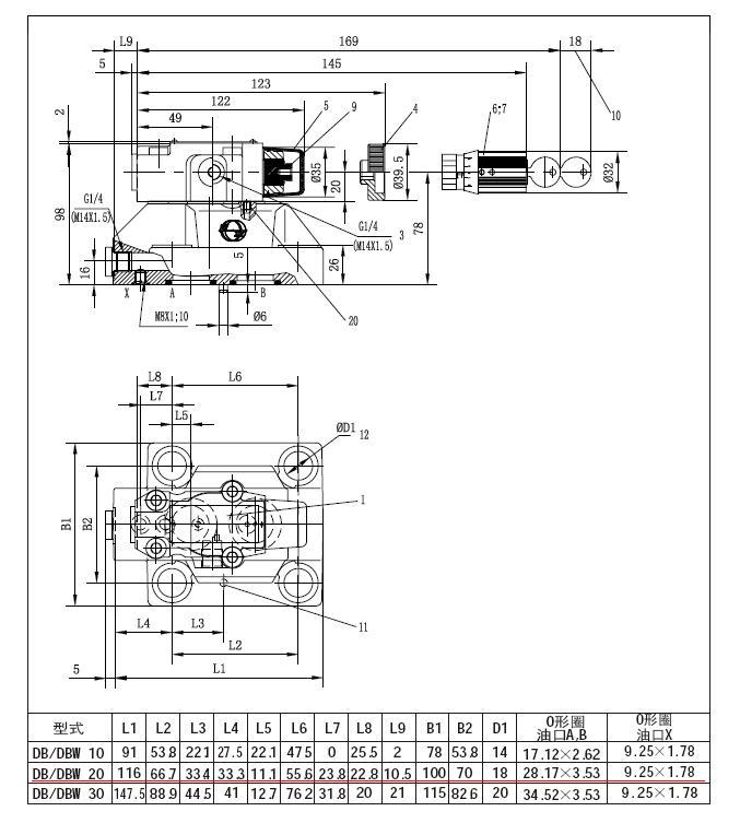
请问20通径的溢流阀的阀块直径应该是多少,有无规定?谢谢!
发表于 2008-9-27 11:17:10 | 显示全部楼层 来自: 中国四川成都
原帖由 alex_fata 于 2008-9-27 10:41 发表 http://www.3dportal.cn/discuz/images/common/back.gif- o9 V# k' u4 I0 o: F, m  w$ `- V
请问20通径的溢流阀的阀块直径应该是多少,有无规定?谢谢!

- l2 ]! a% Y. L" V6 Q, r“阀块直径”?还是阀块上的油孔直径?若是后者见图。
上海立新.JPG
 楼主| 发表于 2008-9-27 11:39:52 | 显示全部楼层 来自: 中国
11.JPG
4 l: B4 w0 T+ k% z9 @: f不是阀的油口尺寸
发表于 2008-9-28 08:56:42 | 显示全部楼层 来自: 中国北京
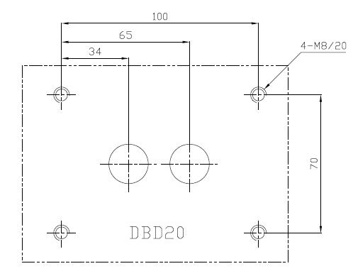
20溢流阀底板:油孔就是209 I# X" W* a  C4 X
无标题.jpg ! T7 j5 f1 y4 L$ J1 }, i0 Q

: n) }% ^7 J) j9 a5 \[ 本帖最后由 gxp1014 于 2008-9-28 08:58 编辑 ]
发表于 2008-9-28 20:34:28 | 显示全部楼层 来自: 中国
通径是多少,油道直径就是多少,不过油口的直径要根据连接接头来确定。
发表于 2008-9-28 21:53:57 | 显示全部楼层 来自: 中国山东青岛

回复

你选的那家系列的阀 找到样本 上面都有安装尺寸的
发表回复
您需要登录后才可以回帖 登录 | 注册

本版积分规则


Licensed Copyright © 2016-2020 http://www.3dportal.cn/ All Rights Reserved 京 ICP备13008828号

小黑屋|手机版|Archiver|三维网 ( 京ICP备2023026364号-1 )

快速回复 返回顶部 返回列表