QQ登录

只需一步,快速开始

登录 | 注册 | 找回密码

三维网

 找回密码
 注册

QQ登录

只需一步,快速开始

展开

通知     

查看: 3302|回复: 21
收起左侧

[已解决] 这个面怎么造出来 (已解决)感谢大家

[复制链接]
发表于 2008-9-25 15:27:18 | 显示全部楼层 |阅读模式 来自: 中国广东佛山

马上注册,结识高手,享用更多资源,轻松玩转三维网社区。

您需要 登录 才可以下载或查看,没有帐号?注册

x
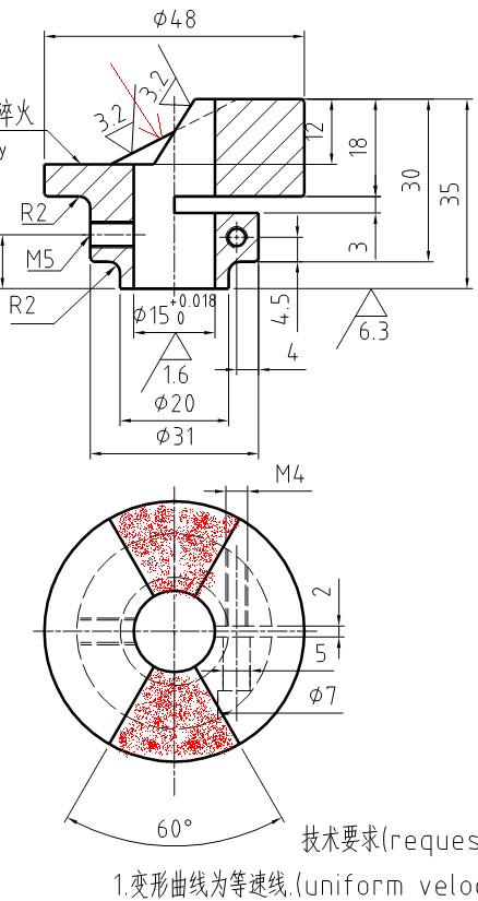
这个平面怎么造出实体来 麻烦大家!!( m/ _( ]7 I5 T, a) b$ B% k
! V+ L: n0 a& W  n
他说这个面是等速线的面# O) b, M" z/ W
1 s$ M+ Z2 O' E: g2 d' T
我用包覆  跟放样都造不出来  请教高手. H7 F: h2 p: G+ S$ k8 r
; q( ]6 f; K8 o* l

8 K0 e- z: \# l! l
/ A7 ^  f: h  y0 C; ^ I[KMOKSGS]R_BMD7_0~884N.jpg
) n' F7 [1 a6 g; J* U2 {8 D' L( n5 G# V/ q2 D  w
[ 本帖最后由 asdolmlm 于 2008-9-29 23:10 编辑 ]
发表于 2008-9-25 15:46:14 | 显示全部楼层 来自: 中国上海
你这个图似乎有点问题...一条槽的位置好像不对 还缺了一个视图和一档尺寸...
发表于 2008-9-25 15:52:28 | 显示全部楼层 来自: 中国江苏盐城
按楼主提供的图片看来,涂色部分不应该是平面,而应该是螺旋面,2 a7 L% ?+ G4 p# x& y
假如是平面,形状不应该如此,首先要判别清楚面的性质,后面才好
  h0 \" }+ }  ?) c& B作决定~~~
发表于 2008-9-25 16:32:08 | 显示全部楼层 来自: 中国山东青岛
是不是自动化治具上要用到的,好像是做端子那些东东用的一个治具,用SW可以画的,先除下去做好两个平面,再将他们两个平的两端边线用3D草图做一个平面出来,将上面的两根线投下去修剪就OK了吧
发表于 2008-9-25 16:38:32 | 显示全部楼层 来自: 中国江苏南京
不知道是不是这个样子3 n: j) i2 ~" R+ [' [  r9 P

+ [& m! L) R  I* T! ]( O[ 本帖最后由 suning0127 于 2008-9-25 16:42 编辑 ]
未命名.JPG
未命名1.jpg
发表于 2008-9-25 18:36:50 | 显示全部楼层 来自: 中国江苏无锡
应该是楼上画的样子,我画的就不传了
发表于 2008-9-25 21:10:42 | 显示全部楼层 来自: 中国辽宁丹东
主视图中,右下角螺孔附近的区域不应打剖面线。此处应是螺钉夹紧结构,俯视图中的虚线不是孔,而是缝隙。
发表于 2008-9-26 08:46:01 | 显示全部楼层 来自: 中国江苏南京
都是高手哦,学习一下
发表于 2008-9-26 10:46:18 | 显示全部楼层 来自: 中国吉林长春

回复 7# wuzhijian 的帖子

好像也有问题,如尺寸2为缝隙,那么主视图中的Φ31就有问题了。。。还是不清楚。
发表于 2008-9-26 11:07:23 | 显示全部楼层 来自: 中国福建厦门
5楼的还真是厉害啊,佩服!good good
发表于 2008-9-26 11:44:55 | 显示全部楼层 来自: 中国广东深圳
楼主的制图表达混乱:2 I+ u0 ]5 d4 H& \& ~, Y- K9 p
如果5楼表达正确,则楼主应把俯视图的尺寸2,改为Φ2。$ K: Y  A' M. U8 ^5 c& m
如果7楼说法正确,则楼主应该把主视图中M4的孔周围的剖面线去掉,Φ31尺寸的标柱有两种解决方式:一是尺寸标柱位置不变、去掉右端的尺寸界线;二是吧Φ31尺寸的标柱到俯视图的对应虚线园上。& _! `. ^4 O: K! g& f) ~1 z
从设计意图和工装角度,本人趋向7楼的说法。
) L4 v! r9 Y- q3 D
/ X! d( ~2 y9 ?9 Z[ 本帖最后由 xuhongejo 于 2008-9-26 11:55 编辑 ]
50.jpg

调速零件.rar

179.71 KB, 下载次数: 37

2009sp0

发表于 2008-9-26 11:54:12 | 显示全部楼层 来自: 中国江苏南京
楼上可是这意思
未标题-1 拷贝.jpg
发表于 2008-9-26 22:58:51 | 显示全部楼层 来自: 中国广东深圳
佩服!高人真多!学习了!good
发表于 2008-9-27 08:29:53 | 显示全部楼层 来自: 中国上海
真牛
发表于 2008-9-27 09:04:16 | 显示全部楼层 来自: 中国浙江宁波
看了老半天,没看懂图纸.; H% N7 ]. h" {! J
后看了5#的三维图,基本有了一个粗浅的轮廓.
 楼主| 发表于 2008-9-27 09:40:30 | 显示全部楼层 来自: 中国广东佛山
是5楼这样  原来是用螺旋线造的   
! \1 Y& K# S3 b3 _& X- H2 e8 |
4 {0 D0 P% r- S: o1 q11楼的是2009吧   小第的2008 打不开呢
6 r( w- f7 |& |: M8 U+ ]: M% \, K) f7 C8 E
另外 这图确实是有点错的 0 z( j! l8 ?2 n( j* f2 B  b

! j( v$ r% ~4 e感激楼上这么多位的帮助 感激大家
: n; r( g& P; u1 j9 l% ~
" o- ^( t- h7 V. `* g; t4 i- \% O[ 本帖最后由 btming 于 2008-9-27 10:03 编辑 ]
发表于 2008-9-28 16:04:26 | 显示全部楼层 来自: 中国吉林长春
主视图中Φ31去掉,俯视图中标上Φ32。
发表于 2008-9-29 09:42:19 | 显示全部楼层 来自: 中国江苏苏州
学习一下
发表于 2008-9-29 19:51:29 | 显示全部楼层 来自: 中国台湾
塗有誤看看
2.jpg
发表于 2008-9-29 23:00:19 | 显示全部楼层 来自: 中国吉林长春
瞎画一张。, V: r. @5 y# J2 z% Q1 J
! l: F0 l8 h- }+ G: |

& Q+ y6 {, o0 V& `
% K4 `6 E% o5 p; b$ T3 }" J

图
发表于 2008-11-2 12:05:38 | 显示全部楼层 来自: 中国江苏苏州
你们nb死了
发表于 2008-11-2 18:13:52 | 显示全部楼层 来自: 中国辽宁沈阳
这个零件是做什么用的?~!
发表回复
您需要登录后才可以回帖 登录 | 注册

本版积分规则


Licensed Copyright © 2016-2020 http://www.3dportal.cn/ All Rights Reserved 京 ICP备13008828号

小黑屋|手机版|Archiver|三维网 ( 京ICP备2023026364号-1 )

快速回复 返回顶部 返回列表