QQ登录

只需一步,快速开始

登录 | 注册 | 找回密码

三维网

 找回密码
 注册

QQ登录

只需一步,快速开始

展开

通知     

全站
9天前
查看: 1535|回复: 3
收起左侧

[求助] 铸件报价

[复制链接]
发表于 2008-9-24 13:15:21 | 显示全部楼层 |阅读模式 来自: 中国浙江宁波

马上注册,结识高手,享用更多资源,轻松玩转三维网社区。

您需要 登录 才可以下载或查看,没有帐号?注册

x
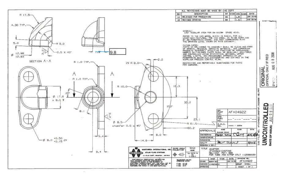
有一汽车配件注油管接头,每年6.5万套,每只大约120克,QT450-10,覆膜砂造型,请报价9 t% l  k- z: f
9 b( k- A5 k( m6 H8 d( G( f
[ 本帖最后由 ZHLAN 于 2008-9-24 19:49 编辑 ]
截图00.jpg
截图01.jpg
发表于 2008-9-27 13:28:30 | 显示全部楼层 来自: 中国北京
我司能够做此产品,因不知道表面要求、具体技术要求、及贵司地址,现在先粗报价如下:
  e7 ^" H# @( D含税到我厂提货毛坯简易包装价12.85元。
: t3 Y2 `& c# W# R+ T0 p如有意向,请给我写邮件联系。
发表于 2008-9-27 14:21:29 | 显示全部楼层 来自: 中国浙江杭州
你这个件,我看用消失模作比较好。给你一个电话找贾工询价。Tel:029-85979069。
发表于 2009-9-26 15:40:09 | 显示全部楼层 来自: 中国浙江温州
可以和我联系,专业的高压、低压、重力铸造公司,我们也和一汽配套。QQ438831398,0577-86379559
发表回复
您需要登录后才可以回帖 登录 | 注册

本版积分规则


Licensed Copyright © 2016-2020 http://www.3dportal.cn/ All Rights Reserved 京 ICP备13008828号

小黑屋|手机版|Archiver|三维网 ( 京ICP备2023026364号-1 )

快速回复 返回顶部 返回列表