QQ登录

只需一步,快速开始

登录 | 注册 | 找回密码

三维网

 找回密码
 注册

QQ登录

只需一步,快速开始

展开

通知     

查看: 3291|回复: 19
收起左侧

[已答复] 孔和圆台的同轴度检具怎么做?

[复制链接]
发表于 2008-9-23 15:22:55 | 显示全部楼层 |阅读模式 来自: 中国江苏苏州

马上注册,结识高手,享用更多资源,轻松玩转三维网社区。

您需要 登录 才可以下载或查看,没有帐号?注册

x
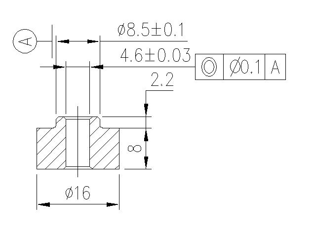
圆台大约直径8MM,上有一孔大约直径4MM,圆台高3MM,如何做这个同轴度检具.
发表于 2008-9-23 15:42:33 | 显示全部楼层 来自: 中国浙江嘉兴
四点对称测量孔边到外圆边之间的距离,然后进行计算
发表于 2008-9-23 17:01:19 | 显示全部楼层 来自: 中国江苏常州
根据同轴度要求,做一个带心轴的检具,沉孔测量圆台直径。
发表于 2008-9-23 18:03:34 | 显示全部楼层 来自: 中国河北唐山
不知圆台和孔的公差多大,可按公差要求车一8mm的圆筒再车一紧配合的直径8mm前面是直径4mm凸台的芯轴,按3mm的位置组装在一起就可以
发表于 2008-9-23 18:40:42 | 显示全部楼层 来自: 中国重庆
做一个沉孔和一个导向孔(一体),他们之间有较高同轴度要求,沉孔用来定凸台,导向孔插入塞规检测凸台上的孔相对凸台外圆的同轴度
发表于 2008-9-23 20:27:02 | 显示全部楼层 来自: 中国重庆
同意三楼的意见
发表于 2008-9-24 08:28:32 | 显示全部楼层 来自: 中国山东烟台
没有形位公差要求,没法给你弄呀,
 楼主| 发表于 2008-9-24 10:54:58 | 显示全部楼层 来自: 中国江苏苏州
不好意思,我本来想问个大概,既然大家都很熟悉,那帮我设计个检具吧.
0 Z& x5 z' D* [+ s% }+ l' ^  {7 e+ Y未注圆角R0.5,倒角0.5x45°+ T: l& n4 v$ B
6 K' a5 a% m- _" A% U1 J2 [* P
[ 本帖最后由 rock.yee 于 2008-9-24 11:00 编辑 ]
11.jpg
发表于 2008-9-24 13:53:55 | 显示全部楼层 来自: 中国江苏南通
学习,请哪位会做的画一个简图,不胜感激
 楼主| 发表于 2008-9-27 16:16:34 | 显示全部楼层 来自: 中国江苏苏州
真是郁闷,现在把图发上去又没人问了
发表于 2008-9-28 09:19:01 | 显示全部楼层 来自: 中国山东烟台
像这种零件工艺就可以保证了,应该一点问题都没有呀,零件太小了,不太好做呀,
发表于 2008-9-29 13:40:29 | 显示全部楼层 来自: 中国山东烟台
这样的公差用卡尺卡一下四周应该就可以。没必要检具吧。如果要做,也只能按照三楼的意思做了。
 楼主| 发表于 2008-10-6 08:08:35 | 显示全部楼层 来自: 中国江苏苏州
不好意思,工艺保证不了,
- {% {: [7 C7 k, d5 |4 |图上所有的尺寸除了4.6孔,其余全部为毛坯面
发表于 2008-10-7 22:17:35 | 显示全部楼层 来自: 中国吉林吉林市
8.5的也是毛坯面?* j& q- z9 F. I; ?" i" K! j
0.1很好保证的
0 S/ ]5 W9 Y1 e+ D: o- |9 d4 ]0 f- r* K穿个心轴就可以了
发表于 2008-10-10 22:02:16 | 显示全部楼层 来自: 中国上海
0.1很好保证的,在车床上,夹住下部,在一次装夹下,车8.5外圆和4.6的孔,如此下来,普通的车床都能保证同轴度在0.02—0.03左右,最差也不会超过0.05,要求0.1,我们都不用检查的,只在工艺上要求8.5外圆和4.6的孔一刀做下来就可以了!!!
发表于 2008-10-10 22:07:48 | 显示全部楼层 来自: 中国上海
如果坚持要检查的话,就做一根带锥度的心轴(锥度1:3000左右),插入孔中,两顶尖顶住,用百分表检查8.5外圆的跳动,〈=0.1就是合格的。
发表于 2008-10-11 01:49:22 | 显示全部楼层 来自: 中国河北石家庄
这个工件确实不用做检具,状态差不多的车床都能保证,建议工艺如下:
; q$ n  M3 D1 d' F5 N1.夹16外园7 q' W# |9 X2 t" B( h* }% P' l0 E
2.用尾座上钻夹头,钻孔4.3~4.4
9 I" A( X1 ?% o# ]6 h. a3.用尾座上钻夹头,换铰刀饺孔4.67 u4 Q' o2 a$ ?* ?) f/ C7 J" _
4.平面,车外园8.5长2.2成。% f% p' f5 u5 s+ _! p/ F
形位公差应该没有问题,尺寸精度由车工保证。应当并不难做。! v4 w! G7 o3 l2 g6 j
" T2 u- f* k+ r, i7 Q, k' ?
[ 本帖最后由 wakang 于 2008-10-11 01:50 编辑 ]
发表于 2008-10-11 06:56:11 | 显示全部楼层 来自: 中国浙江温州
根本不需要用检具检测同轴度,况且楼主的图纸要同轴度为0.1,而一般普通车床都能保证0.01的同心精度,还这么小的零件。就处是制造个精密检具,自身的误差还未必能达到0.01。像楼主图纸那样的零件,同轴度由机床保证就足够了。没必要想得那么复杂麻烦。
 楼主| 发表于 2008-10-13 12:15:17 | 显示全部楼层 来自: 中国江苏苏州
我只是画个简图,实际上的图比这个复杂的多,
5 k5 |3 @" m, ]1 s4 |* X: ^) i现在不扯工艺问题,就是一定要做检具来检查.不要打表,只要通止规.
发表于 2008-10-13 14:03:25 | 显示全部楼层 来自: 中国江苏南通
这样的要求的确不用特意做检具啊,毕竟车床完全可以满足这样的技术要求的啊。 :)
发表回复
您需要登录后才可以回帖 登录 | 注册

本版积分规则


Licensed Copyright © 2016-2020 http://www.3dportal.cn/ All Rights Reserved 京 ICP备13008828号

小黑屋|手机版|Archiver|三维网 ( 京ICP备2023026364号-1 )

快速回复 返回顶部 返回列表