QQ登录

只需一步,快速开始

登录 | 注册 | 找回密码

三维网

 找回密码
 注册

QQ登录

只需一步,快速开始

展开

通知     

查看: 2294|回复: 16
收起左侧

[求助] 这阀在液压系统中有什么作用?

[复制链接]
发表于 2008-9-17 22:51:46 | 显示全部楼层 |阅读模式 来自: 中国北京

马上注册,结识高手,享用更多资源,轻松玩转三维网社区。

您需要 登录 才可以下载或查看,没有帐号?注册

x
SUN有一种叫导压关单向阀* ]4 D6 ~  }7 ?. Z9 _' G
型号CODA-XCN3 O% n* ?+ Z/ K0 m) Q, P
这阀在液压系统中有什么作用?
发表于 2008-9-18 15:18:52 | 显示全部楼层 来自: 中国浙江宁波
发表于 2008-9-19 19:07:07 | 显示全部楼层 来自: 中国江苏无锡
液控单向阀。不过和正常的相反。一般是液压打开。这个是液压关闭。像F01的二通插装阀。
发表于 2008-9-19 19:38:57 | 显示全部楼层 来自: 中国江苏常州
用在差动回路里.
发表于 2008-9-19 19:54:51 | 显示全部楼层 来自: 中国江苏无锡
楼上的能给个范例吗?
发表于 2008-9-19 21:30:10 | 显示全部楼层 来自: 中国浙江温州
同上% p$ N/ f8 ~; T$ C& |4 E
有点不明白....
发表于 2008-9-20 08:47:22 | 显示全部楼层 来自: 中国江苏常州
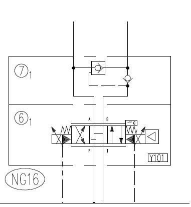
这样可以吧
无标题2.jpg

1.pdf

6.41 KB, 下载次数: 3

发表于 2008-9-20 13:56:29 | 显示全部楼层 来自: 中国江苏常州
This valve is a spring biased closed, pilot-to-close check cartridge that has a 1.8:1 pilot ratio. The valve allows flow from port 1 to port 2 and blocks reverse flow. Pressure at the pilot port opposes pressure at port 1 at a ratio of 1.8:1. This valve is most often used in regeneration circuits.
发表于 2008-9-20 14:53:18 | 显示全部楼层 来自: 中国河北石家庄
液控单向阀。不过和正常的相反。一般是液压打开。这个是液压关闭。像F01的二通插装阀。用在差动回路里.
发表于 2008-9-20 16:07:55 | 显示全部楼层 来自: 中国江苏无锡
液控单向阀的反向应用,液控关闭
发表于 2008-9-20 16:54:15 | 显示全部楼层 来自: 中国江苏无锡
有点不明白啊
发表于 2008-9-20 17:20:40 | 显示全部楼层 来自: 中国江苏常州
原帖由 sun1983219 于 2008-9-20 14:53 发表 http://www.3dportal.cn/discuz/images/common/back.gif
( q5 ?) x( w5 N3 S' z6 t! o; d3 U液控单向阀。不过和正常的相反。一般是液压打开。这个是液压关闭。像F01的二通插装阀。用在差动回路里.

4 b3 O1 j% t1 a$ K( X. z* z8 I' c8 U) q( G* [; D
, Q# x  e1 M& s/ S6 E
对呀,但是做液压设计,你的考虑流量吧,流量比较小的情况下,你就不能用二通插装阀了吧,怎么办,这个阀是不是就是一个合适的选择呢?
发表于 2008-9-22 13:26:43 | 显示全部楼层 来自: 中国重庆
液控单向阀的主要性能跟单向阀差不多;通常用于保压、锁紧和平衡等回路;用于对液压缸进行锁闭、保压,也用于防止立式液压缸停止时的自动下滑
发表于 2008-9-22 13:33:24 | 显示全部楼层 来自: 中国上海
没有用过这个阀,有什么应用实例没有啊.想了一会没有想出来用的地方.
发表于 2008-9-22 16:20:26 | 显示全部楼层 来自: 中国湖北武汉
学习了,原来还有这种阀
" B: X/ }. x+ d" L1 Y不过这种阀的用途不大
发表于 2008-9-22 16:57:52 | 显示全部楼层 来自: 中国天津
介绍得很清楚,明白了,谢谢!!
发表于 2008-9-22 17:42:36 | 显示全部楼层 来自: 中国江苏无锡
这个阀我们单位用得很少的,先学习一下
发表回复
您需要登录后才可以回帖 登录 | 注册

本版积分规则


Licensed Copyright © 2016-2020 http://www.3dportal.cn/ All Rights Reserved 京 ICP备13008828号

小黑屋|手机版|Archiver|三维网 ( 京ICP备2023026364号-1 )

快速回复 返回顶部 返回列表