QQ登录

只需一步,快速开始

登录 | 注册 | 找回密码

三维网

 找回密码
 注册

QQ登录

只需一步,快速开始

展开

通知     

查看: 1997|回复: 12
收起左侧

[已解决] 请问下面这个是什么起什么作用

[复制链接]
发表于 2008-9-17 20:12:35 | 显示全部楼层 |阅读模式 来自: 中国辽宁沈阳

马上注册,结识高手,享用更多资源,轻松玩转三维网社区。

您需要 登录 才可以下载或查看,没有帐号?注册

x
请问下面这个是什么起什么作用( `& h. X" t, ~1 H
22.jpg
发表于 2008-9-17 20:48:24 | 显示全部楼层 来自: 中国江苏苏州
会不会是一个类似于增压的东西?
发表于 2008-9-17 21:09:02 | 显示全部楼层 来自: 中国江苏常州
增压器,放大5倍,我用过.欧洲的一家液压厂
 楼主| 发表于 2008-9-20 06:38:38 | 显示全部楼层 来自: 中国辽宁沈阳
nauzxl能否说下如何排油,工作原理是什么?有资料吗?谢谢!
发表于 2008-9-20 19:07:01 | 显示全部楼层 来自: 中国吉林四平
像是液压自动增压器,国内上海兆帕流体控制有限公司和麦格斯威特公式都有销售。
发表于 2008-9-20 20:12:56 | 显示全部楼层 来自: 中国江苏常州
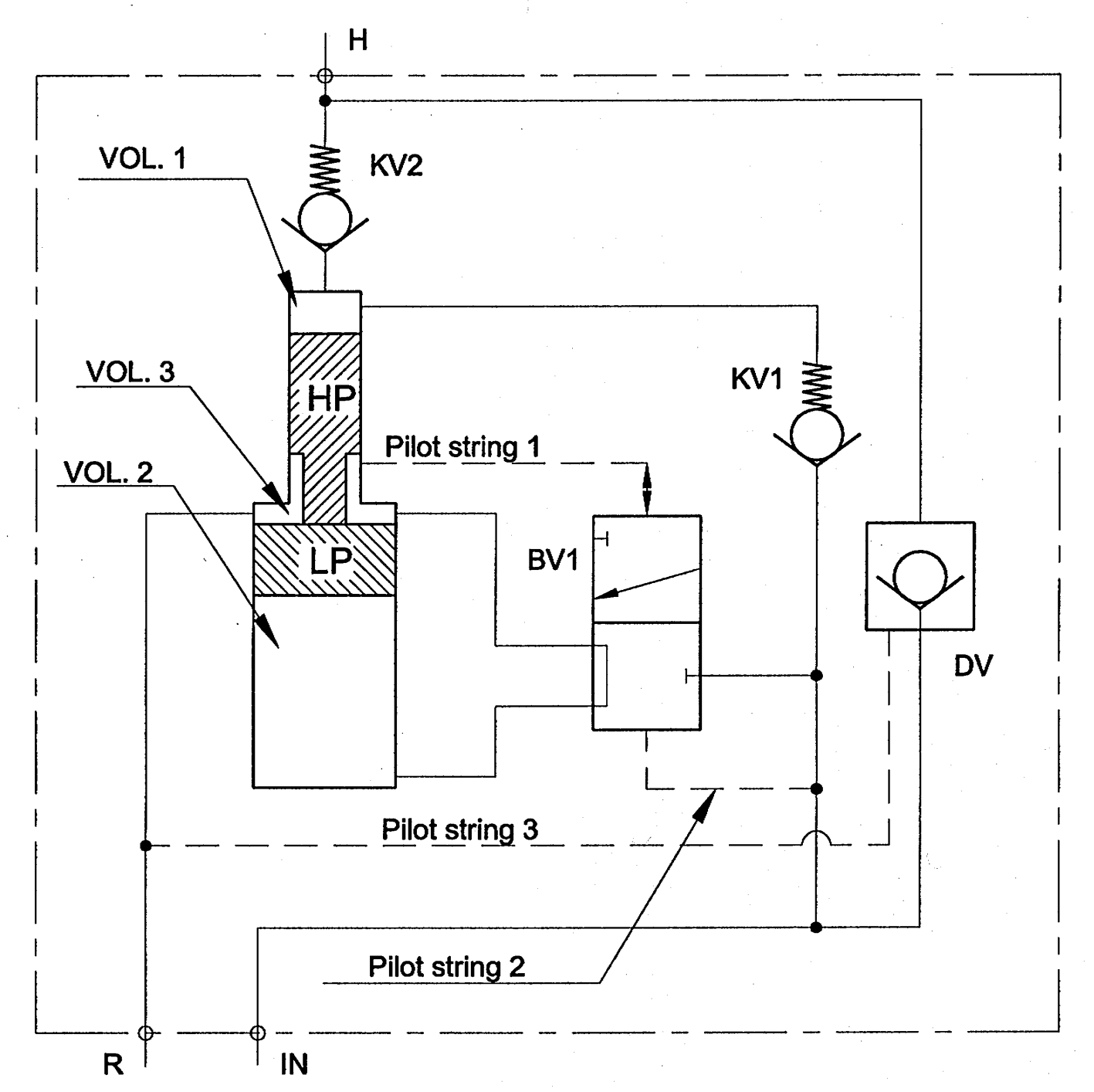
基本设计包括低压活塞 (LP)、高压活塞 (HP) 以及双稳态换向阀 (BV1)。单向阀 (DV) 是可选功能。) |# C! Y" h+ V- }
在系统压力下,液压流体流向端口 IN。流体通过端口 H 径直流经止回阀 KV1、KV2 和 DV(如果有)。此时全部流体通过增压器,然后高压侧 H 液压缸快速向前运动。随着液压缸遇到阻力,高压侧 H 的压力增加,直至达到液压泵提供的压力。达到液压泵提供的压力后,止回阀 KV1 和 DV 关闭,液压油流向 Vol 1。双稳态阀 BV1 通过 Vol 3 连接到通向油箱的 Vol 2。泵的压力传递到 Vol 1 后,活塞向下运动。- w$ t( Y1 t$ w# A* a! m" a+ w
当活塞向下运动到最底端后,先导供油 1 压力增大,从而导致双稳态阀 BV1 变换位置。流体被引导流向 Vol 2,活塞向上运动,从而以更大的压力输送流体。最终,压力由低压活塞 LP 与高压活塞 HP 的空间比决定。0 x* ]1 b: T4 W7 ?, M$ J8 }- \+ X/ ?7 z
一旦高压活塞 HP 运动到顶端,先导供油 1 将连接到油箱,双稳态阀 BV1 返回原始位置,循环重复进行,直至到达要求的终端压力。达到终端压力后,增压器停止运行,并且只有在需要维持高压侧 H 的压力时才再次运行。
+ |  R; Q# b3 h8 k/ W压力可以通过先导止回阀 DV(如果有)从高压侧释放。通过将端口 R 连接到压力源,将端口 IN 连接到油箱,先导供油 3 的压力将会增大,从而允许高压侧 H 的流体流回油箱
Figure-1.gif

评分

参与人数 1三维币 +5 收起 理由
qhdhcs + 5 应助

查看全部评分

发表于 2008-9-20 20:22:26 | 显示全部楼层 来自: 中国江苏常州
兄弟你到下面的网址去看看,里面有个动画很不错的,可是我下载不下来.这个网址里可以有你想要的任何资料.
1 f' g4 v" t3 u4 ~7 Ohttp://www.minibooster.com/versi ... how_it_works_cn.htm
发表于 2008-9-20 21:06:40 | 显示全部楼层 来自: 中国江苏常州
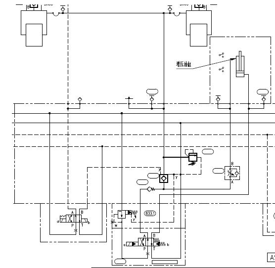
现在我还遇到过这样的增压回路
发表于 2008-9-20 21:09:51 | 显示全部楼层 来自: 中国江苏常州
忘记加附件了
增压油缸.jpg
发表于 2008-9-20 21:15:26 | 显示全部楼层 来自: 中国江苏常州
这里还有一种增压器,是parker的
增压SD500.jpg

SD500_UK.pdf

207.84 KB, 下载次数: 4

发表于 2008-9-20 23:45:08 | 显示全部楼层 来自: 中国江苏南京
谢谢nauzxl,没有这动画还真有点糊涂!good
发表于 2008-9-21 10:14:51 | 显示全部楼层 来自: 中国辽宁本溪
楼主可否讲讲增压器的服务元件(即楼主图中的M7)是什么?
9 I) I7 b0 \' r: t) ^- U是夹紧机构,还是制动器之类的东西?
 楼主| 发表于 2008-9-23 20:15:18 | 显示全部楼层 来自: 中国辽宁沈阳
谢谢NAUZXL的回答.) d1 k) y! B5 q: i
我这里也有PARKER 的增压器,一样的.% J8 N1 V' m9 ?. d" e1 f  Z
关于上面的,我想可能是个制动,德语,我不懂,实际元件我也没看见.等知道答案我在写,谢谢!
发表回复
您需要登录后才可以回帖 登录 | 注册

本版积分规则


Licensed Copyright © 2016-2020 http://www.3dportal.cn/ All Rights Reserved 京 ICP备13008828号

小黑屋|手机版|Archiver|三维网 ( 京ICP备2023026364号-1 )

快速回复 返回顶部 返回列表