QQ登录

只需一步,快速开始

登录 | 注册 | 找回密码

三维网

 找回密码
 注册

QQ登录

只需一步,快速开始

展开

通知     

查看: 4177|回复: 17
收起左侧

[求助] 卷扬机下降时发抖

[复制链接]
发表于 2008-9-17 09:45:31 | 显示全部楼层 |阅读模式 来自: 中国上海

马上注册,结识高手,享用更多资源,轻松玩转三维网社区。

您需要 登录 才可以下载或查看,没有帐号?注册

x
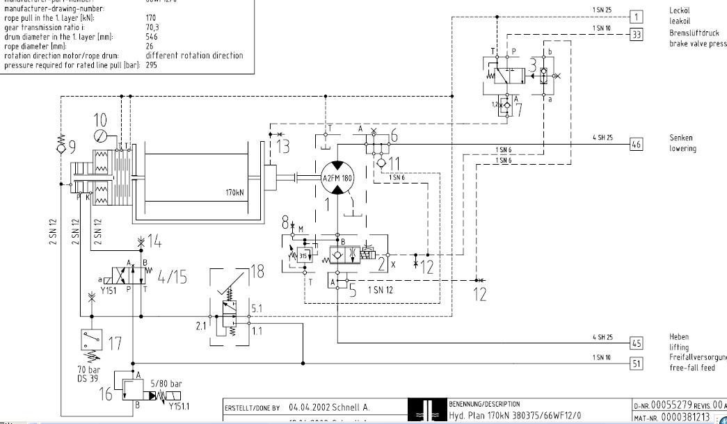
用的是力士乐FD32FB21/400B06V平衡阀,件号034273,这个阀用了两年了,现在卷扬机下降抖动的很厉害。下降的速度时快时慢。尤其油温到80度后,现象更明显,有时下降动作都没有了,力士乐没现货,买了个立新平衡阀替代,可惜不管用,最后自己把力士乐的平衡阀打开了,也没发现什么问题,阻尼孔没堵,里面的阀也不卡,哎!现在没办法了,大家还是给出出注意,
/ W" K3 B- p+ p& |% I2 [+ j" g0 U7 t( V' y4 r' L( ~) u) H' @
[ 本帖最后由 41998208 于 2008-9-17 10:41 编辑 ]
液压图.jpg

力士乐平衡阀

力士乐平衡阀
发表于 2008-9-17 10:01:07 | 显示全部楼层 来自: 中国上海
你也太牛了,油温居然能到80度。一般过55度就要停机不准用了。先查下冷却系统吧。
发表于 2008-9-17 10:05:07 | 显示全部楼层 来自: 中国上海
工程机械油温80几度的很多; l3 m7 d1 A1 e1 m% K$ U
曾经遇到过180几度的,还正常使用呢
发表于 2008-9-17 10:32:23 | 显示全部楼层 来自: 中国山东济南
平衡阀的问题,要么更换同原理的平衡阀,到要么力士乐服务中心进行原平衡阀调试,估计是使用时间长了,弹簧压力变化造成的,我也遇到过类似的现象,自己调试了多次也没有彻底解决,最终还是更换了平衡阀。
发表于 2008-9-17 10:53:00 | 显示全部楼层 来自: 中国四川成都
制动器释放不良同样会有卷扬动作不畅的故障。在空载情况下检查制动器释放是否正常?即测压接头14处压力变化情况。
发表于 2008-9-17 10:57:05 | 显示全部楼层 来自: 中国湖南湘潭
把该阀控制油路加个阻尼或者把速度降低一点看看
发表于 2008-9-17 11:44:54 | 显示全部楼层 来自: 中国上海
有的时候下降抖动不一定是平衡阀的问题,当然一般情况下,下降抖动是平衡阀匹配的不好,或平衡阀本身有问题了,如果你替换过平衡阀还有这个问题,建议你找一下主阀的原因.如果用的负载敏感的控制方式的话在主阀的LS反馈的地方加一个阻尼试一下,当然这个加在泵上也可以的.
发表于 2008-9-17 19:43:18 | 显示全部楼层 来自: 中国江苏苏州
不知是怎样的设备,是不不是阀的问题?我们有台升降机下降时油缸抖动,把销子、铜套换了,不抖了!
发表于 2008-9-17 19:52:01 | 显示全部楼层 来自: 中国浙江宁波
平衡阀的问题
9 d2 h2 Z' i7 l5 N$ S% K6 X控制油口压力不稳定,或过低.2 a4 o* e1 @  `% M4 F9 Y
造成制动器与开启不完全.造成抖动.
 楼主| 发表于 2008-9-17 20:48:47 | 显示全部楼层 来自: 中国上海
今天把平衡阀彻底解体,发现一些的问题。但是不是造成故障的原因呢
! K5 N0 L/ C+ c$ @9 `2 H" r1:控制活塞(4)表面有轻微磨损
$ }" c) u, v  n3 D1 C0 @' h2:先导阀(3)的密封锥面磨出个很浅的槽) W" j5 y4 E. K
3:主阀芯(2)密封锥面还非常好。
发表于 2008-9-18 09:00:35 | 显示全部楼层 来自: 中国河北唐山
经过分析,我认为1、马达在下降工作时,平衡阀虽然打开,但在停止时平衡阀的控制压力油并未泄荷,所以应该存在一定的移动,这里制动器就要起到主要的制动作用,所以建议楼主检查一下制动器确实及时制动、及时打开,观察一下制动器是否存在内部泄漏;2、楼主可以试一下,下降停止时检测一下平衡阀M点的压力以及控制油的压力,或及时阀控制油压力泄掉一些,观察是否还存在这个现象。
发表于 2008-9-18 09:38:14 | 显示全部楼层 来自: 新加坡
应该是平衡阀的问题
发表于 2008-9-18 10:04:35 | 显示全部楼层 来自: 中国浙江宁波
如平衡阀是完好的,请检查13处制动器油缸和10下方的脚踏控制的刹车的油缸的密封是否完好,如漏油造成摩擦片未能完全脱开,下放时制动开启压力会和平衡阀开启压力干涉,也会出现抖动;
发表于 2008-9-18 14:33:42 | 显示全部楼层 来自: 中国河南郑州
我也认为可能是平衡阀出问题,其实平衡阀开启压力和马达的压力以及负载敏感泵的反馈Ls压力有很大的关系,主要原因是控制压力不可调整,下降抖动,是因为平衡阀时开时闭两者的频率不一至所引起的,也等待高手的解答
发表于 2008-9-18 20:10:12 | 显示全部楼层 来自: 中国北京
平衡阀阀芯移动顺畅,不等于阀芯没有问题,有可能阀芯或阀内腔磨损,产生偏心而产生流量不稳定,而国内的阀可能精度达不到要求,建议还是换阀,力士乐的阀没有现货,可以换别的厂家的,进口厂家还是不少的嘛,呵呵,不是广告啊!
发表于 2008-9-18 22:26:08 | 显示全部楼层 来自: 中国北京
原帖由 cdxwg 于 2008-9-17 10:53 发表 http://www.3dportal.cn/discuz/images/common/back.gif
7 \% a; P& Q5 M) P制动器释放不良同样会有卷扬动作不畅的故障。在空载情况下检查制动器释放是否正常?即测压接头14处压力变化情况。
% \3 E" X: N8 P
13 口是制动口吧,应检查此处的压力- A$ c+ O6 I1 m6 Q4 s( S
14口处是free-fall feed,  是怎样的一个工作原理呢,怎么还有比例控制呢
 楼主| 发表于 2008-9-20 00:13:58 | 显示全部楼层 来自: 中国上海
原帖由 柠檬咖啡 于 2008-9-18 22:26 发表 http://www.3dportal.cn/discuz/images/common/back.gif
' Q: w5 r9 ^/ I' `% m
& C( F$ z! l2 n13 口是制动口吧,应检查此处的压力( k3 ?( q+ F5 u: ~1 v, v2 ^$ c1 |
14口处是free-fall feed,  是怎样的一个工作原理呢,怎么还有比例控制呢

% i1 P2 A. _& k' b5 x: R- U; q/ ]5 S
是平衡阀的问题,因为设备在凉车是,卷扬机上升和下降都正常,但力士乐没有现货,修也没法修,看看大家还有什么办法没) f0 O$ C# J) h* l$ a1 @

$ a9 V: u# Z% K; P/ X2 _8 r$ e6 S3 j7 vFree-fall.是卷扬机的自由落钩模式,在驾驶室选择有效时,Y151Y151.1同时得电(都是开关电磁阀,Y151.1带二次压力调整,得电安全阀压力为50bar)
" v6 ~7 k8 ~( L/ e踩下踏板(18)后,再慢慢松开踏板,卷扬机就依靠吊物的自重下滑,松开踏板行程, E% a$ C: c- g  F9 L1 n  N
越大,落钩速度越快。往下踩相反,自由落钩慢,踩到底停止自由落钩,关闭驾驶室的开关2 @3 r6 i* H# H# W) e9 |
转为正常的液压驱动。
; E5 T4 t1 m& X' f* B/ O; @4 c8 d6 W9 D
[ 本帖最后由 41998208 于 2008-9-20 09:52 编辑 ]
发表于 2008-9-20 08:26:57 | 显示全部楼层 来自: 中国江苏苏州
应该是平衡阀的问题.我以前也遇到过的.不过具体还要看到现场实际情况才能确定呀.油温怎么会这么高的呀.
发表回复
您需要登录后才可以回帖 登录 | 注册

本版积分规则


Licensed Copyright © 2016-2020 http://www.3dportal.cn/ All Rights Reserved 京 ICP备13008828号

小黑屋|手机版|Archiver|三维网 ( 京ICP备2023026364号-1 )

快速回复 返回顶部 返回列表