QQ登录

只需一步,快速开始

登录 | 注册 | 找回密码

三维网

 找回密码
 注册

QQ登录

只需一步,快速开始

展开

通知     

全站
10天前
查看: 2117|回复: 19
收起左侧

[已解决] 这个零件如何编工艺?

 关闭 [复制链接]
发表于 2008-9-16 18:17:55 | 显示全部楼层 |阅读模式 来自: 中国四川成都

马上注册,结识高手,享用更多资源,轻松玩转三维网社区。

您需要 登录 才可以下载或查看,没有帐号?注册

x
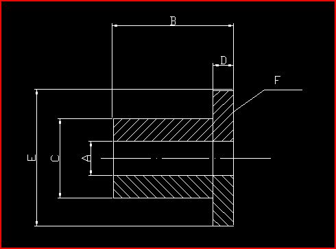
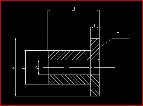
这个零件材料为铝青铜,A为内孔Φ9公差0~0.15,C为外圆Φ14公差0~0.15,它们的同轴度为0.01,端面F对外圆C的垂直度为0.01,长度D为1.5公差-0.02~+0.02,长度B为14公差为-18~0
" r) D" e, {  y: `% Y) o0 h: t0 c) r0 J
[ 本帖最后由 asdolmlm 于 2008-9-21 22:37 编辑 ]

零件图

零件图
 楼主| 发表于 2008-9-16 18:39:57 | 显示全部楼层 来自: 中国四川成都
各位师兄指导一下啊,小弟谢了
发表于 2008-9-16 18:47:54 | 显示全部楼层 来自: 中国浙江温州
同轴度、垂直度与孔轴外圆公差有些不相匹配。定形位公差0.03-0.05较为合适。
* v. W6 K* ]) T  r2 l- j其实这是一个非常简单的零件,加工工艺也不复杂。可用仪表车床(最好数控)加工。" N; T2 o3 ~/ }* l2 y  o4 g
1 如果有必要做:材料做低温退火;
# K) G, _& [- {9 G2 圆棒下料,一次两件(两端车,中间割断),留足平面和割断余量;
8 _. S, j. Q# v" C6 z" m3 平端面,钻孔至棒料一半深,镗或精车孔至图纸尺寸* w+ \3 y5 m- a
4 车两外圆至棒料中间6 `0 T% n* r' ], A+ T" P
5 调头,重复工序3-4
, S/ E$ `9 D. Z4 j9 N+ s" U8 C6 成批割断成两件9 q$ w0 V( F: Q( v% q
7 成批平端面F
# }9 C9 I, W# J如果表面光洁度有要求,表面进抛光去刺。6 \) ?. ^3 R8 {5 e

$ r/ M' b/ x# n) T, L% N& s" J[ 本帖最后由 CHNLOONG 于 2008-9-16 18:49 编辑 ]
 楼主| 发表于 2008-9-16 18:53:52 | 显示全部楼层 来自: 中国四川成都
就是啊,我先也编的车,但师傅说达不到,还就是忘了一个要求就是内孔Φ9粗糙度为0.8
 楼主| 发表于 2008-9-16 18:56:56 | 显示全部楼层 来自: 中国四川成都
后来我改为磨内孔,光平F端面,在磨外圆靠端面保证长度D,但是尺寸链上总用问题
发表于 2008-9-16 20:07:50 | 显示全部楼层 来自: 中国黑龙江佳木斯
先粗车,留量。; g: _7 ~: [9 G# c$ u' a+ J, p
精车,夹E外圆车C外圆成车内孔成,在孔的另一端面车宽10见光找正带,
( ?, t% k$ W: T6 j7 n! y* Y掉头,以C外圆及找正带找正,公差在0。01以内,车E外圆及端面即可。
 楼主| 发表于 2008-9-16 20:19:05 | 显示全部楼层 来自: 中国四川成都
我先也这样编的,就是内孔粗糙度0.8 不好达到,不知道可以磨不
发表于 2008-9-16 21:21:41 | 显示全部楼层 来自: 中国河南郑州
内孔用机用绞刀
发表于 2008-9-16 21:33:03 | 显示全部楼层 来自: 中国江西九江
1、下料 ! {$ K) s2 q- G
2、热处理
. J& g9 l- x' b& A4 U; n3、车内孔A、外圆C及B一面、D一面。要求一刀下& l- D6 p# {* p* N+ X8 s
4、调头软爪夹外圆C,车F,保证B/D尺寸。6 u  N  G, i2 \5 P- N  R
8 j& V9 A- r+ b$ {* o# X
如果车床精度不行,可增加磨削。(外圆C,端面B、D留磨余量): @2 w4 E( C4 Q: E, S' U: F
用芯轴以内孔A定位,磨削外圆C及F,保证B/D尺寸。
 楼主| 发表于 2008-9-16 21:41:58 | 显示全部楼层 来自: 中国四川成都
谢谢各位师兄
发表于 2008-9-16 23:08:48 | 显示全部楼层 来自: 中国北京
里孔研 外圆磨
发表于 2008-9-16 23:10:34 | 显示全部楼层 来自: 中国北京
图画的不对吧
发表于 2008-9-17 09:08:50 | 显示全部楼层 来自: 中国重庆
1  一次装夹,车Φ9和Φ14保证同轴度为0.01,同时平F另一端面;
6 T; O4 d/ I% q; ?* R0 S; {2  以C面为基准,磨F面保证垂直度为0.01。
发表于 2008-9-17 09:45:09 | 显示全部楼层 来自: 中国山西太原
图有问题吧
发表于 2008-9-17 14:13:21 | 显示全部楼层 来自: 中国江苏苏州
原帖由 wsg.123 于 2008-9-17 09:08 发表 http://www.3dportal.cn/discuz/images/common/back.gif
7 o) \5 J7 x' j9 b+ X1  一次装夹,车Φ9和Φ14保证同轴度为0.01,同时平F另一端面;) |4 L0 z& x+ q  }% v5 _
2  以C面为基准,磨F面保证垂直度为0.01。
7 O) b6 N/ `  ~0 s
这个零件材料为铝青铜,平面磨怎么做?
发表于 2008-9-17 16:47:30 | 显示全部楼层 来自: 中国广东佛山
直接数控车出来,内孔在车床上用铰刀过一次```
发表于 2008-9-17 17:15:58 | 显示全部楼层 来自: 中国上海
该零件在数控车上直接加工正,内孔留0.04MM余量,再在钻床上用圆弹子(轴承内的弹子,市场有买)挤压一下,粗糙度在0.4,并且提高了零件表面的硬度.
发表于 2008-9-17 19:28:31 | 显示全部楼层 来自: 中国重庆
兄弟伙些,内孔粗糙度都是小问题,不过同轴度0.01,老火哟!!!你们这些车床,磨床,用撒子装夹哟???小弟请教了. :lol: :lol:
发表于 2008-9-18 08:05:10 | 显示全部楼层 来自: 中国浙江台州
1.下料,1 p% N% }4 M$ R  I" t; t! z, g) H6 l
2.车外圆C、D及B端面,留F端面余量,;
7 M7 N1 k  W$ G" H( e& G3.钻内孔A,留0.10mm左右余量,用铰刀(最好是能带挤刀棱这样光洁度能保);6 G! S% w4 T7 I/ m' H% p
4.穿芯棒上外圆磨,磨C、D、及靠F端面。
( m6 S& N' F( Y! a. z& ?, X$ f这样的工艺复杂了点,但是能绝对能保要求。
 楼主| 发表于 2008-10-15 20:54:10 | 显示全部楼层 来自: 中国四川成都

这个零件如何编工艺?(上次公差弄错了)这个零件材料为铝青铜,A为内孔Φ9公差0~0.015,C为外圆Φ14公差0~0.015,它们的同轴度为0.01,端面F对外圆C的垂直度为0.01,长度D为1.5公差-0.02~+0.02,长度B为14公差为-0.18~0
' b7 M" {) u6 O$ V: d  P, ^内孔粗糙度0.85 P5 O/ d7 a9 ~' h- q
1 R1 E/ n1 o$ `$ k# Q
[ 本帖最后由 asdolmlm 于 2008-10-15 23:22 编辑 ]

图
发表回复
您需要登录后才可以回帖 登录 | 注册

本版积分规则


Licensed Copyright © 2016-2020 http://www.3dportal.cn/ All Rights Reserved 京 ICP备13008828号

小黑屋|手机版|Archiver|三维网 ( 京ICP备2023026364号-1 )

快速回复 返回顶部 返回列表