QQ登录

只需一步,快速开始

登录 | 注册 | 找回密码

三维网

 找回密码
 注册

QQ登录

只需一步,快速开始

展开

通知     

全站
9天前
查看: 1474|回复: 1
收起左侧

[求助] 如何保证挤压蜗杆同轴度

[复制链接]
发表于 2008-9-9 21:12:50 | 显示全部楼层 |阅读模式 来自: 中国浙江温州

马上注册,结识高手,享用更多资源,轻松玩转三维网社区。

您需要 登录 才可以下载或查看,没有帐号?注册

x
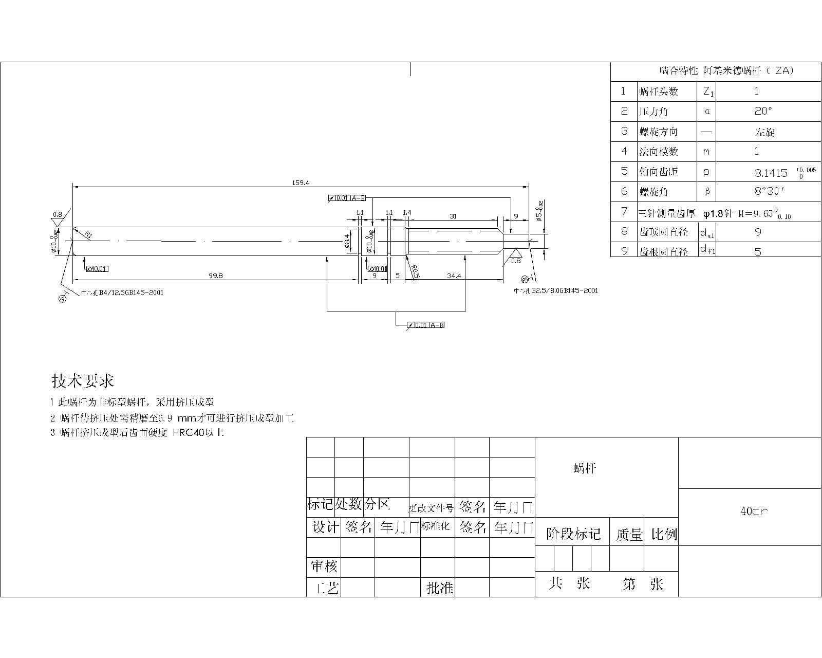
大家好,最近我们厂买了滚丝机,准备生产挤压蜗杆,但是试生产的时候发现挤压出来的蜗杆 蜗杆处与整条轴同轴度很差,大概有0.3mm,而客户的要求是0.03mm,根本没法达到要求.
% s7 Z; J  d. F3 j5 V# V* d& h- m我的生产工艺是这样的, 先车蜗杆轴至10.5mm,待挤压处7.15mm,然后挤压蜗杆,接着精磨蜗杆至10.00mm.虽然磨好的部分同轴度很高,但是挤压蜗杆出跟别的地方的同轴度非常大,30个丝." z5 ]4 E9 Q5 Z1 J9 V: Z
下面是图纸,请各位帮忙想想办法,是什么原因照成的
Drawing1-Model.jpg
 楼主| 发表于 2008-9-10 10:42:39 | 显示全部楼层 来自: 中国浙江温州
没人知道吗?   有没有高手知道啊?资料找了很多,还是没办法啊
发表回复
您需要登录后才可以回帖 登录 | 注册

本版积分规则


Licensed Copyright © 2016-2020 http://www.3dportal.cn/ All Rights Reserved 京 ICP备13008828号

小黑屋|手机版|Archiver|三维网 ( 京ICP备2023026364号-1 )

快速回复 返回顶部 返回列表