QQ登录

只需一步,快速开始

登录 | 注册 | 找回密码

三维网

 找回密码
 注册

QQ登录

只需一步,快速开始

展开

通知     

全站
9天前
查看: 1931|回复: 12
收起左侧

[已解决] 这个孔是通孔还是盲孔?

[复制链接]
发表于 2008-9-9 10:40:40 | 显示全部楼层 |阅读模式 来自: 中国江苏苏州

马上注册,结识高手,享用更多资源,轻松玩转三维网社区。

您需要 登录 才可以下载或查看,没有帐号?注册

x
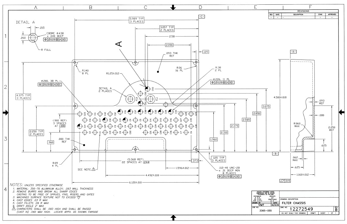
大家好,有谁对这个熟悉,孔为图纸箭头所指,这个孔的图形表示什么意思?怎么和其它孔不一样?. D' t- r4 P8 V) z) Z: \6 Y
4 U5 T, Z1 G) \1 u" g
[ 本帖最后由 qukewei1980_200 于 2008-9-9 10:43 编辑 ]

12272549.PDF

62.69 KB, 下载次数: 14

发表于 2008-9-9 10:48:10 | 显示全部楼层 来自: 中国辽宁大连
既然是求助,为什么不直接把图贴上来?下载还要花费流量,不可思议!
发表于 2008-9-9 11:04:02 | 显示全部楼层 来自: 中国山东烟台
,% @0 j  [: R4 T3 E: K5 |) e5 C" s
我区,这是虚心求教的心态麽?
发表于 2008-9-9 11:05:04 | 显示全部楼层 来自: 中国辽宁大连
φ.226孔为11处,φ.200孔为38处,均为通孔,.112-40UNC-2B深度最小.31共8处;箭头所指应为11-φ.226孔其中之一,为通孔。
12272549.jpg

评分

参与人数 1三维币 +2 收起 理由
渔樵 + 2 应助

查看全部评分

 楼主| 发表于 2008-9-9 11:13:44 | 显示全部楼层 来自: 中国江苏苏州
不好意思,疏忽了,我向大家赔罪 ,不过我还是想问问老外到底为什么那样表示阿,箭头所指地孔中间还带四分之一的黑色,都是通孔,为什么那样标啊?
发表于 2008-9-9 11:19:32 | 显示全部楼层 来自: 中国辽宁大连
黑色时表示同一类属性,与其他孔作为区别,机械制图尺寸注法GB4458.4有详细讲解,回答你的问题还浪费了我的流量。
4 @- J2 \; W- H8 c2 l; \
! Q5 L5 S. V5 @3 E[ 本帖最后由 linguangye 于 2008-9-9 11:22 编辑 ]
发表于 2008-9-9 11:44:06 | 显示全部楼层 来自: 中国山西太原
在我国制图标准中对于图样中有几种同类型的孔的简化标法也是这样的。某种类型的孔用同样的涂黑作标记,这些孔都是通孔。
同类孔的简化标法.jpg

评分

参与人数 1三维币 +2 收起 理由
渔樵 + 2 应助

查看全部评分

发表于 2008-9-9 12:00:43 | 显示全部楼层 来自: 中国上海
φ.228的11个孔涂黑是为了和φ.200的孔区别开来,两组孔的尺寸相差很小,仅从孔的大小上是很难区别的。这样的根据楼上几位已经说了。
发表于 2008-9-9 23:35:18 | 显示全部楼层 来自: 中国广西柳州
受教了......非常庆幸能看到这 帖子
发表于 2008-9-16 23:18:23 | 显示全部楼层 来自: 中国北京
只是记号 便于区分
发表于 2008-9-17 08:31:29 | 显示全部楼层 来自: 中国重庆
用1/4黑影表示的孔为同一类的孔(孔大小、精度、粗糙度和深度),与其它孔有区别。
发表于 2008-9-18 21:47:37 | 显示全部楼层 来自: 中国广东佛山
又学到知识了,多谢了
发表于 2008-9-18 21:48:34 | 显示全部楼层 来自: 中国广东佛山
又学到知识了,多谢了
发表回复
您需要登录后才可以回帖 登录 | 注册

本版积分规则


Licensed Copyright © 2016-2020 http://www.3dportal.cn/ All Rights Reserved 京 ICP备13008828号

小黑屋|手机版|Archiver|三维网 ( 京ICP备2023026364号-1 )

快速回复 返回顶部 返回列表