QQ登录

只需一步,快速开始

登录 | 注册 | 找回密码

三维网

 找回密码
 注册

QQ登录

只需一步,快速开始

展开

通知     

查看: 5394|回复: 43
收起左侧

[求助] 一套完整的液压系统,重金求助!

[复制链接]
发表于 2008-9-8 11:28:43 | 显示全部楼层 |阅读模式 来自: 中国江苏徐州

马上注册,结识高手,享用更多资源,轻松玩转三维网社区。

您需要 登录 才可以下载或查看,没有帐号?注册

x
本人现有一套完整的力士乐液压系统原理图,想求助高手给予解决方案!联系QQ33401051,电话:13952163422
发表于 2008-9-8 11:34:24 | 显示全部楼层 来自: 中国北京
发上来,大家看看。三维牛人很多的,帮过我的。
 楼主| 发表于 2008-9-8 11:44:33 | 显示全部楼层 来自: 中国江苏徐州

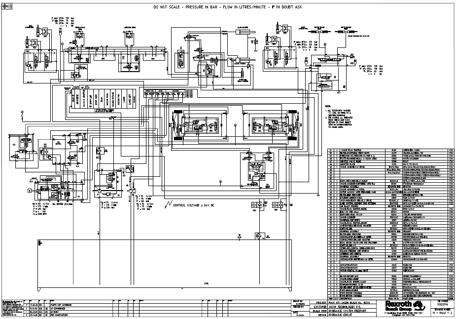
完整的液压系统图

请高手指点,能否提供解决方案。

Hydraulic Circuit.pdf

401.77 KB, 下载次数: 235

发表于 2008-9-8 12:39:39 | 显示全部楼层 来自: 中国浙江宁波
你的是什么附件啊?都不能打开怎么帮你啥?
发表于 2008-9-8 12:56:56 | 显示全部楼层 来自: 中国河南郑州
替楼主发个贴图,有点搞不懂楼主的意思http://file:///f://11.gif
11.gif
发表于 2008-9-8 14:20:09 | 显示全部楼层 来自: 中国江苏扬州
帮忙,怎么还要收流量的呀!
发表于 2008-9-8 14:25:23 | 显示全部楼层 来自: 中国辽宁铁岭
楼主,说清楚说明哪里,你不会让大家给你说明整个系统的工作原理吧!
 楼主| 发表于 2008-9-8 14:52:10 | 显示全部楼层 来自: 中国江苏徐州
此图是国外一家公司的产品,我想拿过进行国产化,凡国内可以替代的元件都原则上都有国产件代替,现在我碰到的问题就是找不到一个厂家愿意做我这个系统,所以发贴上来,请大家指点,到哪可以采购到这些元件。
发表于 2008-9-8 20:37:41 | 显示全部楼层 来自: 中国浙江丽水
晕 还要流量,而且还不能看下面那副又太小看不清 ,怎么帮?我觉得版主要注意一下
发表于 2008-9-8 23:13:20 | 显示全部楼层 来自: 中国江苏无锡
哥们,你以前发过dwg格式的吧。其实最好是对着原理找,找不到的来发帖讨论。这么多大家你一句我一句你的脑袋会大的。或者这个帖子就当这个的专帖了吧。楼主有什么疑问就发帖大家讨论。
发表于 2008-9-9 12:42:28 | 显示全部楼层 来自: 中国浙江杭州
这是一个工业行走机械的液压图4 N3 Q7 T6 @5 C4 O
行走、支撑、……' x* G, B1 T# a# y) P$ }$ ^, o
似乎还有有一些是同步要求
发表于 2008-9-9 13:35:00 | 显示全部楼层 来自: 中国浙江杭州
想发展液压方面,下载学习学习!!!
发表于 2008-9-10 10:01:55 | 显示全部楼层 来自: 中国江苏无锡
系统肯定可以做,代价要大一点,还是自己做比较好,改进起来也方便。就看你舍不舍的钞票
发表于 2008-9-10 12:40:26 | 显示全部楼层 来自: 中国上海
不说了,一开始以为是港口机械
) |/ W* M3 h; I. E) g可靠性是第一位的,所以肯定要力士乐" W: J2 c& c0 O& p! ?- U/ Q- t' I
看楼主的意思是要国内自己搞该产品,需要的是人才和资金' f% p- _! ?2 s: A& N+ B

6 d3 J0 d  ^! e6 d  [; A& R  ?[ 本帖最后由 tieshouchan 于 2008-9-10 13:00 编辑 ]
发表于 2008-9-10 12:41:29 | 显示全部楼层 来自: 中国上海
仔细看了下,应该是工程机械上的混凝土泵车4 ?) M) H$ L( P2 P) @
呵呵,现在中国都想搞这个
/ o6 E% w5 J$ H: \' h赚钱哪,一辆4,5百万还抢着要呢) y  W$ }8 \: g0 X
不过自己搞要点实力的,最好有个主业先顶着,这个先弄个样车
3 T% g2 b: @" A3 X5 n# P记得以前鸿得利就是这么搞的 他们主要做混凝土泵# P. h# D1 V1 J% |4 I  N
( f) w+ i  l" |! R- U( P
[ 本帖最后由 tieshouchan 于 2008-9-10 12:59 编辑 ]
发表于 2008-9-10 12:52:15 | 显示全部楼层 来自: 中国北京
闭式泵 开式泵 恒功率阀 什么都用上了啊 到底是什么东西啊 部分感觉像挖掘机和混凝土泵啊
发表于 2008-9-10 13:09:02 | 显示全部楼层 来自: 中国上海
楼主,你要国内生产的话
1 c: ~. Z: V3 N- z7 n: ?恐怕油泵,多路阀都要力士乐的,但交货期你受得了吗?至少一年哦 $ e* W9 U' V/ B& g/ y
其他油管,滤芯,蓄能器,油缸之类的国产应该问题不大
发表于 2008-9-10 13:15:51 | 显示全部楼层 来自: 中国上海
原帖由 zuozuo520 于 2008-9-10 12:52 发表 http://www.3dportal.cn/discuz/images/common/back.gif( M7 Z! b- w; `  n
闭式泵 开式泵 恒功率阀 什么都用上了啊 到底是什么东西啊 部分感觉像挖掘机和混凝土泵啊

) Z: Y# i- C# n) o1 C) ~. V/ Q跟挖掘机没关系,呵呵
发表于 2008-9-10 13:16:54 | 显示全部楼层 来自: 中国上海
楼主我打电话给你你不接嘛3 d  m% d* i! x1 I; Z# s$ O* T
哈哈
2 J4 K8 F5 y+ v# K搞是可以的,还是那句话,要有决心和魄力* w- ~, y! Z$ H! P! X$ K
人才和资金(1000万+)是必备条件
 楼主| 发表于 2008-9-10 15:19:37 | 显示全部楼层 来自: 中国江苏徐州
需要资金1000万?楼上的打算怎么用这1000万?
 楼主| 发表于 2008-9-10 15:20:10 | 显示全部楼层 来自: 中国江苏徐州
现在我就差液压系统了,其他的都做好了
发表于 2008-9-10 15:33:36 | 显示全部楼层 来自: 中国上海
液压系统留100万较为宽裕
  a) h, K9 }. U* b" ^你既然这么保留我也就点到为止了
发表于 2008-9-10 16:44:34 | 显示全部楼层 来自: 中国江苏无锡
个人建议你买一套《液压设计手册》学好了上面的内容再实践一两年就成专家了
 楼主| 发表于 2008-9-10 17:04:15 | 显示全部楼层 来自: 中国江苏徐州
哪位有电子版的,发来分享一下
发表于 2008-9-10 19:47:29 | 显示全部楼层 来自: 中国江苏南通

液压设计手册

我有液压设计手册电子版.
发表回复
您需要登录后才可以回帖 登录 | 注册

本版积分规则


Licensed Copyright © 2016-2020 http://www.3dportal.cn/ All Rights Reserved 京 ICP备13008828号

小黑屋|手机版|Archiver|三维网 ( 京ICP备2023026364号-1 )

快速回复 返回顶部 返回列表