QQ登录

只需一步,快速开始

登录 | 注册 | 找回密码

三维网

 找回密码
 注册

QQ登录

只需一步,快速开始

展开

通知     

查看: 1360|回复: 1
收起左侧

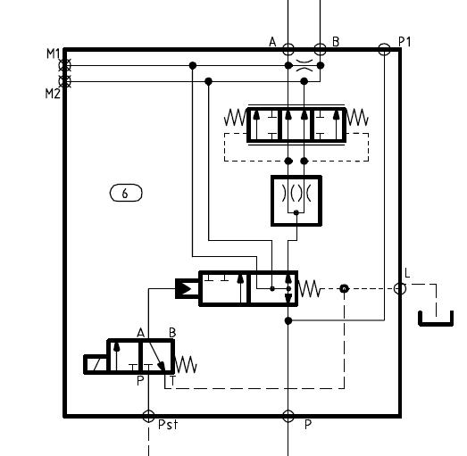
[求助] 力士乐差速分流阀

[复制链接]
发表于 2008-9-8 09:37:47 | 显示全部楼层 |阅读模式 来自: 中国江苏徐州

马上注册,结识高手,享用更多资源,轻松玩转三维网社区。

您需要 登录 才可以下载或查看,没有帐号?注册

x
请教大虾,国内有没有产品可以替代?
分流阀.JPG
发表于 2010-8-23 16:43:27 | 显示全部楼层 来自: 中国江苏苏州
差速分流阀  怎么差速的撒
发表回复
您需要登录后才可以回帖 登录 | 注册

本版积分规则


Licensed Copyright © 2016-2020 http://www.3dportal.cn/ All Rights Reserved 京 ICP备13008828号

小黑屋|手机版|Archiver|三维网 ( 京ICP备2023026364号-1 )

快速回复 返回顶部 返回列表