QQ登录

只需一步,快速开始

登录 | 注册 | 找回密码

三维网

 找回密码
 注册

QQ登录

只需一步,快速开始

展开

通知     

查看: 1726|回复: 5
收起左侧

[求助] 挑战你对变量泵的认识?

[复制链接]
发表于 2008-9-7 18:11:19 | 显示全部楼层 |阅读模式 来自: 中国辽宁沈阳

马上注册,结识高手,享用更多资源,轻松玩转三维网社区。

您需要 登录 才可以下载或查看,没有帐号?注册

x
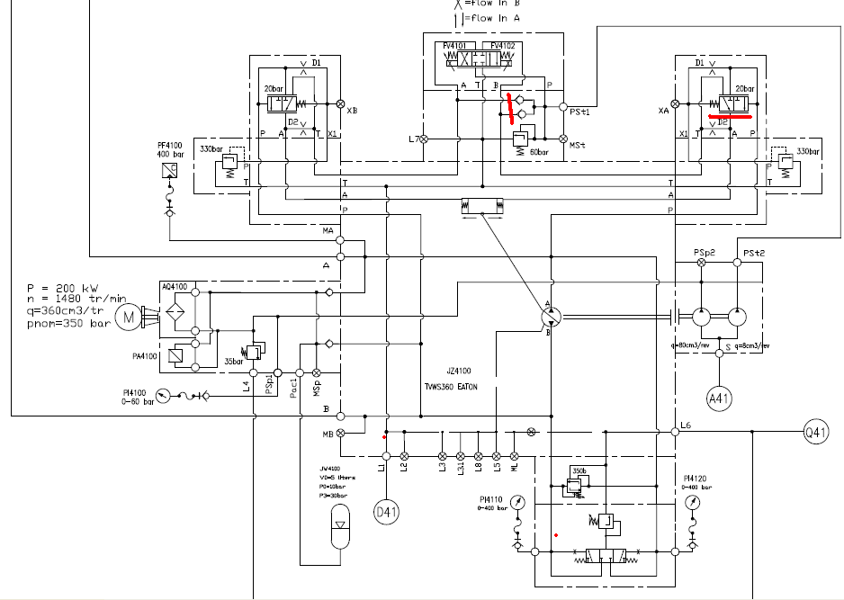
右边两个小泵的作用我知道了。我现在有个问题:图中的单向阀(就是FV4101下面的两个)起什么作用?以及右侧的二位三通阀有什么作用?是不是就是变量泵的负载敏感阀呢?那他是怎么根据负载调节的呢?与XA口相连的那个线(在弹簧中间)有是什么作用呢 ?* d$ A; A0 n: S" z' u3 d6 l
如果A口是进油口那么,右侧的二位三通就是上下连通的,然后往斜盘活塞右侧供油,多余的油液经过D2回油,右边小泵往斜盘活塞左侧供油,依靠平衡来调节流量 ?这样分析对吗 ?
未命名6.bmp
发表于 2008-9-8 23:11:31 | 显示全部楼层 来自: 中国湖南长沙
个人认为,左右两侧的两位三通阀的作用是压力切断功能。。当A或B口压力超过设定压力时,此阀打开,P口高压油直接进入斜盘活塞,使斜盘回到中位,系统流量为0。。。
发表于 2008-9-9 08:37:13 | 显示全部楼层 来自: 中国河北沧州
左右两侧的两位三通阀是压差阀,其作用就是通过节流孔产生压差,当压差达到20bar时,变量泵的流量减少至系统需要的流量,但是不一定减少到0。330bar阀接在压差阀的弹簧腔,所以远程控制了系统压力。
发表于 2008-9-9 12:24:15 | 显示全部楼层 来自: 中国浙江杭州
单向阀的作用是防止变量缸两侧的压力过高,同时起隔离作用,防止P压力供油影响
发表于 2008-9-9 12:26:50 | 显示全部楼层 来自: 中国浙江杭州
左右两侧的两位三通阀的作用应该是压力切断功能,起一个安全作用
$ n6 m! s: [. y平时不起作用,调节排量通过中间的3位4通阀来控制
/ {( B* Y& z  A- B. e& \9 p一旦外界压力过高,330bar的安全阀工作,如2楼所说,是排量变小
 楼主| 发表于 2008-9-10 07:24:00 | 显示全部楼层 来自: 中国辽宁沈阳
谢谢,我在好好研究研究。
发表回复
您需要登录后才可以回帖 登录 | 注册

本版积分规则


Licensed Copyright © 2016-2020 http://www.3dportal.cn/ All Rights Reserved 京 ICP备13008828号

小黑屋|手机版|Archiver|三维网 ( 京ICP备2023026364号-1 )

快速回复 返回顶部 返回列表