QQ登录

只需一步,快速开始

登录 | 注册 | 找回密码

三维网

 找回密码
 注册

QQ登录

只需一步,快速开始

展开

通知     

查看: 1900|回复: 17
收起左侧

[已解决] 再问一个图纸标注是否错误的问题

 关闭 [复制链接]
发表于 2008-9-6 22:41:46 | 显示全部楼层 |阅读模式 来自: 韩国

马上注册,结识高手,享用更多资源,轻松玩转三维网社区。

您需要 登录 才可以下载或查看,没有帐号?注册

x
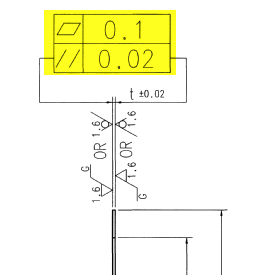
如下,
, J, H4 T6 L  i7 A  S8 G位置公差平行度比形状公差平面度要求要高。请问是否正确?1 n, W2 k6 c8 \$ P, A" k
( j9 C7 \* t& @. m! q3 s* o8 F
[ 本帖最后由 华氏911 于 2008-9-8 12:08 编辑 ]
image001.png
发表于 2008-9-6 23:14:11 | 显示全部楼层 来自: 中国上海
对同一要素有形状公差和位置公差要求时,其平面度公差值应小于平行度公差值,因为在检测平行度误差时,它包括了被要素的形状误差。
5 s0 |; K- P# D2 ~" C, [1 F. }
8 [0 h2 x6 w8 r) F3 t/ w5 ]一般来说尺寸公差>平行度公差>平面公差

评分

参与人数 1三维币 +5 收起 理由
plc + 5 应助

查看全部评分

发表于 2008-9-6 23:32:54 | 显示全部楼层 来自: 中国上海
可以这样阿
发表于 2008-9-6 23:42:27 | 显示全部楼层 来自: 中国广东珠海
正确,因为是两个独立的要素。
发表于 2008-9-6 23:56:42 | 显示全部楼层 来自: 中国重庆
你那个可能是薄板件!根据这个实际情况!我想也是允许这样的!
 楼主| 发表于 2008-9-7 00:28:58 | 显示全部楼层 来自: 韩国
原帖由 evtepe 于 2008-9-6 23:14 发表 http://www.3dportal.cn/discuz/images/common/back.gif' J. U. \/ h9 D& S: Z  X% H
对同一要素有形状公差和位置公差要求时,其平面度公差值应小于平行度公差值,因为在检测平行度误差时,它包括了被要素的形状误差。1 P! r' p( {) ^0 C0 l1 A7 p; n1 q' _

0 ?- q& F( G/ {# Y7 ~  l一般来说尺寸公差>平行度公差>平面公差
; T/ l7 m0 ^  N% b) h5 N4 ^
. a9 k* a9 A2 `: r* r
谢谢!
发表于 2008-9-7 08:04:34 | 显示全部楼层 来自: 中国江苏常州
表面粗糙度1.6- h! Q8 b. B( N: ]1 X
平面度0.18 R" `' l1 V+ \9 n. S+ S1 q) o
平行度0.02
% a" Q% V3 I9 \, s0 Z你把这些联系起来
4 \7 v. H4 X! E7 Z看看是什么结果
发表于 2008-9-7 09:09:34 | 显示全部楼层 来自: 中国广东佛山
2楼的回帖是正确的。
发表于 2008-9-7 09:13:15 | 显示全部楼层 来自: 中国山东济南
有问题,若检测的话肯定至少一项超差
发表于 2008-9-7 10:06:15 | 显示全部楼层 来自: 中国山西太原
二楼的分析是正确的,尺寸公差>平行度公差>平面度公差,这样才容易达到各项要求。平面度为0.1mm时,如何才能达到二面的平行度为0.02,矛盾而且困难。另一方面若平行度达到了0.02,平面度误差只能小于0.02 ,那么在这种情况下标注的平面度公差0.1就没什么意义了。尺寸公差与形位公差存在独立原则,但在这里形状与位置公差是互相关联的。

评分

参与人数 1三维币 +3 收起 理由
华氏911 + 3 技术讨论

查看全部评分

发表于 2008-9-7 13:04:18 | 显示全部楼层 来自: 中国江苏常州
按附图所示我是这样理解的,两面平行度0.02指的是任意一点的板厚尺寸差不大于0.02,两面平面度0.1指的是整个平面允许有0.1的翘曲。这样标注可能更有利于加工,并不影响使用,因为这种薄垫圈只要在磨床上磨平了并保证平行度0.02,安装时就能压平。

评分

参与人数 1三维币 +3 收起 理由
华氏911 + 3 技术讨论

查看全部评分

发表于 2008-9-7 18:28:32 | 显示全部楼层 来自: 中国福建泉州
在这里虽然我承认两个行位公差存在矛盾,但是觉得2#楼说的:“尺寸公差>平行度公差>平面公差”有些欠妥。因为厚度误差(t+/-0.02)指的是薄板的厚度误差应该在+/-0.02的范围之内,是独立的,而平行度与平面度是用来规范薄板的变形量误差。

评分

参与人数 1三维币 +3 收起 理由
华氏911 + 3 技术讨论

查看全部评分

发表于 2008-9-7 20:22:40 | 显示全部楼层 来自: 中国浙江杭州
原帖由 zhanghuihbh 于 2008-9-7 13:04 发表 http://www.3dportal.cn/discuz/images/common/back.gif
# k8 t5 V% U4 G按附图所示我是这样理解的,两面平行度0.02指的是任意一点的板厚尺寸差不大于0.02,两面平面度0.1指的是整个平面允许有0.1的翘曲。这样标注可能更有利于加工,并不影响使用,因为这种薄垫圈只要在磨床上磨平了并保证 ...
赞成楼主的看法,这样比较符合实际要求,虽然这样的标注不符合制图的规范。
发表于 2008-9-7 22:54:43 | 显示全部楼层 来自: 中国四川成都
没错啊,两者没什么影响
 楼主| 发表于 2008-9-7 22:55:02 | 显示全部楼层 来自: 中国上海
原帖由 hbh0606 于 2008-9-7 18:28 发表 http://www.3dportal.cn/discuz/images/common/back.gif" Z+ D8 I# j/ r. J5 g" g8 q
在这里虽然我承认两个行位公差存在矛盾,但是觉得2#楼说的:“尺寸公差>平行度公差>平面公差”有些欠妥。因为厚度误差(t+/-0.02)指的是薄板的厚度误差应该在+/-0.02的范围之内,是独立的,而平行度与平面度是用来 ...

( H6 [; |* O5 s9 \5 C* o9 s
) f  w& I  m, h, W那是不是可以这样理解:平行度>平面度,即位置公差理论上应该大于形状公差?
' q& q. \6 C- f8 @" L- W依据在哪里?
 楼主| 发表于 2008-9-7 22:58:07 | 显示全部楼层 来自: 中国上海
原帖由 zhanghuihbh 于 2008-9-7 13:04 发表 http://www.3dportal.cn/discuz/images/common/back.gif7 K, O5 C9 D* m$ c
按附图所示我是这样理解的,两面平行度0.02指的是任意一点的板厚尺寸差不大于0.02,两面平面度0.1指的是整个平面允许有0.1的翘曲。这样标注可能更有利于加工,并不影响使用,因为这种薄垫圈只要在磨床上磨平了并保证 ...
5 M  v! X* }* b$ e& E( F7 q, u
: Q, o. g( {+ O4 |& V
那么这个零件的平行度怎么来测呢?
 楼主| 发表于 2008-9-9 00:39:58 | 显示全部楼层 来自: 中国江苏无锡
没人回答阿~
发表于 2008-9-9 07:52:42 | 显示全部楼层 来自: 中国福建厦门
标注不合理,标注时就应考虑到测量。
发表回复
您需要登录后才可以回帖 登录 | 注册

本版积分规则


Licensed Copyright © 2016-2020 http://www.3dportal.cn/ All Rights Reserved 京 ICP备13008828号

小黑屋|手机版|Archiver|三维网 ( 京ICP备2023026364号-1 )

快速回复 返回顶部 返回列表