QQ登录

只需一步,快速开始

登录 | 注册 | 找回密码

三维网

 找回密码
 注册

QQ登录

只需一步,快速开始

展开

通知     

查看: 1832|回复: 11
收起左侧

[求助] 压力为7MPa,流量为22L/min的电磁阀?

[复制链接]
发表于 2008-8-5 09:39:44 | 显示全部楼层 |阅读模式 来自: 中国四川宜宾

马上注册,结识高手,享用更多资源,轻松玩转三维网社区。

您需要 登录 才可以下载或查看,没有帐号?注册

x
工作压力为4MPa,流量为20L/min的电磁阀,二位三通的,共三个电磁阀,有叠加在一起的电磁阀组吗?哪个公司有卖的,我在网上查不到呢?3 O' V+ N5 V7 I/ ^& L

6 I6 Y' Z$ P, ?' J% U* E' J先谢了!
发表于 2008-8-5 10:22:26 | 显示全部楼层 来自: 中国四川成都
叠加阀的方向控制阀中只有单向阀和单液控单向阀,没有电磁换向阀。华德的3WE6系列板式电磁换向阀能满足你的压力和流量要求。

评分

参与人数 1三维币 +1 收起 理由
自流井 + 1 应助

查看全部评分

发表于 2008-8-5 14:14:50 | 显示全部楼层 来自: 中国浙江宁波
华德的3WE6,还有m-SEW6电磁球阀也可以用.
; s4 h6 [+ v( H1 w/ l8 T" ]另外有很多公司的螺纹插装式的电磁换向阀也可以达到你的要求.4 [% h0 l7 d. i  U" N& G5 X
& P( n3 G$ ?+ ]' z7 r$ S- n
最好把你的系统原理图传上来,大家给你一个参考方案

评分

参与人数 1三维币 +2 收起 理由
自流井 + 2 应助

查看全部评分

发表于 2008-8-5 14:40:47 | 显示全部楼层 来自: 中国北京
原帖由 jiangdao350 于 2008-8-5 09:39 发表 http://www.3dportal.cn/discuz/images/common/back.gif
: Y; j7 j  I6 [' e5 O工作压力为4MPa,流量为20L/min的电磁阀,二位三通的,共三个电磁阀,有叠加在一起的电磁阀组吗?哪个公司有卖的,我在网上查不到呢?' e' ?) F$ b( _5 W" G1 X
6 M7 B& }1 [! L: B0 l8 y. @- i
先谢了!
  ~  v0 ^" B0 o" T* \/ G& G3 z
是3个叠加在一起的电磁阀么?
头像被屏蔽
发表于 2008-8-5 17:35:17 | 显示全部楼层 来自: 中国广东广州
提示: 作者被禁止或删除 内容自动屏蔽
 楼主| 发表于 2008-8-9 09:24:39 | 显示全部楼层 来自: 中国四川宜宾
就是叠加在一起的,螺纹插装式的电磁换向阀是可以满足,我看了价格还是比较贵的
发表于 2008-8-10 10:48:25 | 显示全部楼层 来自: 中国江苏苏州
你上一个原理,让大家知道你需要什么样的功能。否则没法讨论。
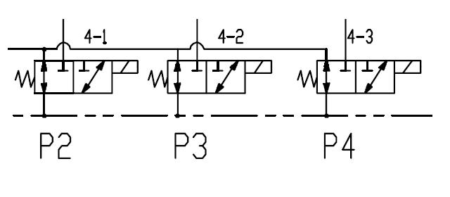
 楼主| 发表于 2008-8-10 21:46:45 | 显示全部楼层 来自: 中国四川宜宾
这是原理图,请大家参考讨论
原理图.JPG
发表于 2008-8-10 21:55:01 | 显示全部楼层 来自: 中国北京
给我的感觉你的原理图不大对.
0 S: {4 J  K% W, w" m呵呵,只是猜测.
& Z- C' n8 W3 T( F* ?像这种阀组自己做个块就解决问题了.
发表于 2008-8-11 13:13:54 | 显示全部楼层 来自: 中国河南郑州
原帖由 jiangdao350 于 2008-8-9 09:24 发表 http://www.3dportal.cn/discuz/images/common/back.gif7 x" i" F  \  S( O2 i
就是叠加在一起的,螺纹插装式的电磁换向阀是可以满足,我看了价格还是比较贵的
! a% I4 L4 H: X4 @0 d. B- X4 k
7 i4 D+ n7 ?- w/ }% |' e$ ?: k
看来只是成本的问题了,: d5 s9 c" w8 W* k
那就跟 榆次  华德 立新联系一下看,估计应该比进口的便宜
发表于 2008-8-11 19:33:29 | 显示全部楼层 来自: 中国江苏苏州
没标注PTAB,不知道具体油口的定义。不过4MPA的压力用普通的4WE6D的电磁阀就能实现。这么低的压力T口可以封死的。
发表于 2008-8-11 19:37:45 | 显示全部楼层 来自: 中国浙江杭州
看到过3个电磁阀装一起的,不知道是不是算叠加
发表回复
您需要登录后才可以回帖 登录 | 注册

本版积分规则


Licensed Copyright © 2016-2020 http://www.3dportal.cn/ All Rights Reserved 京 ICP备13008828号

小黑屋|手机版|Archiver|三维网 ( 京ICP备2023026364号-1 )

快速回复 返回顶部 返回列表