QQ登录

只需一步,快速开始

登录 | 注册 | 找回密码

三维网

 找回密码
 注册

QQ登录

只需一步,快速开始

展开

通知     

查看: 3964|回复: 18
收起左侧

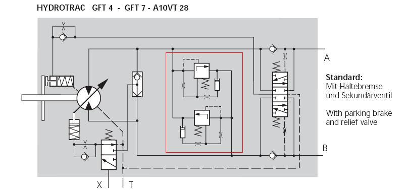
[求助] 力士乐GFT减速机原理图有看不懂的地方

[复制链接]
发表于 2008-8-5 09:27:34 | 显示全部楼层 |阅读模式 来自: 中国浙江杭州

马上注册,结识高手,享用更多资源,轻松玩转三维网社区。

您需要 登录 才可以下载或查看,没有帐号?注册

x
图中画红框部分是什么阀啊?是什么原理?
未命名1.JPG

评分

参与人数 1三维币 +1 收起 理由
自流井 + 1 对力士乐着迷了吗?

查看全部评分

发表于 2008-8-5 09:47:44 | 显示全部楼层 来自: 中国北京
因为是双向变量液压马达,这个阀好像是双向平衡的。
发表于 2008-8-5 10:52:14 | 显示全部楼层 来自: 中国浙江宁波
双向缓冲过载阀,减小启动和停止时的冲击,工作时起过载保护作用;纯粹过载阀启动时压力曲线是先高然后降低至正常工作压力,缓冲过载阀则是先低然后逐步提高至工作压力,这样在启动和停止时可以实现平稳启动和停止;2 t3 n$ _: O  E4 R
原理图上下面阀的才是双向平衡阀;
' E  i& [, _5 v- c2 j, T; @4 y  v) K6 _4 O+ W/ m
[ 本帖最后由 sealive_leafage 于 2008-8-5 10:54 编辑 ]

评分

参与人数 1三维币 +6 收起 理由
自流井 + 6 应助

查看全部评分

 楼主| 发表于 2008-8-5 12:35:22 | 显示全部楼层 来自: 中国浙江杭州
红框里面那两个像液压缸的是什么东西?
发表于 2008-8-5 14:06:19 | 显示全部楼层 来自: 中国浙江宁波
4#
5 v3 m. a) B, p$ f5 k5 ?红框里面那两个像液压缸的是什么东西?! |# M7 i8 j" k# w- o5 h" q
$ w/ V* A" l! Y7 p2 z
这是缓冲过载阀最重要的缓冲感应部分.由它来控制缓冲的时间及压力.

评分

参与人数 1三维币 +2 收起 理由
自流井 + 2 真强

查看全部评分

 楼主| 发表于 2008-8-5 14:47:42 | 显示全部楼层 来自: 中国浙江杭州
我明白了,谢谢大家伙
发表于 2008-8-6 20:09:34 | 显示全部楼层 来自: 中国四川绵阳
原帖由 mickey_yanjx 于 2008-8-5 14:06 发表 http://www.3dportal.cn/discuz/images/common/back.gif, w, F5 \) q4 t1 u& ?. W3 N
4#
/ X1 E( q, Z; Z& w! E, k红框里面那两个像液压缸的是什么东西?
) I7 i) Z1 C) i  V
/ r; w1 @. @: A7 j: @7 Y这是缓冲过载阀最重要的缓冲感应部分.由它来控制缓冲的时间及压力.
8 a2 ^0 \& ~% `' Y7 e' S) ?

: s# f; J/ C6 V0 X9 |这个应是关键的地方,可力士乐做的就是保密了
发表于 2008-8-6 20:56:06 | 显示全部楼层 来自: 中国浙江宁波
就是缓冲过载阀。油缸一样的东西就是二次压力控制,快动时,压力油来不及进入你们所谓的油缸,低压过载打开,慢动时,通过节流小孔,压力油进入你们所谓的油缸,开启压力增大,高压过载。
发表于 2008-8-7 16:53:07 | 显示全部楼层 来自: 中国山东济南
又学了不少哈
  ]5 S1 a7 g7 P力士乐的东西还真多哈
发表于 2008-10-16 11:44:41 | 显示全部楼层 来自: 中国山东济南
力士乐的马达见过不少,怎么没见有油缸的,第一次见,谢谢讲解,真是学知识了。
发表于 2008-10-17 12:52:30 | 显示全部楼层 来自: 中国安徽马鞍山
:lol: :lol: 3 r& y+ P* d( n, K: x: n
标准的两级户射式缓冲阀,也称软启动阀
& h5 T( @& Y* S" d目的是较小起动制动时的压力冲击3 s6 c. y5 K  k4 u
具体原理是,把启动时的阶跃负载转化为两个平台信号,图中的节流口和小柱塞控制时间可压力2 l) ^( @, ~2 h+ V
挖掘机回转、行走一般都市这样的控制) e7 [( N1 F# N
相关的结构原理介绍的文章也 很多
发表于 2008-10-17 19:38:18 | 显示全部楼层 来自: 中国广东广州
sunring2k解说得很对,这并不是什么新技术了,力士乐90年代就有了.
发表于 2008-10-17 21:57:30 | 显示全部楼层 来自: 中国广西贺州
启动缓冲以及制动缓冲
发表于 2008-10-17 22:26:05 | 显示全部楼层 来自: 中国重庆
向大家学习!
发表于 2008-10-22 20:25:10 | 显示全部楼层 来自: 中国湖南长沙
学习 学习 第一次看到这样的东东
发表于 2008-10-22 20:26:00 | 显示全部楼层 来自: 中国湖南长沙
学习 学习 第一次看到这样的东东
发表于 2008-10-23 11:01:02 | 显示全部楼层 来自: 中国北京
出来学习一下吧,液压系统故障诊断和维修技术培训班$ W, m/ H4 ?4 p; W7 K' J) Y9 m
一、时间  2008年11月28日—12月1日,27日全天报到。0 Y8 a2 {- {5 k" \/ \+ x9 |
二、地点  贵阳. B9 |4 T0 m/ |, q8 ~* b
三、培训内容$ e* k! Q: u: k3 Q0 Y, O+ Q
第1章  液压回路
% s: w5 |$ K  U1 y8 B- e: x% G1  压力控制回路' s+ {! p# A+ g
2  速度控制回路- x+ X0 W3 c6 K
3  方向控制回路( o0 ~/ H  A8 ^6 }( X- q( N0 ]
第2章  液压系统常见故障及排除与改进5 ]* i4 j' H; L
1  压力失控问题及排除; Z" `* O' }' o" S3 k4 W. b/ `
2  速度失控问题及排除3 C$ l0 G+ _3 j( {3 ]0 M0 v
3  动作失控问题及排除
8 `6 f4 K* I9 y9 Q9 J3 u* g5 Q4  温度升高异常问题及排除
3 R& X* T! W* N, N5  振动与噪声问题及排除0 _+ w% F) h2 G3 t
6  液压泵故障诊断与排除(包括变量泵的使用维修)% u/ \2 m( V- ?* r+ q! p; `6 w
7  液压阀故障诊断与排除(包括伺服阀与比例阀的使用维修)
' \  G. o; @% _$ n7 i; c5 b8  液压缸故障诊断与排除
6 {6 `  Y% \  M2 \: c7 A# _9  液压马达故障诊断与排除* u" M, |0 ?8 ~
10 液压辅件故障诊断与排除. W' t% P. i1 _( q  \& j
第3章  泄漏的诊断与防治; {( e% G2 X; c' S6 p
1  密封失效分析4 V! _. U2 H: p2 @/ i8 b  k
2  消除泄漏的改进措施
+ x6 x1 K% I0 {+ A: v, M& O" {% Z9 u第4章  液压元件与系统的测试
! \$ z6 ?) D( v4 |, \1  通过观察测试判断液压装置的状态
, r+ b1 q$ H; }- @, x2  通过现场实验判断液压元件的状态
' r" \. k! J0 v" r; |' F+ B0 s0 q3  液压元件拆卸分解及诊断0 }: E, A: m9 N8 F  B1 h6 [! d
第5章  液压检测装置及参数测量诊断法
( A9 |' a/ x( A! A. P3 p. U1  液压系统故障现场快速诊断仪器
# Z9 c3 G! i% q" l& T; B# @) Q2  简易数字液压检测仪及应用, M8 T! j, e: @4 [$ w4 p
3  综合型参数检测装置用于液压故障诊断. T8 x% _3 D& b0 r
第6章  液压故障诊断的策略与技巧# \* c/ Q9 l3 X, f( X, c
1  找出故障的特征信息
& W4 O. W7 N' _% M5 j2  设定故障检测的先后次序3 C1 ~) _  V: y0 p
3  积极假设,严谨验证. F9 h2 @$ \) u5 k" T
4  化整为零 层层深入4 F1 R! n" E$ [2 x+ ]4 ?8 v3 \
5  聚零为整 综合评判
6 @( l# f& T; ^- P6  抓住关键,顺藤摸瓜+ n& C: y3 u( ~' n+ [
7  相似类比,触类旁通  r; q, {0 k( K; [% t9 J' W' {1 }
第7章   液压系统安装调试
- _7 T# Y  ^$ E- a1  液压设备的安装
: N4 _9 E0 v2 ]0 ]  [9 p. j8 A2 |# b2  液压系统的清洗" A! L: c1 _  V) G- B0 A
3  液压系统的调试$ S' K3 f" q+ ~: J
第8章  液压系统维护与管理: {  [% `7 |- [" a9 O
1  液压系统日常检查4 |; I8 r7 ~; ?9 B
2  液压系统维护
; r6 b: F9 s, l9 Q$ _7 _; N) j3  液压系统污染的防治; U$ R; k' a6 x% w, ~6 i+ W6 r
第9章  液压故障诊断与排除实训课堂练习(模拟现场实际问题分析与处理)( R+ h$ R) r2 O9 z8 p' l
1  液压元件故障诊断与排除实训
6 W1 w: h* D' B2  液压系统故障诊断与排除实训
0 W, f  g7 i6 Q' G, R2 }! G" p第10章  学员实际疑难问题解答与交流(学员可将有关图纸资料带来)3 Y% e4 k- {$ H# R8 ?% I1 c
四、培训专家
( X% h* C1 H* P: l5 O      黄志坚: 工学博士;现任广东工业大学教授,硕士生导师,广东省液压气动学会理事,广东省维修学会理事,中国机械工程学会流体传动分会液压委员会委员,著有《液压设备故障分析与技术改进》、《液压设备故障诊断与监测实用技术》等10多部著作,在国内作了几十场液压技术培训,受到广大学员普遍好评。   
+ w1 \, s# }3 z* ?( u% G8 F, s* H五、培训对象
3 C8 G+ Y9 E8 j% W7 o3 d& o    1.主管设备和生产的企业管理人员;5 M1 B9 {" Z' d' g! h* Z' y
    2.设备维护维修工作的液压、机械工程师;" ]0 ^9 |; y9 {! A" I
    3.设备管理工程师,设备点检工程师,设备检测诊断工程师; 2 K0 q. v6 _% q# ]  x! A
    4.液压设备使用和维修技师或技术骨干;
$ d' ~0 [  t- ]3 d- B+ [6 w) ]/ e    5. 设备维修、油品采购相关业务人员。/ A7 C/ i# p$ T
六、培训费用: 1650元/人  (食宿统一安排,住宿费自理) : o2 e* m! K) V; }# ?2 Z4 X3 r
七、联系方式   中企设协(北京)服务中心设备管理事业部9 Z  t: e# r, [7 B, q  A
电  话:010-51702521                        传 真:010-51702519
8 X  j2 h( Y0 F6 i  e3 ^2 P联系人:刘立国                             E-mail:huiwu2010@163.com
发表于 2008-10-23 17:01:09 | 显示全部楼层 来自: 中国北京

学习

11楼解释很好啦。我也赞同此观点
发表于 2008-10-23 17:02:59 | 显示全部楼层 来自: 中国北京
11楼解释很好啦。我也赞同此观点
发表回复
您需要登录后才可以回帖 登录 | 注册

本版积分规则


Licensed Copyright © 2016-2020 http://www.3dportal.cn/ All Rights Reserved 京 ICP备13008828号

小黑屋|手机版|Archiver|三维网 ( 京ICP备2023026364号-1 )

快速回复 返回顶部 返回列表