QQ登录

只需一步,快速开始

登录 | 注册 | 找回密码

三维网

 找回密码
 注册

QQ登录

只需一步,快速开始

展开

通知     

查看: 1339|回复: 4
收起左侧

[求助] 哈威泵V60N温升异常

[复制链接]
发表于 2008-7-31 15:35:11 | 显示全部楼层 |阅读模式 来自: 中国重庆

马上注册,结识高手,享用更多资源,轻松玩转三维网社区。

您需要 登录 才可以下载或查看,没有帐号?注册

x
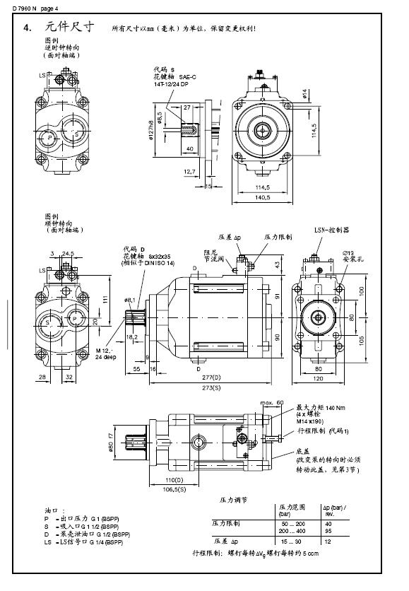
刚遇上的哈威V60N-90-LDUN-1-0-02 LSN-2型泵,发现泄油口总是吸油,泵体温升较快,进油口温度正常,出油口温升正常,是什么问题导致?当时转速在800rpm,压力有10MPa.- @* g) ?( e3 P1 ^3 k9 K/ ~' Z6 d! [

5 M6 I6 R1 O* t& c6 D D7960N-cn.pdf (387.46 KB, 下载次数: 13)
发表于 2008-7-31 16:36:59 | 显示全部楼层 来自: 中国江苏无锡
大家一起学习!
a.JPG
b.JPG
c.JPG
d.JPG
e.JPG

评分

参与人数 1三维币 +5 收起 理由
柠檬咖啡 + 5 积极应助

查看全部评分

发表于 2008-7-31 19:48:30 | 显示全部楼层 来自: 中国河南安阳
1.温升较快,不知楼主测过温度是多少,要是50度应该是正常的,我曾经测过/ l: ?: ^- ?, ^6 Y1 b( g6 c" v
  2.泄油口吸油这要咨询哈威了,是不是泄油油口在内部应该和吸油口相通的,有的
! }7 W* j* A( W  i2 `    泵上没泄油口我想就是这样解决的

评分

参与人数 1三维币 +2 收起 理由
柠檬咖啡 + 2 应助

查看全部评分

 楼主| 发表于 2008-8-1 08:22:32 | 显示全部楼层 来自: 中国重庆
从泵原理图上看泄油口L与吸油口S没有相通,当时温升应超过60℃。
发表于 2008-8-1 10:20:06 | 显示全部楼层 来自: 中国重庆
有没有人解说一下这个泵的工作原理呀,那个阻尼节流阀怎么调有什么用呢?
发表回复
您需要登录后才可以回帖 登录 | 注册

本版积分规则


Licensed Copyright © 2016-2020 http://www.3dportal.cn/ All Rights Reserved 京 ICP备13008828号

小黑屋|手机版|Archiver|三维网 ( 京ICP备2023026364号-1 )

快速回复 返回顶部 返回列表