QQ登录

只需一步,快速开始

登录 | 注册 | 找回密码

三维网

 找回密码
 注册

QQ登录

只需一步,快速开始

展开

通知     

查看: 2291|回复: 8
收起左侧

[分享] 一个建议:有关学习Automation Studio 的建议

[复制链接]
发表于 2008-7-30 16:46:27 | 显示全部楼层 |阅读模式 来自: 中国河北唐山

马上注册,结识高手,享用更多资源,轻松玩转三维网社区。

您需要 登录 才可以下载或查看,没有帐号?注册

x
学习Automation Studio 最大的障碍大概在于学习资料的匮乏。论坛里有许多对该软件感兴趣的朋友,其中不乏经验丰富者。通过交流学习定能帮助大家更好地领悟该软件。有一个小小建议,不知是否可行:
: h; \. X5 S' y4 M7 S- b1.分享学习资料。
, M. A/ a" C8 X2.分享学习经验。9 V7 D) `% ?- ~
3.轮流出题。出题者提供液压系统原理图和相关资料。自愿做题。过程中出现的问题可以及时交流。- N% ^9 r  J4 v: j' c" k! O
4.可以建立一个专用的诸如QQ群的交流空间。
发表于 2008-7-31 14:15:52 | 显示全部楼层 来自: 中国江苏苏州
是不是开一个液压仿真专区更好?现在不少人开始用仿真软件了,开个专区交流更方便。论坛上讨论过的东西可以再来搜索作为参考。群里讨论完就没了。
 楼主| 发表于 2008-8-1 08:14:31 | 显示全部楼层 来自: 中国河北唐山
原帖由 46792974 于 2008-7-31 14:15 发表 http://www.3dportal.cn/discuz/images/common/back.gif
( F9 {9 y) A! d6 u* [是不是开一个液压仿真专区更好?现在不少人开始用仿真软件了,开个专区交流更方便。论坛上讨论过的东西可以再来搜索作为参考。群里讨论完就没了。

: f1 z9 x' w/ H7 n4 v+ M我觉得这样也行,主要增加交流。
发表于 2008-8-1 09:34:38 | 显示全部楼层 来自: 中国浙江杭州
原帖由 tudou198423 于 2008-7-30 16:46 发表 http://www.3dportal.cn/discuz/images/common/back.gif% M9 ^9 [4 Q( F
学习Automation Studio 最大的障碍大概在于学习资料的匮乏。论坛里有许多对该软件感兴趣的朋友,其中不乏经验丰富者。通过交流学习定能帮助大家更好地领悟该软件。有一个小小建议,不知是否可行:0 F2 h7 _/ ?4 C+ s
1.分享学习资料。 ...

/ q/ j9 _- s' @% ?非常赞成楼主的建议,现在用Automation Studio基本上靠其自带的说明档,但是感觉说明档还是写得比较简单,很多内容都没有深入进去。根据这个软件的简介我认为还有很多功能我们都没有用,希望大家能够群策群力一起提高、进步。
 楼主| 发表于 2008-8-1 10:08:21 | 显示全部楼层 来自: 中国河北唐山
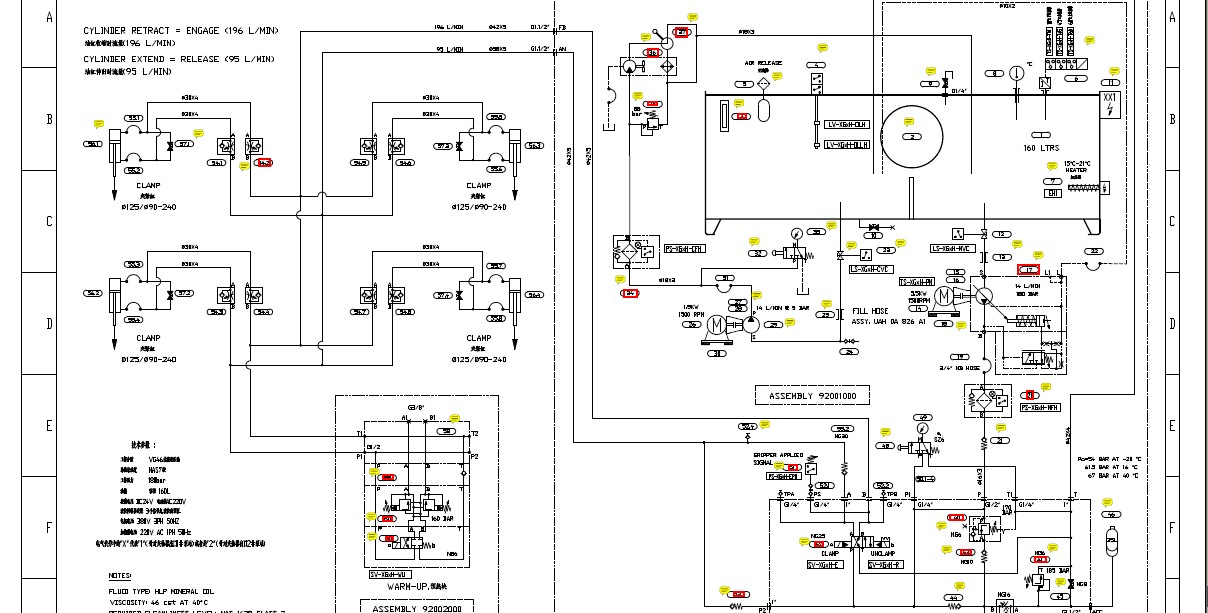
我先出个吧,下面是一个相对比较简单的液压系统。针对系统做了简单编辑,可以看到大部分元件型号。
Adobe Acrobat Professional - [9200Y001-B.jpg

9200Y001-B.pdf

303.12 KB, 下载次数: 37

发表于 2008-8-1 12:16:11 | 显示全部楼层 来自: 中国陕西咸阳
这个想法好,我赞同。谢谢
发表于 2008-8-1 14:51:15 | 显示全部楼层 来自: 中国江苏苏州
原帖由 tudou198423 于 2008-8-1 10:08 发表 http://www.3dportal.cn/discuz/images/common/back.gif
+ A9 w" `/ A7 `# c7 {$ D2 S$ w我先出个吧,下面是一个相对比较简单的液压系统。针对系统做了简单编辑,可以看到大部分元件型号。
叠加阀是不是可以做专门的元件库?怎么做?
 楼主| 发表于 2008-8-1 15:08:44 | 显示全部楼层 来自: 中国河北唐山
原帖由 46792974 于 2008-8-1 14:51 发表 http://www.3dportal.cn/discuz/images/common/back.gif
2 _; f; w, w' X: T7 |叠加阀是不是可以做专门的元件库?怎么做?
) ]2 H9 r' h5 T5 K/ h5 h
我觉得叠加阀可以不做元件库,只要性能上相通就可以替代使用。大家可以继续发表意见
发表于 2008-8-2 23:18:17 | 显示全部楼层 来自: 中国台湾
油壓的資料庫較不足…/ b5 K2 B9 s( ]- e! @: a
目前有用這個在做基礎的教學…/ g/ x, n+ Z$ {% z
覺得很不錯…但…就是有些圖庫少了一些,
1 o! ]4 T* |6 U1 G7 A& t  i聽說可以自設…但我不會用…
( @- F3 h5 K7 R" J) B* K7 k& H% O8 }不知道有沒有大大能分享一下
发表回复
您需要登录后才可以回帖 登录 | 注册

本版积分规则


Licensed Copyright © 2016-2020 http://www.3dportal.cn/ All Rights Reserved 京 ICP备13008828号

小黑屋|手机版|Archiver|三维网 ( 京ICP备2023026364号-1 )

快速回复 返回顶部 返回列表