QQ登录

只需一步,快速开始

登录 | 注册 | 找回密码

三维网

 找回密码
 注册

QQ登录

只需一步,快速开始

展开

通知     

查看: 1650|回复: 6
收起左侧

[求助] 关于CPDG10液控单向阀内泄露问题

[复制链接]
发表于 2008-7-23 11:08:07 | 显示全部楼层 |阅读模式 来自: 中国广东江门

马上注册,结识高手,享用更多资源,轻松玩转三维网社区。

您需要 登录 才可以下载或查看,没有帐号?注册

x
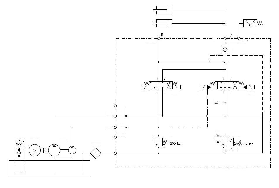
关于CPDG10液控单向阀内泄露问题,如图所示,液控单向阀型号为CPDG-10-E-30-20,开启压力2kgf/cm^2.现在油缸无杆腔接压力表,待压力加至压力开关限定压力210bar时,油泵停止向油缸供油,油缸依靠液控单向阀保压。现从压力表观测,压力会在2分钟降到200bar.感觉液控单向阀泄露比较大。换过液控单向阀,依然是这样。然后将连接油缸的油管拆下,将两个口堵上,在液控单向阀后接一压力表检测,发现压力降的比较慢,大约十分钟降10bar,这种情况正常吗?对于液控单向阀来讲。
无标题.jpg
发表于 2008-7-23 11:33:01 | 显示全部楼层 来自: 中国浙江杭州
首先,一般液控单向阀应该配Y型机能的方向阀比较好吧,O型或者G型的中位切换时可能有残余压力导致液控单向阀被打开。还有你用螺堵堵住油路压力下降情况有有所好转,说明你的油缸的内泄可能影响比较大。

评分

参与人数 1三维币 +3 收起 理由
柠檬咖啡 + 3 积极应助

查看全部评分

发表于 2008-7-23 11:35:07 | 显示全部楼层 来自: 中国上海
不知是不是你系统画的有问题,为什么电磁换向阀的T口和系统大泵的P口连接?你检查一下。如有什么疑问,你可以用MSN和我联系,我的msn是houym918@hotmail.com

评分

参与人数 1三维币 +2 收起 理由
柠檬咖啡 + 2 积极应助

查看全部评分

发表于 2008-7-24 09:13:23 | 显示全部楼层 来自: 中国河北唐山
同意二楼的观点,如果在液控单向阀和液压缸之间没有泄露的话,那就是液压缸的内泄比较大了
发表于 2008-7-24 14:38:35 | 显示全部楼层 来自: 中国湖南衡阳
我感觉还是你设计的回路有问题呀!

评分

参与人数 1三维币 +1 收起 理由
柠檬咖啡 + 1 参与交流

查看全部评分

发表于 2008-7-26 11:42:37 | 显示全部楼层 来自: 中国广东江门
你的液控单向阀外控口接通的是M型换向阀,会有残佘压力把单向阀顶起所以不保压,外泄口和溢流阀共用回油口好易有背压,加上还有个回油滤器,
发表于 2008-7-27 12:05:21 | 显示全部楼层 来自: 中国四川成都
同意2楼的看法,选择换向阀的中位机能时要考虑单向阀。否则,液压缸会产生“爬行”
发表回复
您需要登录后才可以回帖 登录 | 注册

本版积分规则


Licensed Copyright © 2016-2020 http://www.3dportal.cn/ All Rights Reserved 京 ICP备13008828号

小黑屋|手机版|Archiver|三维网 ( 京ICP备2023026364号-1 )

快速回复 返回顶部 返回列表