QQ登录

只需一步,快速开始

登录 | 注册 | 找回密码

三维网

 找回密码
 注册

QQ登录

只需一步,快速开始

展开

通知     

查看: 5944|回复: 35
收起左侧

[讨论] 单向阀的压差与开启压力有何关联?新加了截图,希望大家能参与

[复制链接]
发表于 2008-7-16 08:35:34 | 显示全部楼层 |阅读模式 来自: 中国河北唐山

马上注册,结识高手,享用更多资源,轻松玩转三维网社区。

您需要 登录 才可以下载或查看,没有帐号?注册

x
如题,看资料得知,流体通过单向阀的压力差并不是简单的等于其开启压力。大家讨论下。。。$ U( f: U2 F4 \  s

$ q& j1 v/ n" {. \( I) f' n[ 本帖最后由 tudou198423 于 2008-7-18 14:26 编辑 ]
发表于 2008-7-17 18:21:45 | 显示全部楼层 来自: 中国北京
在该阀的额定流量内,压差和流速成线性正比关系

评分

参与人数 1三维币 +2 收起 理由
自流井 + 2 应助

查看全部评分

发表于 2008-7-17 20:24:08 | 显示全部楼层 来自: 中国河南南阳
原帖由 tudou198423 于 2008-7-16 08:35 发表 http://www.3dportal.cn/discuz/images/common/back.gif7 d& ?! x, H; `( f! B
如题,看资料得知,流体通过单向阀的压力差并不是简单的等于其开启压力。大家讨论下。。。
  c# r( S0 `! {4 a) ]
- m( ]: U' A5 M; r: g" ]) w0 O, U
通过单向阀的流量小于额定流量时,压差小于该单向阀的开启压力。0 {1 f2 R% f7 B$ r& G- S
这个议题好像以前讨论过,查不到了。

评分

参与人数 1三维币 +3 收起 理由
自流井 + 3 应助

查看全部评分

 楼主| 发表于 2008-7-18 08:30:35 | 显示全部楼层 来自: 中国河北唐山
昨天有点忙,没能及时跟帖,谅解!1 }2 g4 ]" W0 }4 L7 L
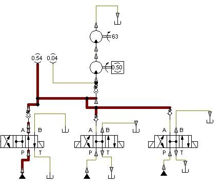
昨晚用automation studio 模拟了一个包含单向阀的简单系统,大家看看能从中得出什么结论。。。补充下:单向阀的开启压力为1bar。紫色数据为系统压力,绿色为流量,红色为压差# S3 x  `6 m+ _4 i! n4 Z8 T

) Z/ G' s, h  R. _4 V[ 本帖最后由 tudou198423 于 2008-7-18 08:33 编辑 ]
Automation Studio - [Project1  Diagram1]2.jpg
Automation Studio - [Project1  Diagram1]3.jpg
Automation Studio - [Project1  Diagram1]1.jpg

评分

参与人数 1三维币 +5 收起 理由
自流井 + 5 最好能打包上传,这样方便大家参与

查看全部评分

 楼主| 发表于 2008-7-18 14:28:34 | 显示全部楼层 来自: 中国河北唐山
原帖由 gxp1014 于 2008-7-17 18:21 发表 http://www.3dportal.cn/discuz/images/common/back.gif' p% h5 |5 W: X! a
在该阀的额定流量内,压差和流速成线性正比关系
是成正比关系,这位朋友确认是成线性正比关系吗?
发表于 2008-7-18 14:31:50 | 显示全部楼层 来自: 中国浙江温州
4楼的说得很好,很直观。支持一下,谢谢分享。
发表于 2008-7-18 15:40:54 | 显示全部楼层 来自: 中国江苏无锡
原帖由 tudou198423 于 2008-7-18 14:28 发表 http://www.3dportal.cn/discuz/images/common/back.gif
7 k2 C3 n' u( p' f3 d. i& o3 k是成正比关系,这位朋友确认是成线性正比关系吗?

0 T3 l5 B6 ~# F/ O$ c- j8 J2 {准确的来说通过薄壁小孔的压差与流量成正比线性关系.
2 K! C( E0 _9 O! D9 @9 M" Y8 l' s  c9 g9 q2 g. S
但是通常的阀线性不是很直,可以直接看下该阀的压力流量曲线& m, J2 ?8 o: F5 k
0 u2 u3 e, w$ ^6 i& c
样本上都有 流量大了,压差增加比线性略高

评分

参与人数 1三维币 +2 收起 理由
自流井 + 2 应助

查看全部评分

发表于 2008-7-18 15:54:39 | 显示全部楼层 来自: 中国上海
为什么流量越大泵出口的压力越高了呢?应该该随着节流阀开口增大压力降低的呀。有点弄不懂了。
 楼主| 发表于 2008-7-18 16:26:04 | 显示全部楼层 来自: 中国河北唐山
原帖由 46792974 于 2008-7-18 15:54 发表 http://www.3dportal.cn/discuz/images/common/back.gif
" n" T( t& F/ E5 g. o为什么流量越大泵出口的压力越高了呢?应该该随着节流阀开口增大压力降低的呀。有点弄不懂了。
7 F( \5 o5 y) O+ g7 n/ e* Z- e* k+ |
这个我也不是很清楚,刚开始接触这个软件,不是很熟悉。
发表于 2008-7-19 07:17:54 | 显示全部楼层 来自: 中国北京
1、同意7楼表述,实际任何物理关系都是都是经拟合后的,所以才有数学模型一说;1 K- A3 Y/ H; m6 \  c, v
2、4楼模拟原理图中我没看到有节流阀。
# ]  m; a# B! Z( y4 ]3 k   压力和流量是两个不同特性,他们仅和功率产生关系,而功率的输出取决于负载;
. P; R; \. [. v4 {7 v7 X& a   即使装了节流阀也不会改变这个关系。
6 Z! q2 j  ^5 {5 H& K5 w+ [& ]: K! ~3、楼主的软件有点意思,能不能发我一个:g.xp@sohu.com$ |, T, r! i+ v; x6 k
      谢谢!!
 楼主| 发表于 2008-7-20 08:11:06 | 显示全部楼层 来自: 中国河北唐山
原帖由 gxp1014 于 2008-7-19 07:17 发表 http://www.3dportal.cn/discuz/images/common/back.gif, a% O/ C# o8 F# L4 j# |
1、同意7楼表述,实际任何物理关系都是都是经拟合后的,所以才有数学模型一说;+ t& f& B0 Z- ]; a* P; W$ {% N+ m
2、4楼模拟原理图中我没看到有节流阀。
9 J, z* [3 Y1 g8 Q   压力和流量是两个不同特性,他们仅和功率产生关系,而功率的输出取决于负载;
' u. e& Z" c, u3 c' G4 a/ H   即使装 ...

: `9 \9 Q% x! L所模拟的系统中确实没有加节流阀,我也是刚刚接触这个软件。朋友如果想要的话,本论坛就有,你可以搜索下。* |& O% r# a; I# S  P/ e
http://www.3dportal.cn/discuz/viewthread.php?tid=214734&highlight=automation。看下这个。5 i/ `7 o6 x6 ^
另外,液压方面的软件还有几个,坛子里有个帖子讨论的很好,你也可以参考下。
% K( P0 M" i5 F+ k! yhttp://www.3dportal.cn/discuz/viewthread.php?tid=107345&highlight=automation
( h4 _* s8 M8 g* o) Y. j“实际任何物理关系都是都是经拟合后的,所以才有数学模型一说”。这句话大概就是各种模拟软件的精髓所在吧。
2 y& v* F5 s' ]3 S, E0 H* L* K! P大家一起学习

评分

参与人数 1三维币 +3 收起 理由
9619 + 3 积极参与发起的主题

查看全部评分

 楼主| 发表于 2008-7-20 08:18:12 | 显示全部楼层 来自: 中国河北唐山
自流井大哥的建议,我就把原文件上传。不过,该文件只能用automation studio 打开。

Project1单向阀.rar

15.01 KB, 下载次数: 7

发表于 2008-7-22 22:20:32 | 显示全部楼层 来自: 中国上海
automation studio的二通插装阀怎么设置?我为什么怎么设置都没有用呢。先导阀不起作用,插装阀当溢流阀用。是软件有问题还是怎么?
发表于 2008-7-22 22:59:28 | 显示全部楼层 来自: 中国上海
automation没弄懂呢。用festo fluidsim弄了一个。festo的液压件都流量非常小,所以我把泵调到0.5L/min。泵出口三个单向阀设置了开启压力1bar,被试单向阀开启压力为5bar。这样即使全开也到不了2L/min7 y* ?. x7 m; R  T
1.JPG 2.JPG 3.JPG 4.JPG 9 g. ~+ B& u/ l& K$ X) u/ ~9 J
四楼的时候可以把泵出口溢流阀去掉,以排除溢流阀对系统压力的影响?我试着同一个溢流阀流量不同的时候压力也是有差异的。所以就把溢流阀去掉了。
4 @  G6 A: y# ^; d7 r- p2 a) F$ I0 {1 Q4 E- p( s2 c: h
[ 本帖最后由 46792974 于 2008-7-22 23:13 编辑 ]

评分

参与人数 1三维币 +5 收起 理由
晨砂 + 5 技术讨论

查看全部评分

 楼主| 发表于 2008-7-23 07:50:19 | 显示全部楼层 来自: 中国河北唐山
原帖由 46792974 于 2008-7-22 22:59 发表 http://www.3dportal.cn/discuz/images/common/back.gif
* U0 C* B4 p" oautomation没弄懂呢。用festo fluidsim弄了一个。festo的液压件都流量非常小,所以我把泵调到0.5L/min。泵出口三个单向阀设置了开启压力1bar,被试单向阀开启压力为5bar。这样即使全开也到不了2L/min" s4 J7 m0 A2 u
9118199118209 ...
- S( t$ p" g  h; r* C2 ]8 Q+ P
感谢您的建议,我觉得系统中各个元件之间应该存在着某种关联。festo fluidsim 我也接触过,私下认为它更适合于教学用,把它推荐给了老师,老师很是喜欢。
' {, v: F3 S1 a: Q4 L晚上我试试把溢流阀去掉,看看对单向阀的压差有没有影响。
发表于 2008-7-23 21:47:01 | 显示全部楼层 来自: 中国北京
任何系统原理,都可以通过原理(元件)分析得出理论数据和实际工况结果;5 D& r0 n5 B5 l- Z( G3 z! u1 W' L
模拟软件只不过是将人对元件特性的理解流程化(简单叠加)罢了;1 U4 b+ Q1 j# n
建议大家多多交流不同阀的特性知识;多多交流样本资料;
发表于 2008-7-23 21:54:05 | 显示全部楼层 来自: 中国北京
我们就从单向阀开始;
# o# j/ D( x: k  @( {" X4 v" k请各位给单向阀做出总结性论述,大家一致通过后.再进行下一个阀件的研究.
发表于 2008-7-24 07:15:52 | 显示全部楼层 来自: 中国上海
原帖由 gxp1014 于 2008-7-23 21:47 发表 http://www.3dportal.cn/discuz/images/common/back.gif; Q3 Y6 l/ t( u3 o0 [
任何系统原理,都可以通过原理(元件)分析得出理论数据和实际工况结果;: P/ l6 J! u4 q: i% L$ F. D- }
模拟软件只不过是将人对元件特性的理解流程化(简单叠加)罢了;$ ?$ d% w. L4 o# n
建议大家多多交流不同阀的特性知识;多多交流样本资料;
2 D  T! T- a# ^: a, E
我感觉也是。理论性的东西不好验证的。模拟软件只是把理论性东西输到电脑里,也不能保证准确的。即使试验台试验也有随即性的。
 楼主| 发表于 2008-7-24 08:54:24 | 显示全部楼层 来自: 中国河北唐山
原帖由 gxp1014 于 2008-7-23 21:54 发表 http://www.3dportal.cn/discuz/images/common/back.gif
* B- h9 @% L/ o9 A0 ?我们就从单向阀开始;
8 N, X' k) _& N* b, n请各位给单向阀做出总结性论述,大家一致通过后.再进行下一个阀件的研究.

+ T7 e+ z* C/ t0 E9 B麻烦您给单向阀做个总结吧,您这个提议很好。
发表于 2008-7-26 09:39:18 | 显示全部楼层 来自: 中国北京
1、关于单向阀的理论特性和技术特性,在样本中表述的很清楚;但要归纳还需仔细整理资料;$ \9 q+ ~, G3 M" a$ m0 w
我会努力在周一完成;
' D! L: X  s+ F7 y7 f1 B2、对于单向阀的反向截止和正向导通(存在压力损失)在系统中的典型应用,大家可继续交流,这样会对这类阀加深了解;% Q5 n6 H& s  @
3、感谢tudou198423的信任。
发表于 2009-11-8 23:20:44 | 显示全部楼层 来自: 中国湖北武汉
这个好牛逼,正好是我最近遇到的问题,有解了,不知道楼主能否发个FLASH格式的动画,我好参考下,谢谢,zhangxv11@163.com
发表于 2009-11-8 23:22:29 | 显示全部楼层 来自: 中国湖北武汉
做个总结吧
发表于 2009-11-9 01:44:26 | 显示全部楼层 来自: 中国湖北孝感
小于开启压力也有流量通过吗  好像讲不通啊
发表于 2009-11-9 19:46:32 | 显示全部楼层 来自: 中国安徽芜湖
实际上说来说去,还是在说单向阀的工作原理." D' ?8 x0 F+ n1 c
找本英文的看看就明白了,国语的说得都不地道.
发表于 2009-11-9 20:26:31 | 显示全部楼层 来自: 中国北京
楼主设计这个油路有何目的,这种系统油缸运行不平稳,缺少被压在油缸回油箱的一端,流量增加过程中,单向阀的两端的压差也在增加,看不明白!
; Q, k" e& S; {单向阀一般在系统中与泵连用时,不是减压的目的,是保护泵的作用,防止逆转,损毁泵!
: Q- h' M6 y- ~6 D$ S, f作者的意图是不是想证明单向阀的减压作用?还是什么?我看作者画的定量泵,不是变量泵?
发表回复
您需要登录后才可以回帖 登录 | 注册

本版积分规则


Licensed Copyright © 2016-2020 http://www.3dportal.cn/ All Rights Reserved 京 ICP备13008828号

小黑屋|手机版|Archiver|三维网 ( 京ICP备2023026364号-1 )

快速回复 返回顶部 返回列表