QQ登录

只需一步,快速开始

登录 | 注册 | 找回密码

三维网

 找回密码
 注册

QQ登录

只需一步,快速开始

展开

通知     

查看: 3489|回复: 14
收起左侧

[讨论] 挖机行走马达跑偏的原因分析

[复制链接]
发表于 2008-7-12 21:09:52 | 显示全部楼层 |阅读模式 来自: 中国浙江宁波

马上注册,结识高手,享用更多资源,轻松玩转三维网社区。

您需要 登录 才可以下载或查看,没有帐号?注册

x
请各位同行讨论一下,造成挖机行走马达跑偏的可能原因!

评分

参与人数 1三维币 +2 收起 理由
晨砂 + 2 鼓励技术讨论!

查看全部评分

发表于 2008-7-13 02:29:33 | 显示全部楼层 来自: 中国上海
抛砖引玉,本人是说说自己经历,3 I% }6 W, K. R& f# y+ a
拿力士乐系统的说下9 F* N2 H$ k/ m
比如常见的系统能一般是A8VO双泵,M7多路阀,行走使用定量马达,常使用A2FE的. D  p; _0 j0 O' C1 T# D
以我遇见的列出,
! g( f1 \  M5 j
- R6 [5 h9 o& O! W, H- j1 c6 b1. 马达效率原因导致的跑偏,这种虽然不常见,但是由于其最好排除,故一般先考虑,判断方法极其简单,对调左右马达口AB口,症状相反则为马达原因,不变则不是马达原因。6 l' E; w8 ]  m6 `' O4 W

: K+ i; [  o% j; {* J( F2. 平衡阀原因,比如行走一般使用BVD制动阀,该阀只有一个弹簧,阀芯的两端结构不对称,所以阀在开启时,弹簧腔建压较慢,无弹簧腔建压较快,由于一般会选择同一型号的制动阀,则行走时必然是一个阀是弹簧腔进油,另一个非弹簧腔进油,故表现出的故障就是,启动时老是有一个快,如左前进先启动,则右后退也是先启动,因为左前进和右后退都是一样的,无弹簧腔。如果单是这种跑偏的故障,则只有启动时有,属动态特性不佳,但是启动后的静态特性还是不错的,因此行走开来后就不再跑偏。解决办法很简单,一个使用A型的制动阀,一个使用标准型(B型)的制动阀。但是一般都不会这么选,麻烦,而且等你发现是你又买不来A型阀了,那就把标准型的阀改装下,把弹簧倒在另一侧,自己改为A型,但是阀芯不要掉头。& i5 b7 P/ j- W! P8 e% k! Y& }
5 j% |; j. V6 Z2 l( b, a
3.中央回转接头的原因,有的是内泄导致,这没办法,只有更换,关键是如何判定是中央回转接头的原因这点很重要,如果不是它的原因,你让工人费了半天力换了但是没好,估计以后工人是不会信服你了,呵呵。
4 V) G1 K' B% w6 C众所周知,对调马达AB口如果排除马达、平衡阀原因后,对调主阀左右行走口,如果掉了后还是没变,那就考虑是中央回转接头的原因了。
# _0 y; F% `+ Z; b8 k, z. ]还有一种是中央回转接头不内泄,但是流道节流效应不同导致跑偏,我也遇到过,排除了所有原因,就落到中央回转接头上了,拆了中央回转接头就不偏了,但是把中央回转接头拆下后加压实验,上车口堵了一个,对应下车口加压,看其他口有无油液泄漏,他又不泄漏,四组口都是这样,最后拆开仔细查,和厂家一起试验得出结论,是由于流道的节流效应不同导致,这种的只有选个好厂家的或者加大流道了。- N) w9 W" n& A0 Z( e+ b

% r' W4 x, C  I# \4 先导控制油路不同,比如脚踏阀输出压力不同,这种的也好试验,可以只接一个踏板,然后用三通分出两路油控制两片阀,一个踏板控制两个阀,这样就可保证两片阀得到的先导控制压力是一致的,如果这样不偏了,那就是脚踏阀的原因。当然了,理论上你也可以画下脚踏阀的输出压力曲线看下,不过我不喜欢这样,一来麻烦,二来你无法保证两个传感器是一样的。3 {% V% d) d& z& P

5 }2 ]6 k4 n* G* Y9 g5 反馈管路长短不一致,是不是有的接错了不同的管子,比如一个1sn6的一个2sn6的,或者中间有阀的话,两个阀是不是有差异,这点容易忽略,而且也许有人会笑我,说有阀当然是选一样的了,可是要注意,反馈压力稍有差别就会跑偏,方法就是拆掉这些中间阀,直接从中阀到主泵,并保证管路一致。+ B+ _6 F) d! k) E
+ Y7 t5 D2 l9 |3 L# Z5 `
6.是否是接了额外的过滤器,做体外循环,若是,请先拆除体外循环过滤系统再试。
! D' a$ d+ S; X6 K+ K2 R! T, ]* i' D0 |
7 主泵设定不同导致流量不一致,一般常见是负载敏感压差设定弹簧调节不一致,就是主泵顶上那两个螺钉,即该弹簧和LS压力一起对抗泵口压力。显然这两个弹簧设定不一致的话,导致变量伺服阀的开度不同,流量必然不同。测定方法:切断LS压力,则泵会在最小排量下工作,原因就是该弹簧和主泵出口压力比较并控制变量伺服阀,无反馈压力,故最小排量。设定方法:定死油门,不做任何动作,测主泵两个出口压力,看是否一致,若不一致,调为一致,这个压力就是dp+管路损失压力,一般是3MPa左右,记得一定要使用一个传感器分别测两个泵出口压力,期间油门不要变,切不可用两个传感器同时测。, z, \3 T: [: J
主泵的第二个地方,因一般行走时主泵不会达到功率设定值,故肯定是在最大排量下工作,所以最大排量的设定会影响,一般做法是,如上所述,先把负载敏感压差设定弹簧调节一致了,并且判定是主泵原因,则就应该调节最大排量螺钉了,就是泵底下那两个大螺钉,把快的调小,知道行走一样速度。
( b$ K( r  @% ]+ Y: }% q( \# S8 X  }
: e# }  [0 g8 S+ M$ x" V$ c& J. A8 主阀阀芯行程原因,由于主阀在设定最大流量时,两片阀设定不同,可能其中一片阀芯行程被限制,故把流量到达到最大时通不过,则显慢,对付这种问题,一般使用小油门,不使用最大的流量工作,看他怎样,是不是不偏了,倘若小流量不偏了,则是阀芯最大流量设定不一致,处理方法就是放出较慢的阀芯行程,但是这个过程比较痛苦,要把两个前进的螺钉设一样,把两个后退的螺钉设一样,一定要细心。9 V' e! Z/ V7 n/ |/ G

1 Y7 Z8 s' J8 K" i* I最最让人头疼的就是不只一个问题,往往是好几个问题交叉叠加,这样就给查故带来极大困难,如果遇到复杂问题,建议加装流量计比较观察。排故时尽量把两套系统中对应元件想办法搞一致,搞不一致那就只好用可以调节的来补偿其他不可调节的元件了,当然更换时最简单的,但是最好还是调节补偿了,这期间需要缜密的分析,非一般的耐心,更需要吃苦耐劳的精神,以及对液压系统的极大热忱,更要有对你公司、对你负责产品的极大的责任心。( y* j4 r6 d# f4 b- j

  f4 E: U! q" J, O6 v8 _' D2 ^  L以上列举仅为个人经历分析,希望大家提出批评指正,更希望一起探讨交流。! q- L, n7 k6 A: R
! w1 _  U3 _% @$ u
[ 本帖最后由 yongdongji 于 2008-7-13 02:31 编辑 ]

评分

参与人数 1三维币 +10 收起 理由
晨砂 + 10 技术讨论

查看全部评分

发表于 2008-7-13 02:37:42 | 显示全部楼层 来自: 中国上海
忘了一条 2 I( d: t* b: H) Z. C
履带机械结构的不一致也会导致跑偏,比如张紧程度的不同,比如一个驱动轮的两侧垫块使用不一致导致某个驱动轮倾斜等问题也会跑偏。
发表于 2008-7-13 10:10:37 | 显示全部楼层 来自: 中国北京
也有用川崎K3V、K5V的双联泵,和KMX主阀的
: J6 g- C- m: C+ J yongdongji  说的很详细,补充一点这个可能还和反馈压力有关
发表于 2008-7-14 23:31:18 | 显示全部楼层 来自: 中国上海
川崎系统的使用中也遇见因为泵的原因过跑偏的,一般有两种情况的设置不同会导致跑偏,当然也可能是由于后续元件的问题,也可用调节主泵的方法补偿。( G4 P+ S7 I0 T* N1 Q( s' n
1.最大流量的调节(泵的最大摆角)
. F, o/ N+ D' }- b8 G3 w& @$ Z串联泵的最大流量调节螺钉在中间,即中间大两头小。并联泵则为靠近输入轴的为最大排量,对面为最小排量。调节螺钉拧紧,最大流量减少。6 r3 P, f# \, s* g  |4 }- S7 e  L
2.通过改变负向压力Pi2改变泵斜盘摆角,改变泵排量。
9 [3 C! \0 E$ l* _% ?. T, v# o5 r因调节器为负向流量控制,泵流量随压力信号Pi2的增加而减小。拧紧螺钉时,控制曲线向右移动。调节螺钉每拧紧1圈,K3V泵流量增大60 l/min.因此需要细心调节。
. O8 w& a( O# {+ S, I& N9 p, y% w
( {. D) H+ \8 I5 m& d% U* Z( N由于调节主泵具有立竿见影的效果,因此很多人喜欢不考虑其他原因直接调主泵,但是本人感觉,尽量找到后续元件导致跑偏的确切原因,排除问题根源,除非真的是主泵原因,或者找不到确切原因,或者无法修复更换后续元件,再选择调主泵,毕竟调节主泵之后会影响其他非行走执行机构的速度,也影响功率的匹配。
发表于 2008-9-12 14:53:06 | 显示全部楼层 来自: 中国上海
问一下楼主  如果重心偏向一侧   并且在行走时  两履带所处的地基情况不一样   是否能形成跑偏
发表于 2008-9-13 16:51:17 | 显示全部楼层 来自: 中国广西
原帖由 雨夜孤心 于 2008-9-12 14:53 发表 http://www.3dportal.cn/discuz/images/common/back.gif7 c. g4 z! U9 w# }# k
问一下楼主  如果重心偏向一侧   并且在行走时  两履带所处的地基情况不一样   是否能形成跑偏

" l% [# f' B" Z, @负载不一样会跑偏
发表于 2008-9-14 17:56:27 | 显示全部楼层 来自: 中国福建厦门
学习学习
发表于 2008-9-16 09:11:47 | 显示全部楼层 来自: 中国上海
原帖由 yongdongji 于 2008-7-13 02:29 发表 http://www.3dportal.cn/discuz/images/common/back.gif% J8 ^: i7 l; ?$ ^
抛砖引玉,本人是说说自己经历,
& o* M% o1 n; E+ N) Q8 o拿力士乐系统的说下* y; o$ j7 P# P1 Y+ X$ ^8 s+ u6 x
比如常见的系统能一般是A8VO双泵,M7多路阀,行走使用定量马达,常使用A2FE的' b3 C7 F$ q; V6 D- |0 g
以我遇见的列出,
+ z* |' n  g6 V0 @" @% H; P
+ D: R2 [5 r' @4 Q1. 马达效率原因导致的跑偏,这种虽然不常见,但是由于其最 ...
/ P- n9 A& P% k' J! v9 `

" v3 O7 [; C) y# c3 x; u& P 这是我来这个论坛看到的最经典的帖子了   f: Z- |8 l, e: |
楼主如果想去力士乐跟我说一声
发表于 2008-9-16 10:31:52 | 显示全部楼层 来自: 中国上海
原帖由 cd0201 于 2008-9-13 16:51 发表 http://www.3dportal.cn/discuz/images/common/back.gif
8 C7 Q" ]% Z, O
0 _6 N* ], C# _# T负载不一样会跑偏
+ i+ L' A6 h. @7 Y# S. u% ^

4 V! ]" _! |# w0 Z现在有没有什么有效的方法来解决由于负载问题而引起的跑偏,注:在行走过程中负载发生变化。
发表于 2008-9-16 10:39:27 | 显示全部楼层 来自: 中国上海
最有效而简单的办法就是操作人员目测随时调整
发表于 2008-9-16 10:57:35 | 显示全部楼层 来自: 新加坡
有原理图吗
发表于 2008-9-16 16:21:02 | 显示全部楼层 来自: 中国上海
原帖由 lh2008 于 2008-9-16 10:57 发表 http://www.3dportal.cn/discuz/images/common/back.gif
3 \  _* u! ^2 M, v/ @* [有原理图吗
: M7 D8 R/ s' p9 D$ {( c, u* {/ F
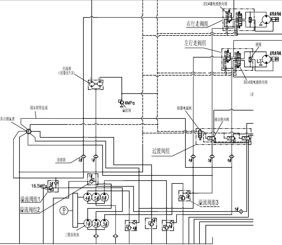
给大家发个原理图   该液压系统用在井下的掘锚机的行走系统中8 Y: W5 m  o) ^1 l/ P8 B  i# S
目前该机器所处的情况是  前进和后退都向右走偏    由于在井下巷道中  所以跑偏是很棘手的问题
# x% D: U8 x/ z6 }5 i! e该机器的重心偏右  右侧履带所处地基偏软  4 M7 E/ l/ N+ _/ h
请各位高手帮助解决一下  走偏的问题
图.JPG
发表于 2008-9-16 16:48:29 | 显示全部楼层 来自: 中国江苏南京
经典啊,学习中,永动机的回答让我对液压系统产生了极大的兴趣,以前在挖掘机厂实习过,后来却选择了学校当老师,看来暑假要辞职去工厂了,这个帖子影响了我。
发表于 2008-9-16 16:48:49 | 显示全部楼层 来自: 中国上海
补充一点
8 }! j' Z* k5 F通过多点测压表测定   两侧行走时   压力差在2~4MPa之间,右侧大于左侧
) z  _4 n/ E% x: X7 E# p9 |0 E% q! I8 \( U: P7 m: J  H
[ 本帖最后由 雨夜孤心 于 2008-9-18 16:00 编辑 ]
发表回复
您需要登录后才可以回帖 登录 | 注册

本版积分规则


Licensed Copyright © 2016-2020 http://www.3dportal.cn/ All Rights Reserved 京 ICP备13008828号

小黑屋|手机版|Archiver|三维网 ( 京ICP备2023026364号-1 )

快速回复 返回顶部 返回列表