QQ登录

只需一步,快速开始

登录 | 注册 | 找回密码

三维网

 找回密码
 注册

QQ登录

只需一步,快速开始

展开

通知     

查看: 1875|回复: 21
收起左侧

[已解决] 急!!帮忙做个 模型

[复制链接]
发表于 2008-7-12 16:14:24 | 显示全部楼层 |阅读模式 来自: 中国江苏苏州

马上注册,结识高手,享用更多资源,轻松玩转三维网社区。

您需要 登录 才可以下载或查看,没有帐号?注册

x
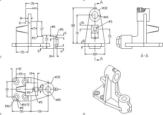
1.jpg 老师布置的作业  高手帮忙做下  小弟感激不尽阿7 x5 F8 [  v' h: u$ z5 `
    ' w, z6 i" b2 N( W6 }
按尺寸建立三维模型
) ?/ k2 }6 o" S0 B, B# ?  
/ u0 r. @1 h9 b( L8 Y  P% t* L0 _! ^8 N0 i4 a" y6 v
建模并保存为 . prt格式的文件 ,上传上来阿(要4.0的阿)' V) L7 R2 C* i: |, W

' z! C: t: |# K3 J( {$ u
* A( w7 k5 ]3 I[ 本帖最后由 feng6546 于 2008-7-13 18:44 编辑 ]
发表于 2008-7-12 18:10:35 | 显示全部楼层 来自: 中国河北沧州
既然是老师布置的作业就应该自己完成呀,这个不难呀,初学者更应该自己作了!
0 d- A6 c1 R7 c, C9 C& r% o
1 m( R6 N% ~8 D你们学校应该学的2.0吧。大家都用4.0-6.0了,上传了Prt你也交不了作业! 还是自己做吧,做个好孩子呀!
  D" q; U0 Q3 P3 U- D2 j" {/ p/ k9 @# T. o9 n. S* V) }) ?: N& b+ m: N8 y
[ 本帖最后由 beyond2009 于 2008-7-12 18:13 编辑 ]
发表于 2008-7-12 18:51:28 | 显示全部楼层 来自: 中国广西柳州
这有什么难的,几个拉伸就出来了,自己努力吧,呵呵!
 楼主| 发表于 2008-7-12 20:11:21 | 显示全部楼层 来自: 中国江苏苏州

回复 2# 的帖子

晕  就是初学者  不知道怎么画啊 你弄个样板给我哈  我再慢慢研究
 楼主| 发表于 2008-7-12 20:12:54 | 显示全部楼层 来自: 中国江苏苏州

回复 3# 的帖子

是不难啊 帮我弄个哈  我明天就要交作业了
发表于 2008-7-12 21:20:13 | 显示全部楼层 来自: 中国上海
老师布置的作业学生要偷懒
 楼主| 发表于 2008-7-12 21:29:19 | 显示全部楼层 来自: 中国江苏苏州

回复 6# 的帖子

:ang: :ang: :ang: :ang:
发表于 2008-7-13 00:01:33 | 显示全部楼层 来自: 中国江苏无锡
现在的学生咳,想帮也对不起自己的良心 啊
发表于 2008-7-13 09:31:21 | 显示全部楼层 来自: 中国山西朔州
我给你发一个。NX6作的,第一次用NX6,试一试手。
model1.jpg

model1.rar

135.43 KB, 下载次数: 4

发表于 2008-7-13 17:48:39 | 显示全部楼层 来自: 中国江苏常州
做了也白做哦,他们老师肯定不是用6.0,到时候打不开就有的好看哦 :lol: :lol:
 楼主| 发表于 2008-7-13 18:39:28 | 显示全部楼层 来自: 中国江苏苏州

回复 9# 的帖子

非常非常感谢阿  这作业明天就得交了 :handshake good good
 楼主| 发表于 2008-7-13 18:43:21 | 显示全部楼层 来自: 中国江苏苏州

回复 9# 的帖子

4.0的打不开阿  哭 ~~~~~~
 楼主| 发表于 2008-7-13 18:45:06 | 显示全部楼层 来自: 中国江苏苏州

回复 10# 的帖子

被你猜对了  6.0的打不开 ~~~~ :funk:
发表于 2008-7-13 20:36:37 | 显示全部楼层 来自: 中国天津
UGNX4.0的   下次记得自己做啊  不要偷懒
发表于 2008-7-13 20:38:20 | 显示全部楼层 来自: 中国天津
这是我做的 UGNX4.0
wangluo-080713.jpg

wangluo-080713.rar

93.72 KB, 下载次数: 2

发表于 2008-7-13 20:39:33 | 显示全部楼层 来自: 中国天津
楼上的 圆弧部分做的不对吧
发表于 2008-7-13 20:40:34 | 显示全部楼层 来自: 中国天津
此处做的不对吧 :lol: :lol:
wangluo-080713.jpg
发表于 2008-7-13 20:46:22 | 显示全部楼层 来自: 中国广东东莞
期待楼主发明天布置的作业.,让各位练手
发表于 2008-7-13 20:46:59 | 显示全部楼层 来自: 中国广东东莞
希望你们老师不上三维网.
 楼主| 发表于 2008-7-13 21:36:30 | 显示全部楼层 来自: 中国江苏苏州

回复 18# 的帖子

这是我们ug基础教程考试的试卷  今天最后一天了~~要赶快发过去了
 楼主| 发表于 2008-7-13 21:38:59 | 显示全部楼层 来自: 中国江苏苏州

回复 15# 的帖子

谢谢了阿   原来今天就是最后一天了 不然还真来不及自己画了  嘿嘿  我现在得马上交过去
发表于 2008-7-13 22:19:24 | 显示全部楼层 来自: 中国重庆
-------- FlashFXP Registration Data START --------
: C/ e, a' }. z( UFLASHFXPzgDCZDFezgAAAADFW5etNQTnsl73n0FoZCZ4GRDMVE
$ `$ U5 o6 t8 a4 N4 X5 v% L" S, n9 N% XIAF1TO4dC4/oQAtJaXbV8cdIugAQqLOgY+EOagxDoMU3lCMWQZ
$ n" W& k1 I$ g. G% iHBS+NmnFTHDpsVb7AxScw8eSchiJ/zvcX3COuPEI+MTD6nsYC9
3 V$ C( T! N9 X# |7 {qNscCNAp/ThNthj85vlHAKN4SYc8Lyy8ioYMXxIirdnvpb1ZVd
  r+ d6 c+ l# U) j1 E. C: wTIu1v4ROrq8VbcLTZRGfWTtPWU1UXfZC30P61rli/uekEb31On  N6 q  m$ m9 I( j) r  l$ j
Gv3PfuNrNZsI7r4SmuRJX9tA==0 ]6 a1 {# P9 d( ^9 x4 Z) a
-------- FlashFXP Registration Data END ----------
发表回复
您需要登录后才可以回帖 登录 | 注册

本版积分规则


Licensed Copyright © 2016-2020 http://www.3dportal.cn/ All Rights Reserved 京 ICP备13008828号

小黑屋|手机版|Archiver|三维网 ( 京ICP备2023026364号-1 )

快速回复 返回顶部 返回列表