QQ登录

只需一步,快速开始

登录 | 注册 | 找回密码

三维网

 找回密码
 注册

QQ登录

只需一步,快速开始

展开

通知     

查看: 1717|回复: 9
收起左侧

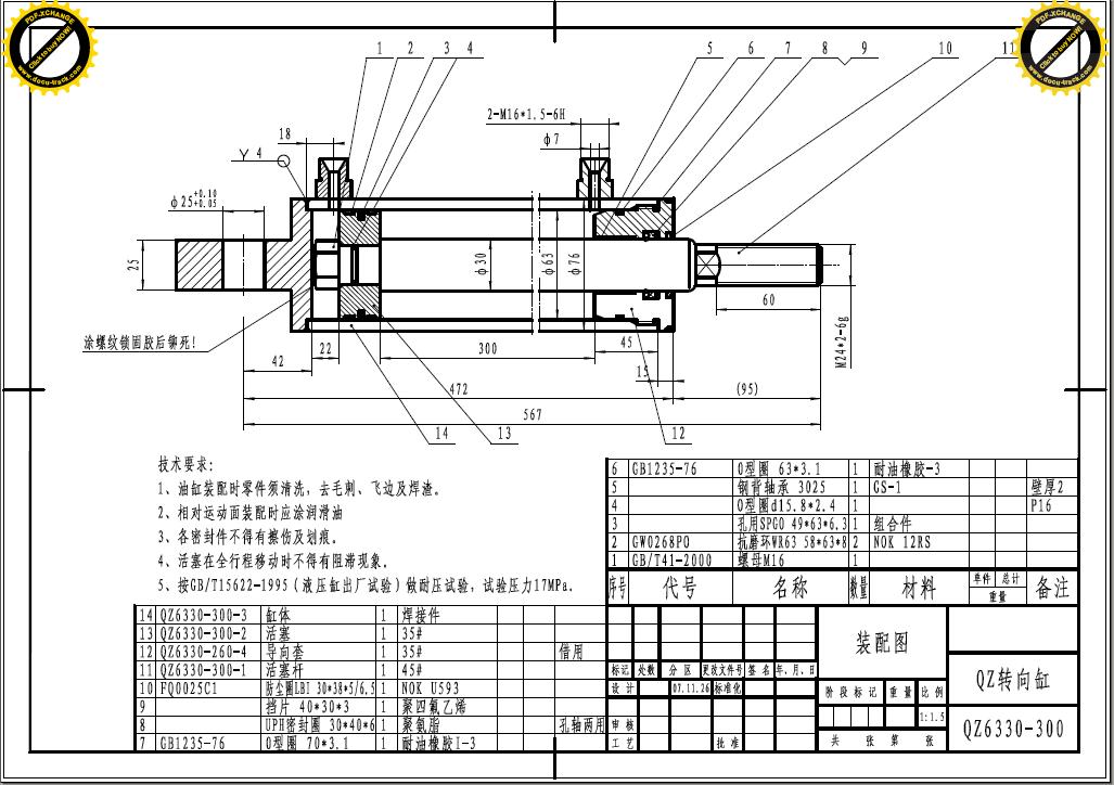
[求助] 解决双作用液压缸的内漏问题

[复制链接]
发表于 2008-7-9 22:56:25 | 显示全部楼层 |阅读模式 来自: 中国广东广州

马上注册,结识高手,享用更多资源,轻松玩转三维网社区。

您需要 登录 才可以下载或查看,没有帐号?注册

x
转向油缸.pdf (158.09 KB, 下载次数: 16)
 楼主| 发表于 2008-7-9 23:01:01 | 显示全部楼层 来自: 中国广东广州
我是想把图纸截图后发上来,没有操作好.不知怎么截图的.请老师们再指教.
发表于 2008-7-9 23:24:17 | 显示全部楼层 来自: 中国四川成都
原帖由 bbwty 于 2008-7-9 23:01 发表 http://www.3dportal.cn/discuz/images/common/back.gif
: ^/ H% Y9 x+ K6 L, A我是想把图纸截图后发上来,没有操作好.不知怎么截图的.请老师们再指教.

7 M9 K9 X" z& B2 y: s5 S从你图中看来,如能在活塞上加阀的话,就已经可将活塞内泄的问题给解决了,如更换密封、修复活塞等。需检查油缸壁厚是否偏薄,使油缸工作时缸筒发生变形而内泄。
# T* M' s9 p6 @: |截图的操作可查看:截图软件及其他 http://www.3dportal.cn/discuz/viewthread.php?tid=527060&extra=page%3D19 E5 T6 X! Q1 J2 \. M/ s8 Q5 D
; T. B" n, t9 }0 X: @$ w+ V* D, W* }
[ 本帖最后由 cdxwg 于 2008-7-9 23:32 编辑 ]
转向油缸.JPG
 楼主| 发表于 2008-7-9 23:29:00 | 显示全部楼层 来自: 中国广东广州
谢谢3楼楼主.要是加阀,应该是什么阀?
 楼主| 发表于 2008-7-9 23:41:09 | 显示全部楼层 来自: 中国广东广州
谢谢3楼楼主.截图我也学会了.
发表于 2008-7-10 06:49:23 | 显示全部楼层 来自: 中国河北唐山
建议楼主考虑一下内泄的原因,然后才能采取措施进行改进,是否是密封圈损坏,液压油是否污染严重,缸体内壁是否有损伤等。
发表于 2008-7-10 10:52:34 | 显示全部楼层 来自: 中国广东深圳
主要还是要控制好零部件的加工质量和装配质量,圆度,粗糙度、倒角过渡,以及密封圈又没有损伤
发表于 2008-7-10 12:09:14 | 显示全部楼层 来自: 中国四川成都
原帖由 bbwty 于 2008-7-9 23:29 发表 http://www.3dportal.cn/discuz/images/common/back.gif
: l' t2 p# \7 ~0 |& M* g6 |& q谢谢3楼楼主.要是加阀,应该是什么阀?

. i& X% _3 T9 a/ s" ]) n: M单纯的在活塞上安装个阀来解决油缸内泄是没有用的,因为内泄一般是双向的。
 楼主| 发表于 2008-7-10 12:25:48 | 显示全部楼层 来自: 中国广东广州
原帖由 cdxwg 于 2008-7-10 12:09 发表 http://www.3dportal.cn/discuz/images/common/back.gif
5 R3 S8 E3 M$ i3 ^) ]
! w0 S& L* l) c8 C8 j5 m3 |; }单纯的在活塞上安装个阀来解决油缸内泄是没有用的,因为内泄一般是双向的。

4 P* h1 d5 n. e3 j  l
+ T. r) h# Z* F5 h( E如果2支油缸是串联使用的,加阀可以解决吗
发表于 2008-8-28 10:53:11 | 显示全部楼层 来自: 中国安徽马鞍山

回复 9# 的帖子

对于内泄,不管液压管是怎么连接的都是不允许的,加阀是解决不了问题了,2楼的意思是说,如果能加阀的话,早就有足够的精力、时间可以解决内泄问题了,不是说加阀可以解决内泄这个问题。
发表回复
您需要登录后才可以回帖 登录 | 注册

本版积分规则


Licensed Copyright © 2016-2020 http://www.3dportal.cn/ All Rights Reserved 京 ICP备13008828号

小黑屋|手机版|Archiver|三维网 ( 京ICP备2023026364号-1 )

快速回复 返回顶部 返回列表