QQ登录

只需一步,快速开始

登录 | 注册 | 找回密码

三维网

 找回密码
 注册

QQ登录

只需一步,快速开始

展开

通知     

查看: 2267|回复: 7
收起左侧

[已解决] 变量活塞泵的原理求教?

[复制链接]
发表于 2008-6-28 19:26:38 | 显示全部楼层 |阅读模式 来自: 中国黑龙江佳木斯

马上注册,结识高手,享用更多资源,轻松玩转三维网社区。

您需要 登录 才可以下载或查看,没有帐号?注册

x
在单位看见一REX的泵,牌号为A11VO130DRS/10L与A11V0130LRDS/10L窜联组成一泵组,想知道这种变量泵的原理及特性,哪位知道说一下,或发一个产品说明书,谢了.
发表于 2008-6-28 20:08:59 | 显示全部楼层 来自: 中国

回复 1# 的帖子

你是作掘进机的吧?这是掘进机液压系统的典型配置,两个泵均是斜盘式变量柱塞泵,前泵控制模块为:恒压,负载敏感;后泵控制模块为:恒功率,压力切断和负载敏感,后泵用于行走回路.该泵须与负载敏感比例换向阀配套使用,您可以向供方要样本,上面有非常详细的介绍

评分

参与人数 1三维币 +5 收起 理由
柠檬咖啡 + 5 应助

查看全部评分

 楼主| 发表于 2008-6-28 20:23:48 | 显示全部楼层 来自: 中国黑龙江佳木斯
楼上说的真对,确实是掘进机的,但我不是专业搞这个的,你说的"泵须与负载敏感比例换向阀"配套使用,不太明白,掘进机是比较粗糙的东西,用不上这个吧,谢谢你了,祝你好运,还有哪位能细说一下.
发表于 2008-6-28 21:52:48 | 显示全部楼层 来自: 中国北京
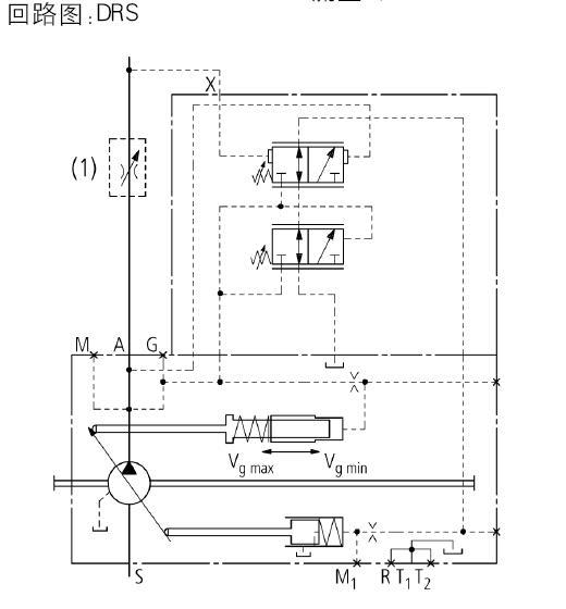
以下附图,为DRS,LRDS的液压原理图.4 u' K. ^1 L; A0 H- b0 F
(来自REXROTH的样本)
2 ^- I6 S# v$ E$ k3 \* m. {4 y5 Z有什么疑问,可以进一步交流.
未命名.JPG
未命名ljk.JPG

评分

参与人数 1三维币 +3 收起 理由
柠檬咖啡 + 3 应助

查看全部评分

 楼主| 发表于 2008-6-29 14:07:50 | 显示全部楼层 来自: 中国黑龙江佳木斯
非常感谢楼上发的原理图,但是怎么原理图上弄出了二个小油缸,以前只看见过一个小油缸的,谁能说一下变量泵的工作过程,非常的感谢.
发表于 2008-6-29 15:02:54 | 显示全部楼层 来自: 中国上海
上边是变量油缸,下边是复位油缸。都是单作用柱塞缸,变量泵里面的油缸一般都是单作用柱塞缸,只是一部分原理面采用简化画法,用一个双作用或塞缸表示。
发表于 2008-7-2 21:49:05 | 显示全部楼层 来自: 中国北京
画法不同,原理相同.
 楼主| 发表于 2008-7-6 21:41:37 | 显示全部楼层 来自: 中国黑龙江佳木斯
非常感谢楼上各位的帮忙,谢了.
发表回复
您需要登录后才可以回帖 登录 | 注册

本版积分规则


Licensed Copyright © 2016-2020 http://www.3dportal.cn/ All Rights Reserved 京 ICP备13008828号

小黑屋|手机版|Archiver|三维网 ( 京ICP备2023026364号-1 )

快速回复 返回顶部 返回列表