QQ登录

只需一步,快速开始

登录 | 注册 | 找回密码

三维网

 找回密码
 注册

QQ登录

只需一步,快速开始

展开

通知     

查看: 2887|回复: 17
收起左侧

[求助] 多气缸往复动作系统设计!

[复制链接]
发表于 2008-6-11 15:35:00 | 显示全部楼层 |阅读模式 来自: 中国广东东莞

马上注册,结识高手,享用更多资源,轻松玩转三维网社区。

您需要 登录 才可以下载或查看,没有帐号?注册

x
本人对气动逻辑不懂,现遇到一个工程,进口设备的是全气控,无行程开关。我们要仿制一台,但是无法搞懂它的原理图。只见过实物!) _0 p! V" K& Z( d0 w
如附件所示,请高手指点!代画出气动系统图,谢谢!
  ^' Q2 `8 E7 v5 W本人QQ:42689011
未命名.JPG
发表于 2008-6-11 17:57:12 | 显示全部楼层 来自: 中国上海
应该有接近开关的吧。气动的压力很低,压力发讯灵敏度应该是不够的
发表于 2008-6-11 18:14:48 | 显示全部楼层 来自: 中国江苏南京
很类似一个震荡回路,不知道做这个何用?
 楼主| 发表于 2008-6-12 08:05:32 | 显示全部楼层 来自: 中国广东东莞
原帖由 46792974 于 2008-6-11 17:57 发表 http://www.3dportal.cn/discuz/images/common/back.gif
2 Q6 }$ F9 J+ F5 _3 ]4 B+ v应该有接近开关的吧。气动的压力很低,压力发讯灵敏度应该是不够的
+ h! O' _, R0 o* n( o1 W1 \7 _/ p
确实没有接近开头,是用背压控制的!
发表于 2008-6-14 10:00:37 | 显示全部楼层 来自: 中国上海
感觉不好解决。你找找气动压力继电器样本,有这么高灵敏度的气动压力继电器吗?把别人的设备的照片传过来看看吧。
 楼主| 发表于 2008-6-14 14:57:37 | 显示全部楼层 来自: 中国广东东莞
用FuidDRAW画的气动回路图,不知道有没有问题,请大家给看一下!
未命名.JPG
 楼主| 发表于 2008-6-14 15:12:56 | 显示全部楼层 来自: 中国广东东莞
原帖由 46792974 于 2008-6-14 10:00 发表 http://www.3dportal.cn/discuz/images/common/back.gif
/ j% F: j! t9 _8 Q. u感觉不好解决。你找找气动压力继电器样本,有这么高灵敏度的气动压力继电器吗?把别人的设备的照片传过来看看吧。
6 n$ I$ j0 G9 \# E. }/ f1 j& ~+ z' [
) {4 E# k  g: i* `4 F  [0 I
没有原实物照片,
& e0 Q( p; A' O  V1 ~, H2 o: ]( T这是根据实物做的图!
1.JPG
2.JPG
发表于 2008-6-29 16:19:49 | 显示全部楼层 来自: 中国北京
楼主的问题解决了吗?没有解决的话请与我联系,我给你提供元件清单和气路图# W  l: V3 v  R3 m7 [" z$ E
QQ:66959686
发表于 2008-6-30 13:17:32 | 显示全部楼层 来自: 中国北京
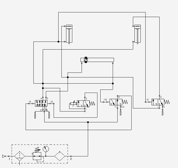
楼主,你这个气路可以这样设计,没问题的 气路图.JPG
发表于 2008-6-30 20:11:07 | 显示全部楼层 来自: 中国上海

回复 9# 的帖子

哈哈画得的不错 :lol:
发表于 2008-6-30 23:30:01 | 显示全部楼层 来自: 中国湖南长沙
6#的有问题,看不出怎么动做的,9#的不错,
发表于 2008-7-1 12:36:45 | 显示全部楼层 来自: 中国北京
6楼的B气缸活塞干无法自由移动
发表于 2008-7-1 17:42:32 | 显示全部楼层 来自: 中国山东青岛

hao

气压懂得不是很多! 液压还可以,你查一下机械手册!
发表于 2008-7-2 19:52:52 | 显示全部楼层 来自: 中国上海

我练习软件把9楼的从新画

我练习软件把9楼的从新画有DXF文件
Snap1.jpg

1234.rar

10.6 KB, 下载次数: 4

发表于 2008-7-2 21:40:27 | 显示全部楼层 来自: 中国上海

机控阀

提供一个思路:用机控换向阀,可靠性胜过压力控制。延时用气阻。等有空上传一个原理图。
发表于 2008-7-2 21:43:18 | 显示全部楼层 来自: 中国北京
一起交流讨论,我想知道气阻是用什么实现的?
 楼主| 发表于 2008-7-12 17:41:40 | 显示全部楼层 来自: 中国广东东莞
好久没有看,有这么多的朋友支招,非常感谢!) ^4 \6 ?: A  M* w# F, N
9楼,14楼的不错,但是没有看清楚我的要求,我说的前提是没有行程开关。
8 x) V: Y3 p( E0 D$ E  y; p9 j15楼的hwxie721应该是理解了我所需要,要是能给出个原理图,将不胜感谢!
发表于 2008-7-13 11:17:12 | 显示全部楼层 来自: 中国北京
楼主所指无行程开关应该是指没有电信号的行程开关吧?全气控系统触发信号是有气动行程开关来完成的,原理就是二位三通阀,之前气路图上全都是气动行程开关,如果连气动行程开关都没有的话,如何给出气缸到位信号?
# j, f/ N7 i. r3 `1 o; H- D) J  I4 o. \% e' h& b
可以用机控阀来实现换向,但原理和气动行程开关一样,都是二位三通阀
" V1 j( |8 p7 x2 g: g2 D7 N/ B( ?6 E( Q+ g5 j
但如何使用气阻需要请教15楼的兄弟
发表回复
您需要登录后才可以回帖 登录 | 注册

本版积分规则


Licensed Copyright © 2016-2020 http://www.3dportal.cn/ All Rights Reserved 京 ICP备13008828号

小黑屋|手机版|Archiver|三维网 ( 京ICP备2023026364号-1 )

快速回复 返回顶部 返回列表