QQ登录

只需一步,快速开始

登录 | 注册 | 找回密码

三维网

 找回密码
 注册

QQ登录

只需一步,快速开始

展开

通知     

全站
11天前
查看: 2157|回复: 5
收起左侧

[求助] 高手们看我画的液压锤原理图是否正确

[复制链接]
发表于 2008-6-8 11:03:38 | 显示全部楼层 |阅读模式 来自: 中国安徽马鞍山

马上注册,结识高手,享用更多资源,轻松玩转三维网社区。

您需要 登录 才可以下载或查看,没有帐号?注册

x
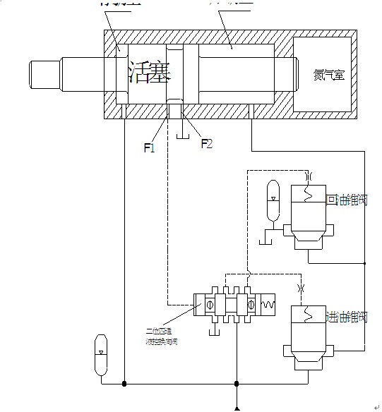
这是行程反馈控制的液压锤。F1和F2是行程反馈孔。
6 m/ N' K4 C* c" [6 n' V, Q液控二位四通阀作为两个锥阀的先导阀,控制它们分别启闭。
: P6 g9 M0 g3 J, p8 ^8 H1 V! C大家觉得有什么问题,请提出来,我好改进啊
 楼主| 发表于 2008-6-8 11:08:35 | 显示全部楼层 来自: 中国安徽马鞍山
怎么发图片啊,不会啊
 楼主| 发表于 2008-6-8 11:13:53 | 显示全部楼层 来自: 中国安徽马鞍山
发表于 2008-6-8 11:16:39 | 显示全部楼层 来自: 中国上海
先帖过来再研究4 n- l9 y" w3 S  i/ X5 E  @" j

9 L/ |3 k7 h8 h[ 本帖最后由 46792974 于 2008-6-8 11:26 编辑 ]
新建 Microso..._2008.06.08.11.25.01.jpg
 楼主| 发表于 2008-6-8 11:35:52 | 显示全部楼层 来自: 中国安徽马鞍山
图中未清楚显示的部分分别是前腔和后腔。
  H4 _- m0 Q) k' R) b) ^4 l这种氮爆式液压锤为前腔常压,后腔变压。0 l6 Y; g8 @" X; A$ T
回程时进油锥阀关闭,回油锥阀开启。回程到F1孔时,液控换向阀心右移,回油锥阀关闭,进油锥阀开启,此时前腔和后腔都通高压油,在氮气压力下回程减速,然后冲程开始。如此循环往复。
发表于 2008-6-8 11:55:57 | 显示全部楼层 来自: 中国上海
看了楼主的话在考虑一个问题:需要多大的流量?有必要用插装阀?
发表回复
您需要登录后才可以回帖 登录 | 注册

本版积分规则


Licensed Copyright © 2016-2020 http://www.3dportal.cn/ All Rights Reserved 京 ICP备13008828号

小黑屋|手机版|Archiver|三维网 ( 京ICP备2023026364号-1 )

快速回复 返回顶部 返回列表