QQ登录

只需一步,快速开始

登录 | 注册 | 找回密码

三维网

 找回密码
 注册

QQ登录

只需一步,快速开始

展开

通知     

全站
10天前
查看: 3617|回复: 19
收起左侧

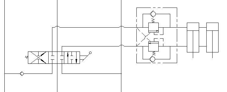
[求助] 看到一个平衡阀,不知它的原理及图中各油路的关系?

[复制链接]
发表于 2008-6-3 22:25:21 | 显示全部楼层 |阅读模式 来自: 中国黑龙江佳木斯

马上注册,结识高手,享用更多资源,轻松玩转三维网社区。

您需要 登录 才可以下载或查看,没有帐号?注册

x
求解图中的平衡阀的作用及油路如流动,请高手回复.谢了.
3 I/ s8 ]0 M' u' ?+ T+ J! o2 C+ M- ~% h( k& [* ]
第一次上传文件,不会贴图(贴出的图都是全黑的)请原谅.3 f$ Z: q7 e1 T/ V' ?; D7 n0 [

+ \- F: x+ r+ y% O4 L1 j[ 本帖最后由 qq12142111 于 2008-6-3 22:26 编辑 ]

平衡阀.rar

8.92 KB, 下载次数: 10

发表于 2008-6-3 22:53:24 | 显示全部楼层 来自: 中国上海

贴了

贴过来了。呵呵
清华天河PCCAD2..._2008.06.03.22.52.09.jpg

评分

参与人数 1三维币 +3 收起 理由
9619 + 3 应助

查看全部评分

发表于 2008-6-3 22:55:18 | 显示全部楼层 来自: 中国上海
根机床上的这几种顺序阀一样的
清华天河PCCAD2..._2008.06.03.22.54.34.jpg
 楼主| 发表于 2008-6-3 23:06:35 | 显示全部楼层 来自: 中国黑龙江佳木斯
谢二楼和三楼的,我只知道它应用于"支撑"油缸中,能说的细一些吗
发表于 2008-6-3 23:28:25 | 显示全部楼层 来自: 中国湖南衡阳
这个是我厂的一个平衡阀
aa.jpg
发表于 2008-6-3 23:29:06 | 显示全部楼层 来自: 中国湖南衡阳
有点像液压锁的``````
发表于 2008-6-4 09:02:23 | 显示全部楼层 来自: 中国江苏无锡
很简单,起平衡作用,防止马达失控;刹车时起补油作用,保护马达.

评分

参与人数 1三维币 +3 收起 理由
9619 + 3 应助

查看全部评分

发表于 2008-6-4 09:11:19 | 显示全部楼层 来自: 中国辽宁铁岭
双向平衡阀,保持执行机构稳定运行(下降),防止失控自由降落,在负载恒定的情况下,对执行机构的同步运行有一定的效果.

评分

参与人数 1三维币 +3 收起 理由
9619 + 3 应助

查看全部评分

发表于 2008-6-4 09:17:20 | 显示全部楼层 来自: 中国河南郑州
双向平衡阀的溢流阀设定压力和控制开启压力的设定需要根据具体的使用工况现场调节,和油缸的速比,平衡阀的开启比及回油管路的背压等有关,需要仔细
发表于 2008-6-4 09:55:41 | 显示全部楼层 来自: 中国四川自贡
1.油从手动换向阀左位进时,经过单向阀,进入油缸有杆腔.回油经背压阀流回T口,所以保证了油缸的安全性及平稳性
$ Z" ~: S. T" N, A$ v9 x' U) S2.油经另一位置时入油缸无杆腔是一样的道理
! v4 J; F& {6 `5 y3.以背压阀调定压力来保证缸回时的速度及平稳..

评分

参与人数 1三维币 +5 收起 理由
9619 + 5 应助

查看全部评分

 楼主| 发表于 2008-6-4 21:16:51 | 显示全部楼层 来自: 中国黑龙江佳木斯
有一点不太清楚的是,入油口的压力对回油溢流阀的先导起多大作用,盼好人能帮忙说一下?谢了!
4 D9 D4 L$ p/ [7 j8 t+ A- v
6 d/ A% }5 q% ?" [- u8 U3 V8 ^0 b
是不是入油口的压力绝定回油的开启通路呀,也就是说必须是主动的压力才能决定回油通路的开启?
: x5 y3 R; |3 H5 ?; r) p5 d; I# b# O( Y1 X4 E) C# g4 A5 F
[ 本帖最后由 qq12142111 于 2008-6-4 21:20 编辑 ]
发表于 2008-6-4 21:49:49 | 显示全部楼层 来自: 中国北京

回复 11# 的帖子

你问的第一问,这涉及到平衡阀的开起比问题.假如开起比为A,平衡阀设定压力为B,9 H( w, B3 u; Z
回油压力(平衡阀前)为C,进口压力为D那么:B=A*D+C. _  \+ H2 z8 M' Z2 I
第二个问题,你说的对了一半.( g  X8 w# L& v
如果C>B,那么平衡阀也会开起.

评分

参与人数 1三维币 +3 收起 理由
9619 + 3 应助

查看全部评分

发表于 2008-6-5 18:18:55 | 显示全部楼层 来自: 中国上海
原帖由 zyer734 于 2008-6-3 23:28 发表 http://www.3dportal.cn/discuz/images/common/back.gif# G+ J* l; i. D5 s4 U! D
这个是我厂的一个平衡阀

+ @2 }& n2 w2 T) x6 }  v够复杂.为什么用这么多单向阀?最中间两个单向阀直接断开行不行?, r3 f3 c* `* k- T

4 B6 \$ x# \' B  c' l, f$ P1 v: u7 `[ 本帖最后由 46792974 于 2008-6-5 18:25 编辑 ]
11111.jpg
11111.jpg
发表于 2008-6-5 19:51:44 | 显示全部楼层 来自: 中国辽宁沈阳
最中间两个单向阀直接断开行不行,答案是不太好,如果马达过载的话,一个腔里的油溢流出去,那麽久需要油来补充马达。防止马达吸空,这时如果阀的中位技能不是Y型的,就没有油来补充。

评分

参与人数 1三维币 +3 收起 理由
9619 + 3 技术讨论

查看全部评分

发表于 2008-6-5 21:52:48 | 显示全部楼层 来自: 中国上海
原帖由 woshifeng 于 2008-6-5 19:51 发表 http://www.3dportal.cn/discuz/images/common/back.gif
! t) B0 f% c0 m0 p( c最中间两个单向阀直接断开行不行,答案是不太好,如果马达过载的话,一个腔里的油溢流出去,那麽久需要油来补充马达。防止马达吸空,这时如果阀的中位技能不是Y型的,就没有油来补充。
下面那两个单向阀不能补油吗?
发表于 2008-6-6 20:30:15 | 显示全部楼层 来自: 中国河北唐山
我认为有以下几个作用:1通过双平衡阀来达到提高油缸的动作平稳性,当一侧油液压力达到平衡阀的开启压力时才能动作;2防止油缸由于自重或货物重量而自行动作。
发表于 2008-6-7 01:10:00 | 显示全部楼层 来自: 中国上海
原帖由 woshifeng 于 2008-6-5 19:51 发表 http://www.3dportal.cn/discuz/images/common/back.gif4 R+ X! J7 J$ f: {& |6 d: g
最中间两个单向阀直接断开行不行,答案是不太好,如果马达过载的话,一个腔里的油溢流出去,那麽久需要油来补充马达。防止马达吸空,这时如果阀的中位技能不是Y型的,就没有油来补充。

3 b6 D  Z0 c- q; _$ |! F借楼主的地方问下
- H  b$ p8 i+ Q7 f+ n' x' w! F我只是知道马达停止时需要补油,不明白过载时为何要补油,( Y3 b' F$ P4 D* K* }8 [
可否详细讲下,谢谢1 C0 Q5 U" O5 B4 r6 |; `
8 _0 H- k+ g$ m% B/ t% B) r( Y
还有个问题,这个图中两个补油口,马达上的S1和平衡阀上的补油口S2哪个更好些
4 ?' \9 w) v2 r
2 M0 j* J! F. ?  d[ 本帖最后由 yongdongji 于 2008-6-7 01:35 编辑 ]
补油.JPG
发表于 2008-6-8 13:34:07 | 显示全部楼层 来自: 中国上海

过载也需补油

过载时由于马达转速太快,会形成马达进油腔来不及供油,压力降低。出油腔压力上升,需要补油。至于那一种补油方式好,请大家发表高见。
发表于 2008-6-9 00:18:12 | 显示全部楼层 来自: 中国上海
过载时马达怎么会转速太快呢?14楼说的是失速吧
发表于 2008-6-9 08:29:33 | 显示全部楼层 来自: 中国河南安阳
对平衡阀和液压锁的一些理解:
; C9 x: b) N4 P1.楼主的平衡阀怎么不贴在油缸上' X: R6 @, ?6 C( B5 t. [4 O8 k
2.下面的贴图便于理解和交流
( x9 O) y# |& r5 g  L! c# }) Z1 Mhttp://file:///e://11.gif( J; ^  P7 L# c6 w  L
http://file:///e://22.gif
11.gif
22.gif
发表回复
您需要登录后才可以回帖 登录 | 注册

本版积分规则


Licensed Copyright © 2016-2020 http://www.3dportal.cn/ All Rights Reserved 京 ICP备13008828号

小黑屋|手机版|Archiver|三维网 ( 京ICP备2023026364号-1 )

快速回复 返回顶部 返回列表