QQ登录

只需一步,快速开始

登录 | 注册 | 找回密码

三维网

 找回密码
 注册

QQ登录

只需一步,快速开始

展开

通知     

查看: 2516|回复: 9
收起左侧

[已解决] 推力向心轴承和向心推力轴承

 关闭 [复制链接]
发表于 2008-5-11 16:50:29 | 显示全部楼层 |阅读模式 来自: 中国陕西榆林

马上注册,结识高手,享用更多资源,轻松玩转三维网社区。

您需要 登录 才可以下载或查看,没有帐号?注册

x
看到这样一道题:按滚动轴承所承受的负荷方向分为向心轴承、向心推力轴承、推力向心轴承和推力轴承四种。: e( m2 i" A! `% K) ?

  G5 t: E1 l& E* s# W" _那么我就有这样一个疑问:向心推力轴承和推力向心轴承不一样,难道是侧重点不同,请高手来解答!
发表于 2008-5-12 04:14:38 | 显示全部楼层 来自: 中国福建厦门

滚动轴承 回复

滚动轴承如果仅按轴承用于承受的外载荷不同来分类时,滚动轴承可以概括的分为向心轴承(主要承受径向载荷)、推力轴承(只能承受轴向载荷)、向心推力轴承(可以同时承受径向和轴向载荷)。
, J. }* J* W& U% [8 x! b因此可以知道向心推力轴承、推力向心轴承其实是一个含义。我在拜读搜出来的只分三类。& J! h6 b/ w) p. {9 p

. J& l6 M! A  c3 t) I* O/ X4 H& I7 r, B, Y2 y) @
滚动轴承
1 v' b- S* _8 v# l7 D2 d. W" e: T& G; H" L4 G1 R6 a
将运转的轴与轴座之间的滑动摩擦变为滚动摩擦,从而减少摩擦损失的一种精密的机械元件,叫滚动轴承。
5 z; A4 L  c. k; J* B  滚动轴承一般由外圈,内圈,滚动体和保持架组成。! s/ R% Z' d3 ^
滚动轴承# V4 a5 V; \5 I* z. l. Y' f
ball bearing(rolling bearing)$ {$ o. s% K3 M; B: z$ \  i
   在滚动摩擦下工作的轴承。滚动轴承使用维护方便,工作可靠,起动性能好,在中等速度下承载能力较高。与滑动轴承比较,滚动轴承的径向尺寸较大,减振能力较差,高速时寿命低,声响较大。滚动轴承中的向心轴承(主要承受径向力)通常由内圈、外圈、滚动体和滚动体保持架4部分组成。内圈紧套在轴颈上并与轴一起旋转,外圈装在轴承座孔中。在内圈的外周和外圈的内周上均制有滚道。当内外圈相对转动时,滚动体即在内外圈的滚道上滚动,它们由保持架隔开,避免相互摩擦。推力轴承分紧圈和活圈两部分。紧圈与轴套紧,活圈支承在轴承座上。套圈和滚动体通常采用强度高、耐磨性好的滚动轴承钢制造,淬火后表面硬度应达到HRC60~65。保持架多用软钢冲压制成,也可以采用铜合金夹布胶木或塑料等制造。( m) w' t; ?; B! z
滚动轴承的分类
& Z( |9 G. z' ^( s# ~# y4 ~    如果仅按轴承用于承受的外载荷不同来分类时,滚动轴承可以概括的分为向心轴承(主要承受径向载荷)、推力轴承(只能承受轴向载荷)、向心推力轴承(可以同时承受径向和轴向载荷)。: w8 T9 p0 M% z
滚动轴承的代号3 i6 \1 G8 G) d' f8 `9 B4 u
    轴承代号由基本代号、前置代号和后置代号组成,用字母和数字等表示
$ F" N( n  _: W4 A2 W% n0 P8 O/ W    1.基本代号( J6 r2 Z$ e! L' \: a( J
    基本代号用来明确轴承的内径、直径系列、宽度系列和类型# x9 \% T3 ?* n1 N) w; J
    2后置代号. i5 n7 Y- m# S/ z) r% B
    后置代号用字幕和数字明确表示轴承的结构、公差及材料的特殊要求等等
) P% ?8 ^/ F+ K# a5 L# Q( S7 ]    3.前置代号; J0 W( g+ D( o3 V
    前置代号用于表示轴承的分部件,用字母表示。; R, E/ F: u" ^% G1 d% s3 _' V. ?8 X
滚动轴承安装常见知识问答
. m7 T% P# y0 X. A* z0 [2 D  一,对安装表面和安装场所要求吗?是的。如果轴承内有铁屑、毛刺、灰尘等异物进入,将使轴承在运转时产生噪声与振动,甚至会损伤滚道和滚动体。所以,在安装轴承前,您必须确保安装表面和安装环境的清洁。% }" A& i3 P1 g2 n
    二,轴承安装前必须清洗吗?  轴承表面涂有防锈油,您必须用清洁的汽油或煤油仔细清洗,再涂上干净优质或高速高温的润滑油脂方可安装使用。清洁度对轴承寿命和振动噪声的影响是非常大的。但我们要特别提醒您的是:全封闭轴承不须清洗加油。
# h; X8 T2 \! \, i5 ^  三,如何选择润滑脂?润滑对轴承的运转及寿命有极为重要的影响,这里向您简要介绍选择润滑脂的一般原则。润滑脂由基础油、增稠剂及添加剂制成,不同种类和同一种类不同牌号的润滑脂性能相差很大,允许的旋转极限不同,在选择时务必注意。润滑脂的性能主要由基础油决定,一般低粘度的基础油适用于低温、高速,高粘度的适用于高温、高负荷。增稠剂也关系着润滑性能,增稠剂的耐水性决定润滑脂的耐水性。原则上,牌子不同的润滑脂不能混合,而且,即使是同种增稠剂的润滑脂,也会因添加剂不同相互带来坏影响。/ `  Z0 ^) V* G  X9 l
  四,在润滑轴承时,油脂涂的越多越好吗?  润滑轴承时,油脂涂的越多越好,这是一个常见的错误概念。轴承和轴承室内过多的油脂将造成油脂的过度搅拌,从而产生极高的温度。轴承充填润滑剂的数量以充满轴承内部空间1/2~1/3为宜,高速时应减少到1/3。
3 Q6 V- x% f  T+ c  五,如何安装和拆卸?  安装时勿直接锤击轴承端面和非受力面,应以压块、套筒或其它安装工具(工装)使轴承均匀受力,切勿通过滚动体传动力安装。如果安装表面涂上润滑油,将使安装更顺利。如配合过盈较大,应把轴承放入矿物油内加热至80~90℃后尽快安装,严格控制油温不超过100℃,以防止回火效应硬度降低和影响尺寸恢复。在拆卸遇到困难时,建议您使用拆卸工具向外拉的同时向内圈上小心的浇洒热油,热量会使轴承内圈膨胀,从而使其较易脱落。
* f) ~7 |/ f- J( L  六,轴承的径向游隙越小越好吗?  不是所有的轴承都要求最小的工作游隙,您必须根据条件选用合适的游隙。国标4604-93中,滚动轴承径向游隙共分五组-2组、0组、3组、4组、5组,游隙值依次由小到大,其中0组为标准游隙。基本径向游隙组适用于一般的运转条件、常规温度及常用的过盈配合;在高温、高速、低噪声、低磨擦等特殊条件下工作的轴承则宜选用大的径向游隙;对精密主轴、机床主轴用轴承等宜选用较小的径向游隙;对于滚子轴承可保持少量的工作游隙。另外,对于分离型的轴承则无所谓游隙;最后,轴承装机后的工作游隙,要比安装前的原始游隙小,因为轴承要承受一定的负荷旋转,还有轴承配合和负荷所产生的弹性变形量。
滚动轴承.jpg

评分

参与人数 1三维币 +5 收起 理由
userkypdy + 5 谢谢

查看全部评分

 楼主| 发表于 2008-5-12 08:19:01 | 显示全部楼层 来自: 中国陕西榆林
既然是一样的,那我说的那道题出来四种轴承,怎么解释,是技术工人岗位培训题库书籍,检修钳工中的题!
发表于 2008-5-12 11:56:37 | 显示全部楼层 来自: 中国江苏南京
题目出错的可能性有没有呢,或者这是一道选择或判断题之类的吧
 楼主| 发表于 2008-5-12 14:29:27 | 显示全部楼层 来自: 中国陕西榆林
是填空题,然后就是四个空,答案就是我列出来的!所以我有点糊涂,觉得除非这两种轴承侧重点不同!
发表于 2008-5-12 15:06:32 | 显示全部楼层 来自: 中国上海
按照GB/T271-1997《滚动轴承 分类》分为向心轴承和推力轴承两大类,又分别分为两小类,估计向心推力轴承是指a类中的2小类,推力向心轴承指的是b类中的2小类。
0 c! M4 K% h& R! o. O  Z标准中并没有这两个称呼。! s' d; ^0 B- A  U5 X. [. P! Z1 C
: u$ L+ u1 x2 A! y3 d
[ 本帖最后由 lhf999 于 2008-5-12 15:10 编辑 ]
zz.JPG

评分

参与人数 1三维币 +7 收起 理由
userkypdy + 7 积极交流。

查看全部评分

发表于 2008-6-5 08:48:52 | 显示全部楼层 来自: 中国河南郑州
公称接触角为0度,主要承受径向载荷,称向心轴承。
/ |  E3 c% E0 r( r' ]" v公称接触角为45度,只能承受轴向载荷,称伪推力轴承。
  Q, x. K9 }7 E# s) S( \% T" ~7 J) C8 c6 _( u
公称接触角在0到45,径向承载能力大于轴向承载能力,称向心推力轴承
5 I! Z: I. K1 t, c; X& F公称接触角在45到90,轴向承载能力大于径向承载能力,称推力向心轴承,其实前者又叫径向角接触轴承,后者叫轴向角接角轴承。

评分

参与人数 1三维币 +5 收起 理由
userkypdy + 5 积极交流。

查看全部评分

发表于 2008-6-5 09:49:58 | 显示全部楼层 来自: 中国山西太原
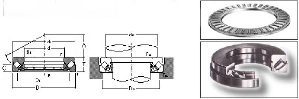
楼上的解释完全正确。向心推力轴承和推力向心轴承的结构完全一样,只是公称接触角的不同而已。如下图中:! [; K1 V; k2 Y' a" b- K' C
滚子的中心线与轴承中心线的夹角大于0°而小于45°时称为向心推力轴承;+ x7 ]4 q- M9 [
滚子的中心线与轴承中心线的夹角大于45°而小于90°时称为推力向心轴承。
8 G; b# c5 u. K8 Z5 E6 V& x4 V' @) q3 Z& I6 W/ p
滚子的中心线与轴承中心线的夹角等于0°时称为向心轴承;
# Z  Y. {: M: X0 p. j# ]滚子的中心线与轴承中心线的夹角等于90°时称为推力轴承。
. O$ Z- K) s0 F8 t# g& g) l( K! B3 D% U
[ 本帖最后由 gaoyns 于 2008-6-5 10:05 编辑 ]
向心推力轴承和推力向心轴承.jpg

评分

参与人数 1三维币 +7 收起 理由
userkypdy + 7 积极交流。

查看全部评分

发表于 2008-7-12 22:00:24 | 显示全部楼层 来自: 中国河北邯郸
这种容易混淆的命名方式,个人觉得不可取。$ D4 I, ]- T5 f& ?. J) ?/ Z

$ r2 ?" o9 N6 h4 |) }个人以为,以滚子形式分类,分成五类,简单明了。再用径向、轴向(止推),也就是2×5个基本类。再分单列、多列。, m, f& j3 |* M  l: u

# z( A" n! q2 e9 A7 @' G3 P8 r; B1 B
5 U. E8 K8 v3 T以上。
发表于 2008-8-5 16:22:46 | 显示全部楼层 来自: 中国山西阳泉
只有向心和推力两种还有他们的结合
发表回复
您需要登录后才可以回帖 登录 | 注册

本版积分规则


Licensed Copyright © 2016-2020 http://www.3dportal.cn/ All Rights Reserved 京 ICP备13008828号

小黑屋|手机版|Archiver|三维网 ( 京ICP备2023026364号-1 )

快速回复 返回顶部 返回列表