QQ登录

只需一步,快速开始

登录 | 注册 | 找回密码

三维网

 找回密码
 注册

QQ登录

只需一步,快速开始

展开

通知     

查看: 1482|回复: 4
收起左侧

[分享] 应用线型出工程图

[复制链接]
发表于 2008-4-29 12:08:23 | 显示全部楼层 |阅读模式 来自: 中国山东烟台

马上注册,结识高手,享用更多资源,轻松玩转三维网社区。

您需要 登录 才可以下载或查看,没有帐号?注册

x
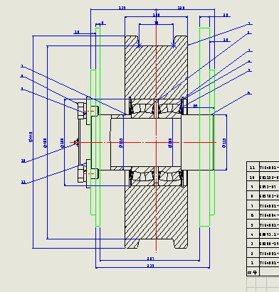
应用线型和图层,可以出漂亮的工程图,与大家交流一下* N! l! a0 C9 ?2 e, g
14.jpg
发表于 2008-4-29 13:13:37 | 显示全部楼层 来自: 中国辽宁大连
不错...* y0 o0 [. n6 ]: ~/ z5 v
0 h. E/ P! [+ l' H7 F0 P1 L% a
图层还可以用于多国语言的图纸,不同图层不同语言.
 楼主| 发表于 2008-4-29 16:32:37 | 显示全部楼层 来自: 中国山东烟台

回复 2# 的帖子

这可是第一次听说,能上传瞧一瞧吗?
发表于 2008-4-29 16:43:54 | 显示全部楼层 来自: 中国北京
不知道有没有办法统一更改线型。一根根改是挺麻烦的
 楼主| 发表于 2008-4-29 17:03:27 | 显示全部楼层 来自: 中国山东烟台
统一更改线型可通过选择图层来定义5 |' A4 w: ?& x7 ~; {, x
以后的线皆为此图层
发表回复
您需要登录后才可以回帖 登录 | 注册

本版积分规则


Licensed Copyright © 2016-2020 http://www.3dportal.cn/ All Rights Reserved 京 ICP备13008828号

小黑屋|手机版|Archiver|三维网 ( 京ICP备2023026364号-1 )

快速回复 返回顶部 返回列表