QQ登录

只需一步,快速开始

登录 | 注册 | 找回密码

三维网

 找回密码
 注册

QQ登录

只需一步,快速开始

展开

通知     

全站
10天前
查看: 2792|回复: 13
收起左侧

[讨论] 关于平衡阀与液压锁

[复制链接]
发表于 2008-4-21 21:44:23 | 显示全部楼层 |阅读模式 来自: 中国安徽马鞍山

马上注册,结识高手,享用更多资源,轻松玩转三维网社区。

您需要 登录 才可以下载或查看,没有帐号?注册

x
近日看到平衡阀,感觉与液压锁有点类似,但又似乎不同,请大家帮我解难,谢谢

评分

参与人数 1三维币 +3 收起 理由
9619 + 3 发起实际应用的技术讨论。

查看全部评分

发表于 2008-4-21 21:49:35 | 显示全部楼层 来自: 中国北京
两者完全不一样啊!
8 ^+ k, q  z6 j  o5 C4 {一个属于压力控制阀,一个属于方向控制阀!5 ]1 t3 ^4 }0 [' }0 |* o/ H
具体的看看书吧!
9 k' t3 }" L* e* g$ i. I

评分

参与人数 1三维币 +2 收起 理由
9619 + 2 积极参与技术讨论。

查看全部评分

发表于 2008-4-22 12:22:20 | 显示全部楼层 来自: 中国浙江宁波

88

平衡阀由单向阀和顺序阀组成。
7 v, G. N$ _% a& S  \* A9 L液压锁是由两个单向阀组成。
发表于 2008-4-22 12:34:11 | 显示全部楼层 来自: 中国浙江宁波

平衡阀

平衡阀是集三阀于一体:
( T0 n& I( o' J! _+ X* M) W, X8 I作单向阀:允许液流不受限制2-1进入执行器;% g" k- i, J' M+ F$ d/ P
作液控节流阀:通过控制口控制节流阀的开启量,使负载平稳下降& C7 t& D8 Z" g5 @
作溢流阀用:避免执行器过压而损坏,一般设定压力超过主溢流阀的130%

评分

参与人数 1三维币 +2 收起 理由
晨砂 + 2 技术讨论

查看全部评分

发表于 2008-4-22 23:03:15 | 显示全部楼层 来自: 中国江苏苏州
记得以前有过讨论的,请楼主找找论坛里的文章。应该是看到过的。
发表于 2008-4-23 18:36:01 | 显示全部楼层 来自: 中国辽宁鞍山

hehe

液压琐就相当于平常的琐,锁紧油路用的。
# Q* a1 o' U+ t" Z9 s- V, O平衡阀,一般好象是调速的

评分

参与人数 1三维币 +1 收起 理由
柠檬咖啡 + 1 技术交流

查看全部评分

发表于 2008-4-27 15:19:21 | 显示全部楼层 来自: 中国天津

平衡阀

平衡阀4 ]0 g9 y) u. D+ N* ?/ H
平衡阀是集三阀于一体:1 ^' ]% @" l& }
作单向阀:允许液流不受限制2-1进入执行器;
, f# \- [$ `1 v% G2 x" r' U7 p作液控节流阀:通过控制口控制节流阀的开启量,使负载平稳下降2 X2 m( x9 y) }6 r# B
作溢流阀用:避免执行器过压而损坏,一般设定压力超过主溢流阀的130%! T* q2 x2 A7 D

8 X& V, M, }3 g平衡阀起一个背压的作用是下降平稳,也有液压锁的作用,但是可以正向打开,还有和控制比匹配的问题
9 D. o* \1 a& g" \' M" v" C液压锁是不可以的 只能通过控制压力打开

评分

参与人数 1三维币 +5 收起 理由
柠檬咖啡 + 5 特点分析的很好

查看全部评分

发表于 2008-5-5 20:45:34 | 显示全部楼层 来自: 中国上海

回复 1# 的帖子

平衡阀是单向阀与顺序阀并联,起背压阀作用,防止下降时因为回油腔负压而速度失去控制。& [! H8 @; F" M! t4 l: i2 d
液压锁是两个液控单向阀,与Y型三位四通电磁阀组合使用,中位停止时保压功能好过O型电磁阀。

评分

参与人数 1三维币 +1 收起 理由
柠檬咖啡 + 1 技术交流

查看全部评分

发表于 2008-5-6 13:59:18 | 显示全部楼层 来自: 中国江苏徐州
原帖由 JOY177 于 2008-4-22 12:22 发表 http://www.3dportal.cn/discuz/images/common/back.gif; g3 \4 `% k7 C" A( s  K5 O: V
平衡阀由单向阀和顺序阀组成。6 `. u3 W8 c6 x7 _$ ?
液压锁是由两个单向阀组成。
j
/ l0 J+ ^4 n) P" S
8 F0 E9 `; y) ?9 g& K6 S, z8 v液压锁是两个液控单向阀并联,不是单纯的单向阀

评分

参与人数 1三维币 +3 收起 理由
9619 + 3 技术讨论

查看全部评分

发表于 2008-5-7 19:20:28 | 显示全部楼层 来自: 中国辽宁鞍山

回复 7# 的帖子

楼主 你可以说得更详细点吗?我是刚入厂,知道的都是一些皮毛?但是我真的想把这个问题弄清楚。
9 k4 a1 e5 X" U% l: p有机会给我发点有关平衡阀方面的资料把
9 a; J1 z3 u0 a5 d5 ^  l' |2 X我的邮箱springtree767@163.com 8 C7 l8 o0 U8 P3 i( M
先谢谢拉
发表于 2008-5-8 23:12:03 | 显示全部楼层 来自: 中国广东广州
看来我要多多学习了`````
发表于 2008-5-9 07:29:22 | 显示全部楼层 来自: 中国江苏徐州

回复 11# 的帖子

看看实物吧 液压锁 .JPG 平衡阀.JPG
发表于 2008-5-9 20:29:32 | 显示全部楼层 来自: 中国广东佛山

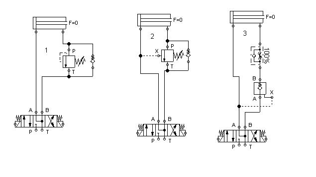
4 X! C, r5 ]) ]+ C这里也说几个:图中的自然是我们常见的内控平衡阀,然而,2和3,又有什么区别?- [8 p5 B6 j$ X  x: w
& K* ^9 k; b" T* I$ ~& B
3 也是平衡阀,扩展下,这和液压锁再加双单向节流阀(出口节流)又有什么区别?
$ J: G& T1 c$ ?  n2 F1 X6 ?0 I
( B  o7 x7 ?" K7 L- y/ @3 T4 L- \在实际中,有的公司规定不允许使用1,2类型的平衡阀,特别是第二种,压力不好调。
  m6 ~, @: J) J( H7 k8 }- u2 ~4 B# P4 K/ w) ?; A  Y% _, z. u" U
1,2类型的平衡阀,实际使用时,在伸出到末端的一那瞬间,经常会现倒往回倒一下的情况,使用3因为是液控单向阀,不会出现这种情况,有一些场合只能用这种。
% `, m, I. Z% C" B% Y
; D$ U0 _% L# f: _9 f; \5 d" G3 P至于扩展到的所说液压锁加又单向节流阀(出口节流)在使用液压马达时最好不要使用。
- u5 v) E. J7 E, q6 e2 y9 U& C
: h3 h& T, E& e5 A: A' p0 |图为仓促所作,没仔细想其他东西
CounterBalance_valve.jpg
发表于 2008-5-9 23:16:14 | 显示全部楼层 来自: 中国江苏南京

回复 1# 的帖子

蛮不错的,让广大同仁们讨论一下,能互相学习! :victory:
发表回复
您需要登录后才可以回帖 登录 | 注册

本版积分规则


Licensed Copyright © 2016-2020 http://www.3dportal.cn/ All Rights Reserved 京 ICP备13008828号

小黑屋|手机版|Archiver|三维网 ( 京ICP备2023026364号-1 )

快速回复 返回顶部 返回列表