QQ登录

只需一步,快速开始

登录 | 注册 | 找回密码

三维网

 找回密码
 注册

QQ登录

只需一步,快速开始

展开

通知     

全站
7天前
查看: 1570|回复: 3
收起左侧

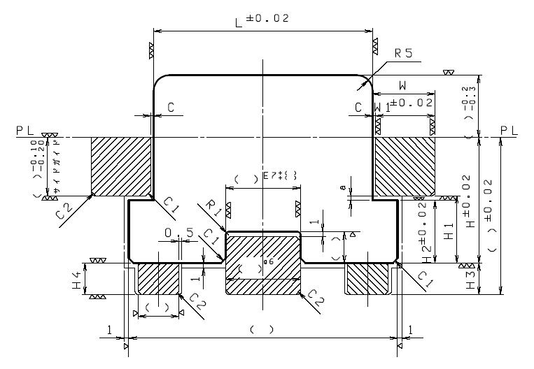
[分享] 日本高压模具抽芯座与导轨之间的公差要求

[复制链接]
发表于 2008-4-19 14:56:27 | 显示全部楼层 |阅读模式 来自: 中国山东烟台

马上注册,结识高手,享用更多资源,轻松玩转三维网社区。

您需要 登录 才可以下载或查看,没有帐号?注册

x
日本高压模具抽芯座与导轨之间的公差要求:
157.jpg
 楼主| 发表于 2008-4-20 08:35:32 | 显示全部楼层 来自: 中国山东烟台
经典的东西,大家为什么不顶啊!没办法!自己顶自己一下吧!
发表于 2009-2-8 12:37:50 | 显示全部楼层 来自: 中国辽宁大连
学习一下!
$ ]. `+ ^, b- `0 [( `7 M1 X虽然以前没有接触过,现在学习也很好呀。
头像被屏蔽
发表于 2009-2-9 12:24:34 | 显示全部楼层 来自: 中国江苏苏州
提示: 作者被禁止或删除 内容自动屏蔽
发表回复
您需要登录后才可以回帖 登录 | 注册

本版积分规则


Licensed Copyright © 2016-2020 http://www.3dportal.cn/ All Rights Reserved 京 ICP备13008828号

小黑屋|手机版|Archiver|三维网 ( 京ICP备2023026364号-1 )

快速回复 返回顶部 返回列表