QQ登录

只需一步,快速开始

登录 | 注册 | 找回密码

三维网

 找回密码
 注册

QQ登录

只需一步,快速开始

展开

通知     

全站
9天前
查看: 6030|回复: 7
收起左侧

[讨论] GB/T12459-2005钢制对焊无缝管件使用问题

[复制链接]
发表于 2008-4-18 15:14:41 | 显示全部楼层 |阅读模式 来自: 中国江苏无锡

马上注册,结识高手,享用更多资源,轻松玩转三维网社区。

您需要 登录 才可以下载或查看,没有帐号?注册

x
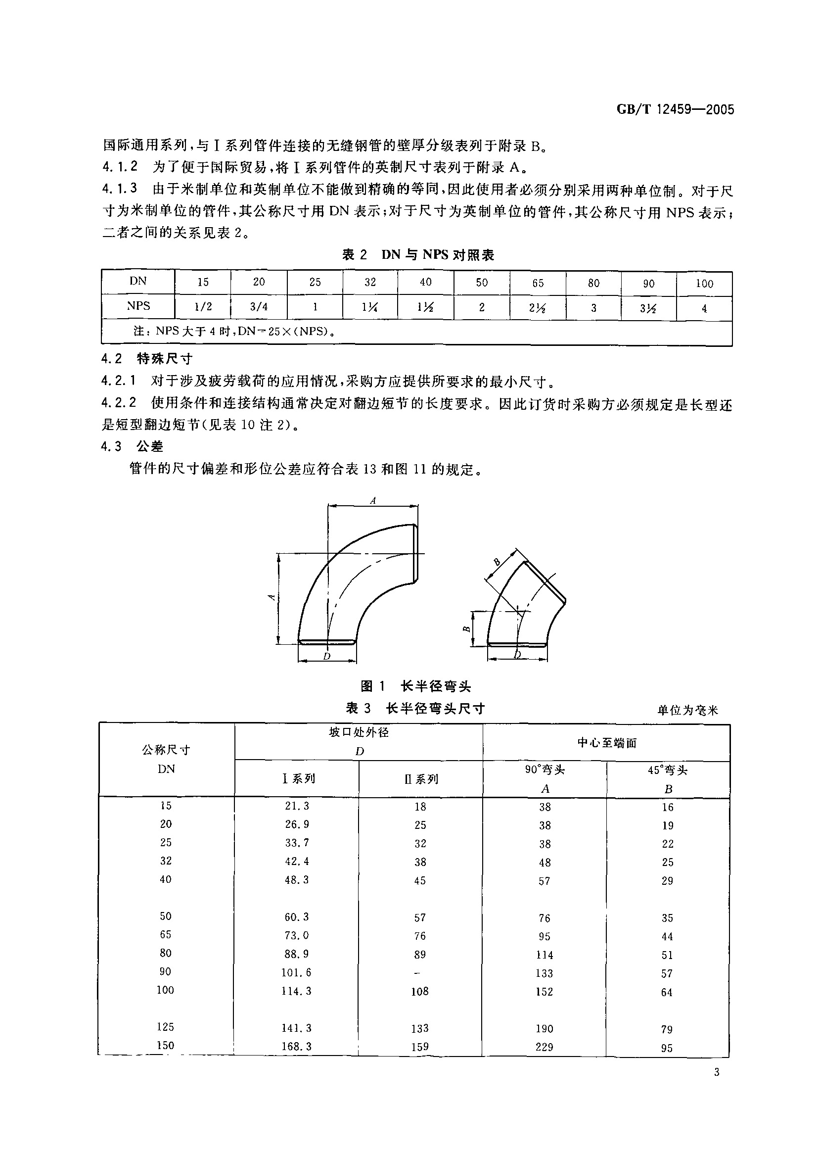
最近用到GB/T12459-2005钢制对焊无缝管件有几个问题想请教大家:
6 b' v6 }( }! p! l标准10.5标志示例4 x2 j! h+ p1 e* M1 V0 U
2:公称尺寸DN100×80、外径为Ⅱ系列、壁厚等级Sch80、材料牌号为16Mn的同心异径接头,其标记为:, d) I9 {" e/ E9 y+ Z
DN100×80 -Sch80-16Mn  RC GB/T12459-2005
. g0 p& C3 V- ?' b3:公称尺寸DN150、外径为Ⅰ系列、壁厚为4.5mm、材料牌号为0Cr18Ni990°长半径弯头,其标记为:
+ |7 n' N& o" g" o- n6 l* _3 C- U9 {7 |DN150-4.5-0Cr18Ni9  90EL GB/T12459-2005
5 o; {: x3 L  {" h7 @说明:RC)代表同心异径接头;RC)代表90°长半径弯头;Ⅰ系列为英制管;Ⅱ系列公制管
! b* \6 i% C% W% F- k问题:, D8 I( s( t; ]9 M! @
1.% l( s5 A* @& E
2外径为Ⅱ系列查附录B可知外径为108,壁厚等级Sch80查附录B可知公称壁厚为8.56,公称壁厚是什么意思?接头所配管子规格怎么选择?例3外径为168.3,壁厚为4.5,弯头所配管子规格怎么选择?/ Z- U$ M8 l5 H( r& i
2.% w0 l  R9 j( ~% e/ }+ l- o
3长半径弯头尺寸中坡口处外径D在图13上应该是什么位置,D1 or D2?公称壁厚在图中是哪一段距离?
9 q" A4 X- F: h这个标准是参考ASME标准的,和我国的管子规格怎么匹配?
; [+ S% D4 |6 f9 r# P% \- q; {0 A4 x3 }3 ^+ j6 j
标准论坛中有,我把标准发到您的邮箱也行,我的邮箱:yjt322@163.com
' c: ^% T8 w% |% x& W2 J
8 w$ z! T8 _" o" C- o: V$ @[ 本帖最后由 89568003 于 2008-4-18 15:18 编辑 ]
GB-T 12459-2005钢制对焊无缝管件_Page_06.jpg
255.JPG
GB-T 12459-2005钢制对焊无缝管件_Page_43.jpg

评分

参与人数 1三维币 +3 收起 理由
liuhob + 3 鼓励!

查看全部评分

发表于 2008-4-20 23:01:48 | 显示全部楼层 来自: 中国江苏南京
公称壁厚就是你在标准中查出的壁厚。接管壁厚可以按管子表号确定,也可按公称壁厚相等的原则确定。

评分

参与人数 1三维币 +2 收起 理由
liuhob + 2 参与,LZ还有疑问,请继续

查看全部评分

 楼主| 发表于 2008-4-21 11:27:25 | 显示全部楼层 来自: 中国江苏无锡
原帖由 IMWORKMAN 于 2008-4-20 23:01 发表 http://www.3dportal.cn/discuz/images/common/back.gif
; C6 G) _  W( I8 [公称壁厚就是你在标准中查出的壁厚。接管壁厚可以按管子表号确定,也可按公称壁厚相等的原则确定。
$ K* Y$ ]( N4 _3 ]3 c
公称壁厚与管子壁厚什么关系?相等?
1 Q, l! w! r& C" R  d8 v另外标准中给出了两种外径系列Ⅰ系列和Ⅱ系列,Ⅰ系列是ASME的标准系列DN15-400的外径都是带小数的,Ⅱ系列是我们国家经常使用的外径都是整数的。标准中外径是两种系列,但是壁厚却只提到了ASME的规格,没有我国的常用规格。$ I$ U) {& x: l3 t; n
2:公称尺寸DN100×80、外径为Ⅱ系列、壁厚等级Sch80、材料牌号为16Mn的同心异径接头,其标记为:4 A& t, w; z/ N
DN100×80 -Sch80-16Mn  RC GB/T12459-2005
' \3 e4 K* I4 {9 S' s3:公称尺寸DN150、外径为Ⅰ系列、壁厚为4.5mm、材料牌号为0Cr18Ni990°长半径弯头,其标记为:& A' B3 |) z* [, @! g1 V
DN150-4.5-0Cr18Ni9  90EL GB/T12459-20050 N% p& S0 I7 L+ Z
说明:RC)代表同心异径接头;RC)代表90°长半径弯头;Ⅰ系列为英制管;Ⅱ系列公制管6 j" Y' \: d. p/ a$ A" [1 |
问题:
& c. [8 j7 F% P9 e% F  Z1 ]1.
* `4 W! V/ t# s( H; h
2外径为Ⅱ系列查附录B可知外径为108,壁厚等级Sch80查附录B可知公称壁厚为8.56,公称壁厚是什么意思?接头所配管子规格怎么选择?例3外径为168.3,壁厚为4.5,弯头所配管子规格怎么选择?
发表于 2008-4-22 23:15:34 | 显示全部楼层 来自: 中国江苏无锡
问题:) F" A# l$ G' c
1./ m0 x/ X3 x) D; \/ l# [  |
例2外径为Ⅱ系列查附录B可知外径为108,壁厚等级Sch80查附录B可知公称壁厚为8.56,公称壁厚是什么意思?接头所配管子规格怎么选择?! O- |5 W5 o- |
SCH80外径108的管件的公称壁厚就是8.56,公称壁厚就是按壁厚等级表查出的壁厚,接头所配的管子规格就选 108*8.56的。如没有相同的可选稍厚点的如108*9r
4 l  m2 j6 n: U例3外径为168.3,壁厚为4.5,弯头所配管子规格怎么选择?
4 Q% i% J8 Y1 u# A1 ~3 T. G管子可选成与管件相同的型号
 楼主| 发表于 2008-4-24 11:17:00 | 显示全部楼层 来自: 中国江苏无锡
总结一下:
+ H5 `; ?7 ]3 j) v& x. B8 K; t坡口处外径有两个系列,系列1是ASME标准,系列2是国内常用标准,在国内做选系列2 就可以了。
; Z# b9 M# A; P+ N8 D: N+ _壁厚:壁厚等级SchXX也是ASME标准,国内直接选管子最小壁厚如3mm,4.5mm等就行,应和所接的管子壁厚相等。
/ ^! Q6 x- h9 @  Q8 {
- L% X- ~. H9 o  ~# w- r[ 本帖最后由 89568003 于 2008-4-24 11:18 编辑 ]
头像被屏蔽
发表于 2008-4-29 10:29:08 | 显示全部楼层 来自: 中国重庆
提示: 作者被禁止或删除 内容自动屏蔽
发表于 2008-12-17 05:48:16 | 显示全部楼层 来自: 中国辽宁沈阳
公称壁厚就是按壁厚等级表查出的壁厚。
( C, U' g8 k. N5 F6 d所谓“公称壁厚”是因为实际管件或管子存在壁厚偏差。管件或管子壁厚的最大偏差可查阅其标准。实际计算壁厚应为“公称壁厚”减去“壁厚的最大偏差”,可能还有“腐蚀余度”等
发表于 2009-7-14 11:53:34 | 显示全部楼层 来自: 中国河北沧州
1.
0 g" c* y8 ~# g  T0 r) j- F例2外径为Ⅱ系列查附录B可知外径为108,壁厚等级Sch80查附录B可知公称壁厚为8.56,公称壁厚是什么意思?接头所配管子规格怎么选择?
) u8 q) d( ^4 q) G+ Z' P1 BSCH80外径108的管件的公称壁厚就是8.56,公称壁厚就是按壁厚等级表查出的壁厚,接头所配的管子规格就选 108*8.56的。如没有相同的可选稍厚点的如108*9r
7 Y; r( l9 s+ M. q1 c6 t& N例3外径为168.3,壁厚为4.5,弯头所配管子规格怎么选择?0 ?+ d% `; ?2 a5 D, ?
管子可选成与管件相同的型号
! R& L  P3 u* C注意一点:这个壁厚已经考虑到腐蚀量。" E. n1 `$ E; y9 I
2、壁厚允许下差0.875S
发表回复
您需要登录后才可以回帖 登录 | 注册

本版积分规则


Licensed Copyright © 2016-2020 http://www.3dportal.cn/ All Rights Reserved 京 ICP备13008828号

小黑屋|手机版|Archiver|三维网 ( 京ICP备2023026364号-1 )

快速回复 返回顶部 返回列表