QQ登录

只需一步,快速开始

登录 | 注册 | 找回密码

三维网

 找回密码
 注册

QQ登录

只需一步,快速开始

展开

通知     

查看: 2101|回复: 7
收起左侧

[分享] 齿轮轴

 关闭 [复制链接]
发表于 2008-3-30 20:56:53 | 显示全部楼层 |阅读模式 来自: 中国山东烟台

马上注册,结识高手,享用更多资源,轻松玩转三维网社区。

您需要 登录 才可以下载或查看,没有帐号?注册

x
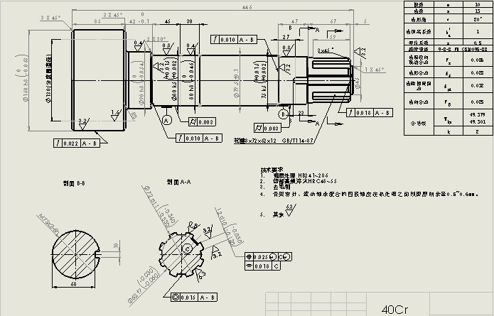
齿轮轴,多种特征运用的综合练习题
xiti.jpg
xitifutu.jpg
发表于 2008-4-12 23:18:05 | 显示全部楼层 来自: 中国广东广州
你 太帅了!我都不会做,有空教教我!QQ252892237交流下
发表于 2008-4-23 22:00:10 | 显示全部楼层 来自: 中国湖北武汉
楼主!强人!怎么做的!把文件传上来学习一下!
发表于 2008-11-25 11:55:50 | 显示全部楼层 来自: LAN
我需要楼主的part,多谢
发表于 2008-11-30 21:38:54 | 显示全部楼层 来自: 中国北京
高手真是高手哦
发表于 2008-11-30 23:33:37 | 显示全部楼层 来自: 中国上海
这个齿形看上去很别扭
发表于 2008-12-8 15:47:32 | 显示全部楼层 来自: 中国浙江温州
图纸有问题,尾端的花键槽怎么加工出来的
发表于 2009-2-19 15:22:42 | 显示全部楼层 来自: 中国山东潍坊
只是图片格式,怎么学习?
发表回复
您需要登录后才可以回帖 登录 | 注册

本版积分规则


Licensed Copyright © 2016-2020 http://www.3dportal.cn/ All Rights Reserved 京 ICP备13008828号

小黑屋|手机版|Archiver|三维网 ( 京ICP备2023026364号-1 )

快速回复 返回顶部 返回列表