QQ登录

只需一步,快速开始

登录 | 注册 | 找回密码

三维网

 找回密码
 注册

QQ登录

只需一步,快速开始

展开

通知     

查看: 9267|回复: 61
收起左侧

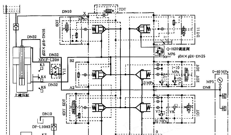
[讨论] 请问下面插装阀回路中的,像电灯泡一样的符号的意思,及其作用!(已定论)

[复制链接]
发表于 2008-3-30 12:11:37 | 显示全部楼层 |阅读模式 来自: 中国浙江杭州

马上注册,结识高手,享用更多资源,轻松玩转三维网社区。

您需要 登录 才可以下载或查看,没有帐号?注册

x
谢谢大家指教,这张图是在这篇文章中看到的,我也在其它的地方看到过,应该是插装阀回路所特有的, 液压系统的设计和改造.pdf (294.19 KB, 下载次数: 37)
1.jpg
发表于 2008-3-30 12:37:31 | 显示全部楼层 来自: 中国河南安阳
在液压系统图中一般为压力指示器,如:在带污染指示过滤器的中就有这个这个符号。
发表于 2008-3-30 15:21:12 | 显示全部楼层 来自: 中国辽宁铁岭
测压点,临时观察液压系统的压力情况.
发表于 2008-3-30 15:38:02 | 显示全部楼层 来自: 中国北京
那是阻尼孔吧!
发表于 2008-3-30 16:06:13 | 显示全部楼层 来自: 中国北京
可能是有测压口,能说明一下资料的出处么
头像被屏蔽
发表于 2008-3-30 16:17:51 | 显示全部楼层 来自: 中国河北石家庄
提示: 作者被禁止或删除 内容自动屏蔽
发表于 2008-3-30 16:34:31 | 显示全部楼层 来自: 中国山东威海
该是阻尼孔吧 ,画得不规范罢了
发表于 2008-3-30 16:42:40 | 显示全部楼层 来自: 中国江西赣州
没错,应该是阻尼孔
发表于 2008-3-30 16:59:59 | 显示全部楼层 来自: 中国辽宁本溪
我认为是系统的测压点,为排查故障用的
发表于 2008-3-30 18:50:33 | 显示全部楼层 来自: 中国河南郑州
是不是一种记号便于读懂图呀,就像灯泡一样给人指明了道路,呵呵,瞎猜的
发表于 2008-3-31 09:44:00 | 显示全部楼层 来自: 中国四川自贡
国外的图纸吗?还真费理解哟。应是压力接口吧。
发表于 2008-3-31 10:01:27 | 显示全部楼层 来自: 中国浙江杭州
应该是测压口$ s- ^* a$ x9 u" L; @$ Q
阻尼孔不可能,不然的话,可读性也太差了吧
发表于 2008-3-31 10:52:41 | 显示全部楼层 来自: 中国广东广州
以前见过:是提高先导级动态稳定性的液控器。

评分

参与人数 1三维币 +1 收起 理由
自流井 + 1 有理

查看全部评分

发表于 2008-3-31 16:44:23 | 显示全部楼层 来自: 中国湖北武汉
是阻尼孔哈,是用来提高液阻的稳定性的!
发表于 2008-3-31 17:17:00 | 显示全部楼层 来自: 中国湖北宜昌
查一查手册上有没有这种符号?到底是什么意思
发表于 2008-3-31 17:42:03 | 显示全部楼层 来自: 中国安徽合肥
这是阻尼孔啊!用于调节阀芯开闭速度的,其孔径大小对阀的工况影响很大的哦.....
发表于 2008-3-31 18:37:38 | 显示全部楼层 来自: 中国上海
同意2楼的看法。这个灯的作用一般是用来指示阀的状态,如是否堵塞,以便报警提示现场工作人员检查维护。
发表于 2008-3-31 18:40:59 | 显示全部楼层 来自: 中国上海
谁给个权威的说法啊,这么多种答案
发表于 2008-3-31 19:45:19 | 显示全部楼层 来自: 中国江苏无锡
肯定是阻尼孔......
发表于 2008-3-31 19:53:55 | 显示全部楼层 来自: 中国
晕了,是阻尼孔嘛!控制先导油流量来控制阀芯开启或者关闭速度的。呵呵

评分

参与人数 1三维币 +1 收起 理由
自流井 + 1 呵呵,有点道理

查看全部评分

发表于 2008-3-31 21:05:26 | 显示全部楼层 来自: 中国广东佛山
在每个插装阀弹簧腔的,控制先导油流量来控制阀芯开启或者关闭速度的。是用来提高液阻的稳定性的。是提高先导级动态稳定性的阻尼孔。
发表于 2008-3-31 21:56:26 | 显示全部楼层 来自: 中国江苏常州
这是阻尼孔啊,用来提高先导级动态稳定性的,只是画法很不规范罢了.
发表于 2008-4-1 09:38:10 | 显示全部楼层 来自: 中国江苏徐州
虽然画得不像是阻尼孔,不过那些地方理应有些阻尼
发表于 2008-4-1 13:07:40 | 显示全部楼层 来自: 中国辽宁大连

回复 1# 的帖子

通常是阻尼孔,也有可能是控制孔。
发表于 2008-4-2 11:47:30 | 显示全部楼层 来自: 中国江苏无锡
是阻尼孔!也可叫做固定液阻!不是什么测压口!
发表回复
您需要登录后才可以回帖 登录 | 注册

本版积分规则


Licensed Copyright © 2016-2020 http://www.3dportal.cn/ All Rights Reserved 京 ICP备13008828号

小黑屋|手机版|Archiver|三维网 ( 京ICP备2023026364号-1 )

快速回复 返回顶部 返回列表