QQ登录

只需一步,快速开始

登录 | 注册 | 找回密码

三维网

 找回密码
 注册

QQ登录

只需一步,快速开始

展开

通知     

全站
10天前
查看: 1026|回复: 0
收起左侧

[求助] 请问液压先导阀的数学模型怎么建啊

[复制链接]
发表于 2008-3-17 09:10:27 | 显示全部楼层 |阅读模式 来自: 中国河南洛阳

马上注册,结识高手,享用更多资源,轻松玩转三维网社区。

您需要 登录 才可以下载或查看,没有帐号?注册

x
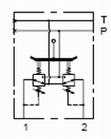
我现在在建一液压系统的数学模型,其中有一个元件是伊顿威格士的HRC2-S1的先导阀,请问它的数学模型怎么建啊
先导阀.bmp
发表回复
您需要登录后才可以回帖 登录 | 注册

本版积分规则


Licensed Copyright © 2016-2020 http://www.3dportal.cn/ All Rights Reserved 京 ICP备13008828号

小黑屋|手机版|Archiver|三维网 ( 京ICP备2023026364号-1 )

快速回复 返回顶部 返回列表