QQ登录

只需一步,快速开始

登录 | 注册 | 找回密码

三维网

 找回密码
 注册

QQ登录

只需一步,快速开始

展开

通知     

查看: 1583|回复: 3
收起左侧

[求助] 基准问题

[复制链接]
发表于 2008-3-14 12:06:54 | 显示全部楼层 |阅读模式 来自: 中国浙江宁波

马上注册,结识高手,享用更多资源,轻松玩转三维网社区。

您需要 登录 才可以下载或查看,没有帐号?注册

x
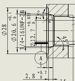
请问基准怎样缩小?或在哪里可以设置?
基准问题.jpg
发表于 2008-3-14 12:26:58 | 显示全部楼层 来自: 中国上海
工具---选项---出详图里的基准里可以选择方形和圆形,见图
未标题-1.jpg
发表于 2008-3-14 18:50:30 | 显示全部楼层 来自: 中国山东烟台
在上面的附件中,设置一下注解字体的大小
发表于 2008-9-2 17:33:06 | 显示全部楼层 来自: 中国浙江温州
附件在那里,总经理啊
发表回复
您需要登录后才可以回帖 登录 | 注册

本版积分规则


Licensed Copyright © 2016-2020 http://www.3dportal.cn/ All Rights Reserved 京 ICP备13008828号

小黑屋|手机版|Archiver|三维网 ( 京ICP备2023026364号-1 )

快速回复 返回顶部 返回列表