QQ登录

只需一步,快速开始

登录 | 注册 | 找回密码

三维网

 找回密码
 注册

QQ登录

只需一步,快速开始

展开

通知     

查看: 4595|回复: 27
收起左侧

[已解决] 如图所示零件的加工方法

[复制链接]
发表于 2008-3-10 13:09:31 | 显示全部楼层 |阅读模式 来自: 中国香港

马上注册,结识高手,享用更多资源,轻松玩转三维网社区。

您需要 登录 才可以下载或查看,没有帐号?注册

x
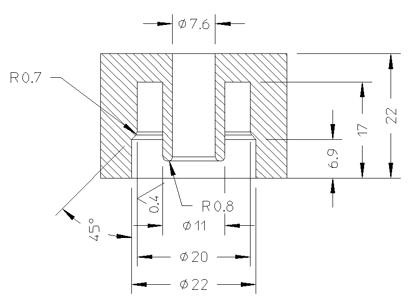
我有如下图所示的零件一个欲加工!* i. Q( H) C% i
请问该使用何种加工方法,主要是里面那个阶梯孔!
8 ~& O! B! t; W3 f" D单位是mm/ K6 j+ h! R1 u* R7 I
注意我的表面粗糙度要求!
sshot-2.jpg
发表于 2008-3-10 13:45:34 | 显示全部楼层 来自: 中国山东泰安
此零件有实际用途吗?; H& Q" }. [% [3 ^$ ?5 I2 L7 K. N; U
设计有问题?
 楼主| 发表于 2008-3-10 13:52:19 | 显示全部楼层 来自: 中国香港
这是某零件的部分,其它部分被删剪掉了!设计有问题后面的就不要乱说了!
3 P1 R, R. C; W* g+ e这个东西肯定是做的出的,我只是想寻求一种最经济的制造方法!
发表于 2008-3-10 14:19:13 | 显示全部楼层 来自: 中国安徽合肥
此阶梯孔可设计一套型锪钻来加工,然后采用研磨套研磨或表面镀铬来获取表面粗糙度。
0 }/ y+ ?0 R% m4 m1 J5 p. S% {5 |' C0 l1 G
[ 本帖最后由 ljwquan 于 2008-3-10 14:23 编辑 ]
 楼主| 发表于 2008-3-10 14:38:58 | 显示全部楼层 来自: 中国香港
整体的话我会设计成铸造,关键是研磨的话是否能够给刀具空间呢?就是刀具下的去吗?
发表于 2008-3-10 16:12:15 | 显示全部楼层 来自: 中国广东肇庆

回复 1# 的帖子

如果就那么点大小,不是一车就出来了!
发表于 2008-3-10 16:40:51 | 显示全部楼层 来自: 中国广东肇庆

回复 6# 的帖子

空间确实不够,而且这么深,如果数量不多,应该是做套子研磨好吧!
发表于 2008-3-10 17:03:14 | 显示全部楼层 来自: 中国山西太原
楼主出了个很有意思的题目。1 b2 `. m& a3 i9 o: [4 c5 q% _& Y
1  可设计一个套形铣刀(上面叫锪钻),粗加工φ20/φ11环形槽。因排屑困难,每进刀一次就得退出清屑一次。
1 K0 l2 u( [9 s8 [2 R2  用高速钢刀条磨一小型车刀,车成内外圆。这里好者没有精度要求,只表面粗糙度要求。6 H2 u- i4 q5 \
3  进行电化学抛光,或设计一个套形砂轮磨内圆,使其达到表面粗糙度要求。

评分

参与人数 1三维币 +3 收起 理由
asdolmlm + 3 参与讨论

查看全部评分

发表于 2008-3-10 19:37:38 | 显示全部楼层 来自: 中国安徽芜湖
能否换一种思维方式:做成分体式,再进行装配后加工。
发表于 2008-3-10 21:47:27 | 显示全部楼层 来自: 中国黑龙江哈尔滨
先粗加工环形槽,用一种硬质合金的内孔小镗刀精车0.4内孔至尺寸,
1 {. u2 ~# g9 }4 C这种小镗刀我们公司用来精镗内孔,孔径有3MM的。就是不知道粗糙度0.4能否达到。
发表于 2008-3-10 21:58:52 | 显示全部楼层 来自: 中国北京
这个东西还真 是不好加工,主要是空间太小,可以考虑最后工序用研磨
发表于 2008-3-10 22:27:20 | 显示全部楼层 来自: 中国江西九江
用铸铁做个研磨棒就可以达到要求的。6 [8 @6 i; g! U2 X1 I, U- A
8 f7 z  O. o7 l* w& f  \5 f: @% N
研磨棒中间钻个φ11.5孔,让开11外圆。
发表于 2008-3-11 12:49:55 | 显示全部楼层 来自: 中国陕西汉中
如果是单件活的话建议,先用车刀车孔留余量,再用电火花成型机将沉孔打出来
发表于 2008-3-11 14:26:41 | 显示全部楼层 来自: 中国浙江台州
同意十二楼的观点 后处理只能用研磨棒了 如果是单件产品前期加工可考虑电火花
发表于 2008-3-11 16:08:09 | 显示全部楼层 来自: 中国山东青岛
楼主,请注明材料的材质,对于不同材质其加工方法是不同的,如果是非金属材料,如塑料等可采用模具批量生产,其精度可完全保证。
发表于 2008-3-11 18:06:31 | 显示全部楼层 来自: 中国江苏苏州
中间的圆车床加工,沉孔部分先CNC开粗留余量再用电火花加工,可以的!再简便的就不知道了
发表于 2008-3-11 19:46:38 | 显示全部楼层 来自: 中国台湾
这是车件还是铣件阿..........  J7 g3 K" h4 A, l; g0 R7 p# ]- `
是车的话.....还有点难度......
' m. ?) B( p# v* o如果是铣件....难度真高.....
发表于 2008-3-11 20:36:57 | 显示全部楼层 来自: 中国湖北宜昌
是圆形可采用数控车编程一次加工完成,是方的上镗加工,例角例圆弧可磨成型刀加工。
发表于 2008-3-11 22:12:31 | 显示全部楼层 来自: 中国浙江台州
新手学习中
发表于 2008-3-11 22:19:39 | 显示全部楼层 来自: 中国浙江宁波
φ20的那个圆柱面槽深太浅,还没有退刀槽,研磨都很费劲,而且槽底那一段圆柱面不能保证精度,公差肯定偏下。" C5 `7 {! C! M: W- U% O1 W

0 }; Q  X3 u( h% t8 A! G7 Q我觉得此工件设计有问题: 就那10.1的深度能有多大接触面积,那个φ20的圆柱面是用来定位的吗?你最好能给出全图,或者大致说明该工件的作用。9 U2 l# u/ u& N/ Q/ D% K: @: i- ?: T

  U2 A1 C5 f; g% i6 O  ][ 本帖最后由 YINDONG411 于 2008-3-11 22:21 编辑 ]
 楼主| 发表于 2008-3-12 13:06:39 | 显示全部楼层 来自: 中国香港

回复 20# 的帖子

这个设计保守估计最低成本约1万美元,如果产品成功,应用于全系列,价值就不是用万来衡量的了的了!2 J" }2 C( b0 @7 X  c$ E8 Q
所以全图肯定是不能给的!' A/ f9 c2 m& x% G4 f% u9 [, S2 S
我希望大家今后在讨论时都能够就事论事,不要动不动就说别人设计有问题,每一个设计都不是盲目的,你只要回答用什么工艺能满足就行了!
6 J; x9 |- i% X) _说话可能不够客气,大家原谅!
发表于 2008-3-12 16:08:32 | 显示全部楼层 来自: 中国浙江宁波
哦,密封件啊。
, e- ^" u% n- k0 c+ b/ R4 y+ O, A+ ?( P8 {$ K0 K* \
我是觉得类似的不通的槽很难加工到要求的, 能否考虑镶进一精密套筒呢?类似的套筒零件在微型轴承的制造方面已经由很成熟的工艺了,走批量的话可以显著降低成本。! S( p/ Z3 K% C: ~8 B
套筒与工件的密封可以靠设计放密封圈解决。
发表于 2008-3-12 16:14:31 | 显示全部楼层 来自: 中国浙江台州
按现在的加工的方法可以采用冷挤压.
发表于 2008-3-12 16:49:50 | 显示全部楼层 来自: 中国广西玉林
使用金刚石厂刀具怎么样?
发表于 2008-3-18 18:46:40 | 显示全部楼层 来自: 中国上海
采用冷镦吧,这样很节约材料的。
发表回复
您需要登录后才可以回帖 登录 | 注册

本版积分规则


Licensed Copyright © 2016-2020 http://www.3dportal.cn/ All Rights Reserved 京 ICP备13008828号

小黑屋|手机版|Archiver|三维网 ( 京ICP备2023026364号-1 )

快速回复 返回顶部 返回列表