QQ登录

只需一步,快速开始

登录 | 注册 | 找回密码

三维网

 找回密码
 注册

QQ登录

只需一步,快速开始

展开

通知     

全站
10天前
查看: 2353|回复: 6
收起左侧

[讨论] 图纸上标注6KT 41是什么意思

[复制链接]
发表于 2008-2-27 10:35:19 | 显示全部楼层 |阅读模式 来自: 中国四川成都

马上注册,结识高手,享用更多资源,轻松玩转三维网社区。

您需要 登录 才可以下载或查看,没有帐号?注册

x
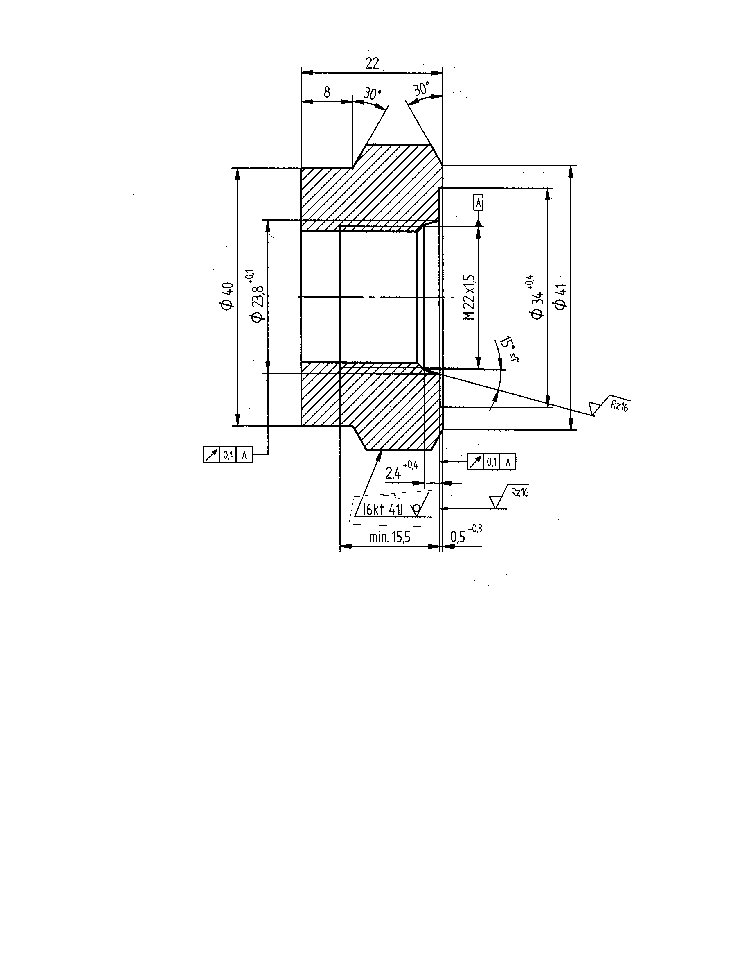
请教各位图纸上标注的(6KT 41)是什么意思?这是一个连接头,材料是16Mn。
36_60526_9c2ef7a54e7b4ed.bmp
发表于 2008-2-27 11:08:32 | 显示全部楼层 来自: 中国上海
猜测一下:正六边形,对边尺寸41。
发表于 2008-2-27 11:13:09 | 显示全部楼层 来自: 中国山东青岛
原帖由 lhf999 于 2008-2-27 11:08 发表 http://www.3dportal.cn/discuz/images/common/back.gif
# E- Z  v  p; X: f猜测一下:正六边形,对边尺寸41。

. e) l+ _4 z. w% y, t8 I% v2 ~我也这麽认为。
发表于 2008-2-27 13:45:31 | 显示全部楼层 来自: 中国河南南阳
可能是选型号,也可能是规格号。不同行业有不同行业的一些特殊表示方法。国外与国内也有许多不同的表示方法。如果要是表示正六边形的话,可以看型钢标准,那里面有标注示例。
发表于 2008-2-27 19:51:09 | 显示全部楼层 来自: 中国山东威海
或者是直纹网纹滚花的标记
发表于 2008-2-27 20:10:07 | 显示全部楼层 来自: 中国江苏常州
标注处的直径没有
9 P& J6 I' l2 q& j1 O你的这个可能是个约定的缩写,要与配合的其他零件联系起来看的了.
发表于 2008-2-29 11:14:43 | 显示全部楼层 来自: 中国天津
可能是滚花的标记,  后面的41应该是齿数。
发表回复
您需要登录后才可以回帖 登录 | 注册

本版积分规则


Licensed Copyright © 2016-2020 http://www.3dportal.cn/ All Rights Reserved 京 ICP备13008828号

小黑屋|手机版|Archiver|三维网 ( 京ICP备2023026364号-1 )

快速回复 返回顶部 返回列表