QQ登录

只需一步,快速开始

登录 | 注册 | 找回密码

三维网

 找回密码
 注册

QQ登录

只需一步,快速开始

展开

通知     

全站
10天前
查看: 1873|回复: 7
收起左侧

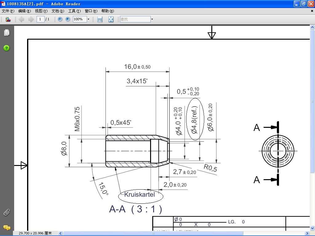
[已解决] Φ4.8( rdf )是什么意思?

[复制链接]
发表于 2008-2-25 14:02:31 | 显示全部楼层 |阅读模式 来自: 中国广东东莞

马上注册,结识高手,享用更多资源,轻松玩转三维网社区。

您需要 登录 才可以下载或查看,没有帐号?注册

x
这是一份荷兰图纸,图中有两处不明白,用椭圆标出,请各位帮看看,谢谢!
111.JPG
发表于 2008-2-25 14:18:26 | 显示全部楼层 来自: 中国辽宁沈阳
∮4.8(ref)=∮4.8(参考)

评分

参与人数 1三维币 +2 收起 理由
zyxwq + 2 应助

查看全部评分

发表于 2008-2-25 14:20:33 | 显示全部楼层 来自: 中国上海
ref 吧?reference,参考尺寸。
发表于 2008-2-25 14:36:46 | 显示全部楼层 来自: 中国上海
kruiskartel 是荷兰语,对应的英语是diagonal knurl; cross knurl
1 Y0 G, w' Q" i4 I0 N
( t/ o( N9 i3 Q7 f8 ?! M也就是网状压花或者印花、滚花

评分

参与人数 1三维币 +2 收起 理由
zyxwq + 2 应助

查看全部评分

发表于 2008-2-25 16:49:55 | 显示全部楼层 来自: 中国辽宁沈阳
荷兰语都会,太强啦!
发表于 2008-2-25 20:02:44 | 显示全部楼层 来自: 中国上海
:L ,高手如云.路漫漫其修远兮
 楼主| 发表于 2008-2-26 08:02:30 | 显示全部楼层 来自: 中国广东东莞
谢谢各位解答!
发表于 2008-2-26 08:46:41 | 显示全部楼层 来自: 中国湖北武汉

回复 7# 的帖子

荷兰语,长见识,谢谢!
发表回复
您需要登录后才可以回帖 登录 | 注册

本版积分规则


Licensed Copyright © 2016-2020 http://www.3dportal.cn/ All Rights Reserved 京 ICP备13008828号

小黑屋|手机版|Archiver|三维网 ( 京ICP备2023026364号-1 )

快速回复 返回顶部 返回列表