QQ登录

只需一步,快速开始

登录 | 注册 | 找回密码

三维网

 找回密码
 注册

QQ登录

只需一步,快速开始

展开

通知     

全站
10天前
查看: 2768|回复: 21
收起左侧

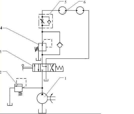
[求助] 这样把马达串联,转速一样吗?

[复制链接]
发表于 2008-2-22 12:41:57 | 显示全部楼层 |阅读模式 来自: 中国北京

马上注册,结识高手,享用更多资源,轻松玩转三维网社区。

您需要 登录 才可以下载或查看,没有帐号?注册

x
把这样的2个马达串联,转速会一样吗》? 222222222.JPG
 楼主| 发表于 2008-2-22 12:53:58 | 显示全部楼层 来自: 中国北京
请教大家进来发表意见!
发表于 2008-2-22 13:10:30 | 显示全部楼层 来自: 中国江苏苏州
我觉得并联才可能同步,串联的转速应当不会一样!我是刚学液压的,如果不对希望大家包涵!
发表于 2008-2-22 13:50:50 | 显示全部楼层 来自: 中国浙江宁波
即使马达排量相同的话,转速也不可能完全一致,因为马达制造的几何排量不会完全相同,另外串联情况下两马达的工作压力不同,前面的工作压力高于后面的马达,因此马达的泄漏不同,所以转速不会完全相同,机械同步可以改善此情况!
发表于 2008-2-22 16:19:55 | 显示全部楼层 来自: 土耳其
回油的管路再加一个单向节流阀,控制一下背压,如果同步精度要求不高的话,应该没有问题的。
% A$ M$ `2 ]& Y$ j9 k$ ?; V3 N; ~' l+ M# c( t( C0 o) v' s7 J
我曾经这样用在移动设备上,低速、大扭距的马达。没发现不同步扭曲现象。
发表于 2008-2-22 16:26:43 | 显示全部楼层 来自: 中国福建厦门
是不是能同步个人感觉前排的人都说了,不过楼主要这样做的话,注意马达泄油口问题,应接入油箱
发表于 2008-2-23 22:19:06 | 显示全部楼层 来自: 中国浙江宁波
个人感觉主要有两点导致不可能完全同步。& B1 y. X/ B: ~& t6 X
1、制造时两泵的总效率不可能完全相同。
3 C3 w9 P2 T" K& t; H, i2、泵的容积效率并不是一成不变的。是随工作压力的变化而变化的(两泵的工作压力不同这点sealive_leafage已说清楚了),因此两泵也不可能完全同步。
( w# i+ L* v" [7 l9 |请大家继续讨论补充
 楼主| 发表于 2008-2-25 10:01:13 | 显示全部楼层 来自: 中国北京
嘿嘿,大家继续说,我就是要知道缺点和不足!谢谢大家的帮忙!
发表于 2008-2-25 10:11:44 | 显示全部楼层 来自: 中国安徽合肥
两个马达串联起来,发现其中一个马达转不动,那么可能是马达的扭矩大了,如果还考虑在该工作压力下选择马达,那是否应该选择排量更小的马达呢?
8 a6 W  r9 R! F( n. C求助阿,兄弟姐妹们
发表于 2008-2-25 11:08:36 | 显示全部楼层 来自: 中国江苏南通

你少画一根油管

序号6,前面的一个最好有泄漏口,这样你就知道速度是否一样了
发表于 2008-2-29 19:26:38 | 显示全部楼层 来自: 中国北京
我个人感觉,并联或串联都不太可能同步,除非是机械同步。

评分

参与人数 1三维币 +1 收起 理由
晨砂 + 1 有道理!

查看全部评分

发表于 2008-3-6 22:46:08 | 显示全部楼层 来自: 中国河南新乡
精度不高的情况下,串联基本可以同步的 。如果压力太大,前面的马达泄露严重,影响同步。
发表于 2008-3-9 20:04:13 | 显示全部楼层 来自: 中国辽宁大连
 不知道你在何出看到的两个马达可以串联的,你可以这么想,一个马达进油口在出油,你这个出油就变成了另一个的进油,因为第二个马达如果要旋转那么它的进油必须有一定的压力,这就是说你第一个马达的背压很高,你去看看那个公司的马达背压允许好几MPA的呢,这是一个问题,第二个问题马达是用来做功的,你第一个马达把压力油过来的能量都用了,你第二个马达还能做多少功.所以我觉得马达的串联就是不可行的.
发表于 2008-3-9 20:09:19 | 显示全部楼层 来自: 中国辽宁大连
至于马达的同步问题,看到前面有很多前辈发表了很多看法,本人认为以及了解,马达相对意义上的同步只能用并联回来来解决,但是事实上不可能两个马达绝对意义上的同步,因为就是同一型号同一厂家造的马达容积效率,机械效率微量上是不能相同的,而且你从泵到马达之间连接管路长度不能绝对的相同等等制约因素.现在是有一些可以人肉眼看不出来的马达同步的以及技术,所以你要实现你的马达同步看需要在什么具体的设备和具体的位置上,不同的位置方式不同.
发表于 2008-3-13 08:50:20 | 显示全部楼层 来自: 中国北京
不可能完全同步的
发表于 2008-3-13 13:25:20 | 显示全部楼层 来自: 中国江苏无锡
楼主的你好!
1 f$ i1 v# S  s1 x; I对于你的问题如果在要求不高的场合是可以实现的.因为流量基本差不多,其排量相同时转速也可近试相等!串联的后果是转速比较高,转矩小,所以对泵的要求是压力要高,流量可以减小!串联一般用在轻载高速场合!9楼说的问题就是这个道理,泵的压力跟不上导致的!2 a4 }6 K4 B9 e9 w6 P3 h6 s
5楼我建议你用马达并联你的效果会比现在的更好的一点!并联更适用于低速大转矩!也可加单项节流阀或分流阀进行同步还有就是上面说的机械同步!
% U4 u8 `8 Q! z2 t; W比较简单的办法是用一共过渡齿轮把兩轴连接起来强制同步!(两马达距离不远的情况下).
6 e3 [- [/ I- b, B# |0 G6 J! Q其实就跟液压泵的串联和并联适用差不多的原理!4 G1 S' F7 F8 ^8 }  _6 ^* P
同步要求高的话,楼主可用自觉的同步马达呀! :lol: :lol:$ y" c; L3 g' T

9 I% q& t% `9 w- E' I[ 本帖最后由 wuwanfu 于 2008-3-13 13:45 编辑 ]
发表于 2008-3-13 14:42:44 | 显示全部楼层 来自: 中国河南新乡
如果同步精度高的话
8 _+ y  A+ D. y# c不应该这样设计的
: s) h( \! G* g; p1 S( K我觉得这个系同中的两个马达在使用时对同步精度要求是不高的、
发表于 2008-5-30 23:35:00 | 显示全部楼层 来自: 中国河北廊坊
如果两个马达是驱动同一个刚性轴,同步没问题.我已试过了.如果两个马达是驱动两个轴,要求不严的情况下同步也没问题.
发表于 2008-5-31 20:34:08 | 显示全部楼层 来自: 中国吉林四平
理论上转速一样,实际有误差,随着容积效率的降低误差会逐步增大,同步要求不高没什么问题,同步精度要求高要借助外力(1.马达轴连在一起。2.驱动刚性连接结构。)。
发表于 2008-6-2 10:14:18 | 显示全部楼层 来自: 中国山东青岛
我们在钢管输送线上用过串连马达的方式(钢球马达,低转速,大扭矩),因同步要求不高,可以基本满足要求,只是要求泵的压力较高。串连四个马达,需要13、14Mpa的压力。并联在负载变化大的情况下用节流调速基本不能实现同步。如果要求同步精度高的话建议用同步分流马达,不过价格也相当高。
发表于 2008-6-9 22:08:29 | 显示全部楼层 来自: 中国北京
原帖由 sealive_leafage 于 2008-2-22 13:50 发表 http://www.3dportal.cn/discuz/images/common/back.gif/ h; d$ E  f, F$ F' `& l
即使马达排量相同的话,转速也不可能完全一致,因为马达制造的几何排量不会完全相同,另外串联情况下两马达的工作压力不同,前面的工作压力高于后面的马达,因此马达的泄漏不同,所以转速不会完全相同,机械同步可以 ...
9 s; D& j2 O/ t/ i8 C8 K. H
这个基本说的很完整了,不过你的液压图很是少见,以你的图来看,2号马达进油是一号马达的出油,已经是低压油了,怎么带动马达呢?
发表于 2008-6-10 10:21:38 | 显示全部楼层 来自: 中国四川泸州
我用在移动设备上没发现不同步扭曲现象,个人认为同步精度要求不高是可以的
发表回复
您需要登录后才可以回帖 登录 | 注册

本版积分规则


Licensed Copyright © 2016-2020 http://www.3dportal.cn/ All Rights Reserved 京 ICP备13008828号

小黑屋|手机版|Archiver|三维网 ( 京ICP备2023026364号-1 )

快速回复 返回顶部 返回列表