QQ登录

只需一步,快速开始

登录 | 注册 | 找回密码

三维网

 找回密码
 注册

QQ登录

只需一步,快速开始

展开

通知     

全站
8天前
查看: 2885|回复: 20
收起左侧

[已解决] 这个该怎么加工啊!这么大的距离!

[复制链接]
发表于 2008-2-20 14:42:07 | 显示全部楼层 |阅读模式 来自: 中国浙江宁波

马上注册,结识高手,享用更多资源,轻松玩转三维网社区。

您需要 登录 才可以下载或查看,没有帐号?注册

x
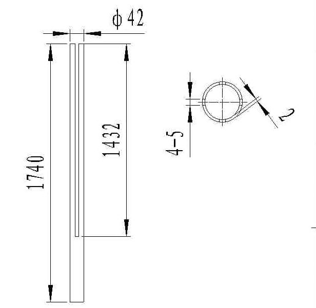
钢管.jpg ) e0 ^7 H4 j( K. I0 G& M* |$ ]
/ U  u+ j' f2 p
如题!
发表于 2008-2-20 14:52:05 | 显示全部楼层 来自: 中国江苏南京
线切割加工
 楼主| 发表于 2008-2-20 15:46:12 | 显示全部楼层 来自: 中国浙江宁波
晕!这么长啊!那要多大的线切割机啊!还这么慢
7 P) i+ ^* g& c- P4 m有没有什么机器可以切割的啊?老大们指教指教啊! 0 E; X4 i" s" N% V* X
最好是浙江的!介绍些可以做的厂家也可以!
发表于 2008-2-20 22:37:34 | 显示全部楼层 来自: 中国山东威海
可以用盘型铣刀铣呀,将管横放,专门铣槽
发表于 2008-2-21 00:31:42 | 显示全部楼层 来自: 中国湖北武汉
中间穿芯,盘型铣刀铣。
发表于 2008-2-21 08:15:36 | 显示全部楼层 来自: 中国安徽合肥
此件无论是切割或是铣削加工,下料时需放长一点,铣切割时不要将上端面割破,这样才能保证加工尺寸和切割正常,待四槽加工完毕后再切割至总长。
发表于 2008-2-21 09:50:50 | 显示全部楼层 来自: 中国山西太原
先划线,中心线及槽宽。在铣床上用锯片铣刀铣上下槽,上面铣至标注长度后,因下面还没到标注的长度,翻180°将另面铣到规定长度。另外两槽用同样方法铣出。槽内端若必须直角,手工用小方锉锉一下就行了。
发表于 2008-2-22 21:39:43 | 显示全部楼层 来自: 中国山西长治
先铣成槽,最后清角,清角可用线切割或手工用锉刀
发表于 2008-2-22 22:13:16 | 显示全部楼层 来自: 中国福建厦门
有没有别的什么技术要求,用铣刀铣也可以,但是用线切割可能比较好,也比较贵就是!
发表于 2008-2-22 22:15:36 | 显示全部楼层 来自: 中国浙江宁波
 用焊接的方法.7 G  Z- g! `9 X( ^7 w6 |; @
下料、成型、组合焊接、清理完成。
发表于 2008-2-22 23:09:56 | 显示全部楼层 来自: 中国四川达州
线切割和铣床均可加工,加工难度不存在问题。
发表于 2008-2-23 10:17:15 | 显示全部楼层 来自: 中国浙江宁波
原帖由 ljwquan 于 2008-2-21 08:15 发表 http://www.3dportal.cn/discuz/images/common/back.gif0 x% O" f6 s7 G, O+ C: ]( A" ]4 K0 F: |
此件无论是切割或是铣削加工,下料时需放长一点,铣切割时不要将上端面割破,这样才能保证加工尺寸和切割正常,待四槽加工完毕后再切割至总长。

9 d+ b# C5 w+ J7 P此方法最经济,方便,有效.
发表于 2008-2-23 13:50:26 | 显示全部楼层 来自: 中国江苏常州
这样的零件应该要求不是很高,用线切割和铣都可以
发表于 2008-2-23 14:46:26 | 显示全部楼层 来自: 中国福建泉州
用大型号的线切割机床;
' C% A: |$ R, H2 P. |用铣床加工,刀具为4-5mm宽的盘型铣刀,工件夹在分度头上;分四次加工。- J5 [7 b2 G( w" J; L* d( t- B0 d
% G! H$ ~3 W  G5 [6 V6 W
[ 本帖最后由 hbh0606 于 2008-2-23 14:47 编辑 ]
发表于 2008-2-23 21:30:20 | 显示全部楼层 来自: 中国黑龙江佳木斯
龙门铣床加工,上端先不加工,由上至下分成两段,用片铣刀一次加工成相对的两部分,最后把上下两段及上端铣通.. N0 @8 Q" y) i, j; t
上线割是扯蛋.
发表于 2008-2-24 09:48:33 | 显示全部楼层 来自: 中国湖北武汉
我给广东一家做超市货架的工厂设计过类似的数控冲专用设备,如此长度需要一段一段冲压,不知你对槽的切口有何要求?
发表于 2008-2-24 13:47:07 | 显示全部楼层 来自: 中国江苏扬州
原帖由 gaoyns 于 2008-2-21 09:50 发表 http://www.3dportal.cn/discuz/images/common/back.gif
3 P$ B; w( H5 j1 }/ H- @2 d先划线,中心线及槽宽。在铣床上用锯片铣刀铣上下槽,上面铣至标注长度后,因下面还没到标注的长度,翻180°将另面铣到规定长度。另外两槽用同样方法铣出。槽内端若必须直角,手工用小方锉锉一下就行了。
+ Y" t  n$ Q% B% C3 ]6 G0 u

* \& |1 f/ K* c& R) X5 F2 c卧铣加分度头盘铣刀加工.上部留一段,不铣通,直角槽手工用小方锉锉一下就行了.铣床行程不够,可移动工件(一端V块定位).9 R4 G5 I! p- D/ s5 ~- s/ }
最好两件一起加工,最后在中间割开就行了
7 U/ s7 w) @2 G9 j) q# T6 b- p' g
[ 本帖最后由 hhdd2006 于 2008-2-24 13:59 编辑 ]
发表于 2008-2-24 19:49:47 | 显示全部楼层 来自: 中国重庆
如果量大,可以试下激光切割,如果量不大,就依照以上各位所说
发表于 2008-2-25 16:19:56 | 显示全部楼层 来自: 中国浙江杭州
请楼主以后把用处说明下,怎么加工要看用在什么地方了
/ Q' \  G3 ?" g: h单件推荐线切割和铣,通用加工手段
6 Y! |; B  }" H: o/ E# M批量开模具上剪板机冲和激光切割,看成本怎么琢磨着冲起来划算。; ]7 l# x7 V' W" t
单件生产开个模具会被老板批死;8 P' X* [  |0 k" I
批量生产1.4M的长度,用铣的不累死,用线切割得饿死。
7 o3 E- D2 Q+ A不知道具体的东西干什么用能直接把你侃的晕死
发表于 2008-2-25 20:46:42 | 显示全部楼层 来自: 中国山东潍坊
用线切割也不算很长吧,我公司就有一台,铣的话也行就是有点麻烦,呵呵 各位大哥都很厉害
发表于 2008-2-25 21:27:22 | 显示全部楼层 来自: 中国浙江宁波
原帖由 ljwquan 于 2008-2-21 08:15 发表 http://www.3dportal.cn/discuz/images/common/back.gif
7 ?3 ]: d9 E1 @" k6 r此件无论是切割或是铣削加工,下料时需放长一点,铣切割时不要将上端面割破,这样才能保证加工尺寸和切割正常,待四槽加工完毕后再切割至总长。
7 {+ `6 j- H& G7 c0 [
6楼的合乎实际,线切割是不太用到这上面的。能达到目的的方法很多,我们应该做的是把成本减到最少,要不然老板怎么会需要我们呢。
发表回复
您需要登录后才可以回帖 登录 | 注册

本版积分规则


Licensed Copyright © 2016-2020 http://www.3dportal.cn/ All Rights Reserved 京 ICP备13008828号

小黑屋|手机版|Archiver|三维网 ( 京ICP备2023026364号-1 )

快速回复 返回顶部 返回列表