QQ登录

只需一步,快速开始

登录 | 注册 | 找回密码

三维网

 找回密码
 注册

QQ登录

只需一步,快速开始

展开

通知     

全站
10天前
查看: 1536|回复: 2
收起左侧

[讨论] 剖视图

[复制链接]
发表于 2008-2-20 11:07:51 | 显示全部楼层 |阅读模式 来自: 中国山东潍坊

马上注册,结识高手,享用更多资源,轻松玩转三维网社区。

您需要 登录 才可以下载或查看,没有帐号?注册

x
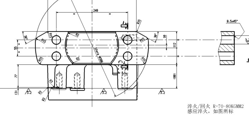
请看这个小图怎么画的
2 q3 Y1 Z! h- s- `5 w7 P+ F请具体讲解
7 a* K) A8 B7 F% N  z% m- F! l! H还有那个尺寸55的平分中心线怎么画% U/ y( o6 j4 i8 ^8 _" v

4 U5 G4 L: x9 ]( q3 h  t0 G4 E8 k7 `[ 本帖最后由 SUNXIAODONG 于 2008-2-20 11:08 编辑 ]
未命名.jpg
 楼主| 发表于 2008-2-21 17:20:58 | 显示全部楼层 来自: 中国山东潍坊
怎么没有朋友教吗8 o! ?6 _+ c' J$ P$ k( W  M
我自己做了个你们看看对吗?还有那个小图的分割线怎么转换成细实线??+ h/ ?% M( M+ b$ {
6 O& _+ x1 f* g( B6 Y, Z
[ 本帖最后由 SUNXIAODONG 于 2008-2-21 17:41 编辑 ]

局部剖视图.rar

1.01 MB, 下载次数: 10

局部剖视图.rar

1.01 MB, 下载次数: 10

局部剖视图.rar

1.01 MB, 下载次数: 8

发表于 2008-2-27 12:27:52 | 显示全部楼层 来自: 中国湖北武汉
局部剖很难,连他们UG自己有时候都搞不准,不过你这个应该容易弄
发表回复
您需要登录后才可以回帖 登录 | 注册

本版积分规则


Licensed Copyright © 2016-2020 http://www.3dportal.cn/ All Rights Reserved 京 ICP备13008828号

小黑屋|手机版|Archiver|三维网 ( 京ICP备2023026364号-1 )

快速回复 返回顶部 返回列表