QQ登录

只需一步,快速开始

登录 | 注册 | 找回密码

三维网

 找回密码
 注册

QQ登录

只需一步,快速开始

展开

通知     

全站
10天前
查看: 1354|回复: 0
收起左侧

[讨论] 寻找电液比例斜盘式轴向变量柱塞泵设计参数

[复制链接]
发表于 2008-2-2 19:29:41 | 显示全部楼层 |阅读模式 来自: 中国浙江宁波

马上注册,结识高手,享用更多资源,轻松玩转三维网社区。

您需要 登录 才可以下载或查看,没有帐号?注册

x
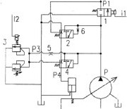
大家好 我想做电液比例斜盘式轴向变量柱塞泵的仿真 但是缺少有关的设计参数
. e$ F9 S8 N6 [! M% O/ ]* o希望有相关资料的朋友发送给我 谢谢!* A+ B2 d3 H) g* z" w' I5 q
birdyuan2001@sina.com.cn
3 F2 P  j! U& @
; F  e7 b  z; ]# @- _具体需要的参数如下:( M% W* F% U3 X
泵输出流量比例系数/ k% B1 v. }) G3 H/ J) J: x
柱塞质量% S. {' \) c# J- D
控制柱塞端面积
: i: e7 a9 N6 v* F% ^2 a8 R6 @3 d柱塞中心和缸体中心距离- n- r/ F, O3 O$ i
斜盘偏心距离
. N9 {" n, [. @0 ^8 k$ T8 M斜盘弹簧和缸体中心距2 o& `+ V& n/ S) A3 m7 g2 P
斜盘弹簧刚度
8 W/ i' k6 ]% g) C/ O. e压差阀4端面积
. p" T3 j, c: X1 d5 x压差阀4阀芯质量
) u5 W% z5 W2 x2 B压差阀4弹簧刚度6 g, U- e2 t& f0 P
阻尼5的孔径
$ d9 [7 q: \8 {/ M# d7 R
# [. K: T* [0 h0 D* L7 L3 q/ u# c' [0 g! t1 `! h2 m) i
电液比例变量柱塞泵原理图.jpg
发表回复
您需要登录后才可以回帖 登录 | 注册

本版积分规则


Licensed Copyright © 2016-2020 http://www.3dportal.cn/ All Rights Reserved 京 ICP备13008828号

小黑屋|手机版|Archiver|三维网 ( 京ICP备2023026364号-1 )

快速回复 返回顶部 返回列表