QQ登录

只需一步,快速开始

登录 | 注册 | 找回密码

三维网

 找回密码
 注册

QQ登录

只需一步,快速开始

展开

通知     

全站
10天前
查看: 1170|回复: 4
收起左侧

[已答复] 请大家帮忙看看这个力学问题?

[复制链接]
发表于 2008-1-20 16:28:57 | 显示全部楼层 |阅读模式 来自: 中国山东济宁

马上注册,结识高手,享用更多资源,轻松玩转三维网社区。

您需要 登录 才可以下载或查看,没有帐号?注册

x
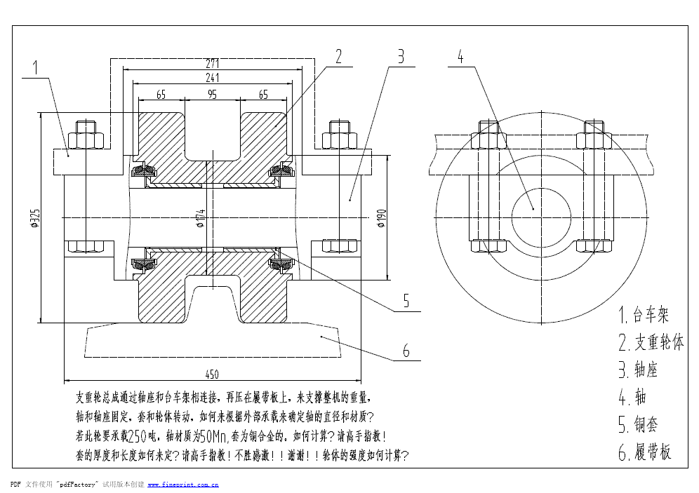
请大家帮忙看看这个力学问题?怎么算啊 ,帮忙计算一下,谢谢拉!!!
图纸.GIF

图纸.pdf

57 KB, 下载次数: 8

发表于 2008-1-23 21:33:02 | 显示全部楼层 来自: 中国上海
关键是要核算轴的受力,一个机构的校力要从最弱的零件着手.

评分

参与人数 1三维币 +4 收起 理由
userkypdy + 4 积极参与

查看全部评分

发表于 2008-1-24 11:05:44 | 显示全部楼层 来自: 中国北京
给点提示您:按承重量及设备结构(考虑承重方向和轮数等),考虑运行速度及是否有冲击力(如速度是否平稳),基本可最后简化到简单力学模型进行计算,按2楼的提示,对所需要设计的轮轴作力学校核,按简支梁计算来确定受力情况,最终确定轴材料和直径,再来确定周边零件如轴承等附件的类型或尺寸等参数。
5 Q8 @. G, V3 J6 R
; C7 M8 Z3 {9 m1 S2 b! b- L( P建议:按楼主所述的承重,轮和轴用铸钢或锻钢如42CrMo,轴承请优先选用调心滚子轴承。请重新设计轮结构(我觉得图示结构不合理),套有无没多大影响。

评分

参与人数 1三维币 +7 收起 理由
userkypdy + 7 应助

查看全部评分

发表于 2008-1-24 11:12:04 | 显示全部楼层 来自: 中国北京
请参考下图,是钢包车上用的,建议轮结构简单点就可以了。但轴和轮设计时请不要忘记在轮和轴上要有拆卸用压力油孔(道)
1.JPG

评分

参与人数 1三维币 +7 收起 理由
userkypdy + 7 应助

查看全部评分

发表于 2008-1-24 12:54:32 | 显示全部楼层 来自: 法国
这不是大学3年纪的课程吗!怎么拿到这了!
发表回复
您需要登录后才可以回帖 登录 | 注册

本版积分规则


Licensed Copyright © 2016-2020 http://www.3dportal.cn/ All Rights Reserved 京 ICP备13008828号

小黑屋|手机版|Archiver|三维网 ( 京ICP备2023026364号-1 )

快速回复 返回顶部 返回列表