QQ登录

只需一步,快速开始

登录 | 注册 | 找回密码

三维网

 找回密码
 注册

QQ登录

只需一步,快速开始

展开

通知     

全站
9天前
查看: 4571|回复: 29
收起左侧

[已解决] 请高手指导这个零件的工艺路线怎么定啊

[复制链接]
发表于 2008-1-19 15:13:05 | 显示全部楼层 |阅读模式 来自: 中国浙江杭州

马上注册,结识高手,享用更多资源,轻松玩转三维网社区。

您需要 登录 才可以下载或查看,没有帐号?注册

x
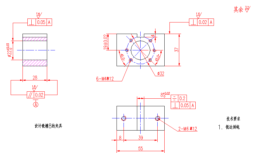
7.bmp 请高手指导这个零件的工艺路线怎么定啊
发表于 2008-1-19 16:30:43 | 显示全部楼层 来自: 中国山西太原
1  铣长方体外形,主视图的左、右和上平面的最后一刀调整好切削参数,铣成Ra1.6。. e8 _, O! d( k
2  划线。
# x8 B6 j  t! h3  铣宽8mm槽,在铣床上钻、镗φ22孔。
2 |$ j  j& Q7 y  I3 x2 ~9 H4  钻孔、攻丝。锐边倒钝。

评分

参与人数 1三维币 +2 收起 理由
渔樵 + 2 应助

查看全部评分

发表于 2008-1-19 19:35:25 | 显示全部楼层 来自: 中国浙江湖州
要求这么高,直接线切割好了
发表于 2008-1-19 21:39:33 | 显示全部楼层 来自: 中国四川达州
粘贴的图我咋看不到呢。
发表于 2008-1-19 22:03:54 | 显示全部楼层 来自: 中国江西南昌
按2楼的加工方法,难以保证工件的形位公差.我觉得能否按照以下方式加工:4 v8 G; ]/ j  K0 v( L
1. 粗铣各面,精铣除了开槽面外的其他平面,保证精度要求.
5 v9 B, }! n% U9 b2. 划线.
+ P: N( f+ c, z' O* ?& D! V3. 钻樘Φ22孔,注意校调平面后再精加工,保证垂直度0.05.钻2-M6螺孔的底孔.4 s0 I/ b0 j0 I# b/ ?) h+ U/ \
4. 按照Φ22孔实际尺寸,配做一个带底座的圆胎,并在底座上加工一个校调平面." P3 ~) G: l6 C0 K+ ^
5. 将工件放置在圆胎上,胎具上要有调整螺栓顶持工件侧平面,可调整工件带槽平面与胎具校调平面基本平齐,将工件压紧(胎具放置在卧铣上时,要调整好胎具上园止口的中心)., v# z5 x- O- A
6. 铣侧平面.保证19±0.02尺寸,铣槽,保证精度要求.
+ }( I* t! Q2 n7. 保持工件在胎具上的压紧状态,将胎具和工件转到数控立铣上,校调胎具,找到工件中心及校调带槽平面,加工6-M4螺孔底孔,保证45分度及过孔中心的孔的形位精度.: V+ |! D  T9 {, V( {1 P( b9 L
8. 手攻所有丝孔,倒锐角至要求.  S/ v' M3 U! Y  g7 \4 z
注意在加工前要校调工件,保证工件的形位公差是关键.
. L2 Z3 [- b" N2 ?: L( l以上加工方式供你参考,可能我说的不是很详细,如果有什么不清楚的,你再说出来

评分

参与人数 1三维币 +2 收起 理由
渔樵 + 2 技术讨论

查看全部评分

 楼主| 发表于 2008-1-19 22:29:33 | 显示全部楼层 来自: 中国浙江杭州
不懂那个圆胎是什么东东```````刚刚接触这个`````````
 楼主| 发表于 2008-1-19 22:38:23 | 显示全部楼层 来自: 中国浙江杭州
还有的  粗铣各个表面的时候 是不是用一把铣刀 还是根据表面的尺寸 选各自的铣刀   是不是用端面铣刀铣这些面
发表于 2008-1-19 23:08:12 | 显示全部楼层 来自: 中国江西南昌
圆胎就是为了保证图纸的一些形位公差的工装,粗铣,精铣可以选用不同的铣刀的./ ~1 }: A+ N- c' h7 i- n
我刚刚再次仔细看了图纸,如果你公司有小的数控镗床也可以这样加工:
  C2 _. O: I' o5 [1 s1. 粗精铣两端大平面,工件,保证平行度(下料尺寸可以大些,留好工艺边框)。& X5 y; M- R! K/ q2 b
2.在工件图纸尺寸外钻好工艺孔,以工艺孔定位上靠山(调整平面与樘杆的垂直度在0.02以内)。
2 t6 z, c* C" r3. 镗内孔至要求,以内孔中心为基准,铣侧平面,保证尺寸19±0.02,加工另两侧面,加工尺寸55(要求按内孔中心两边均分)。以内孔中心为基准钻6-M4底孔。
+ m4 c" H2 [" j4 d4. 上铣床加工8mm槽至要求(对称度可通过55尺寸保证)。铣去工艺边框,保证尺寸37。
) Y. y& i+ _% T' P2 Z: k7 V2 {& R5.划线钻2-M6孔,攻所有螺孔。' N0 ?0 A; E. e1 M
6. 倒锐角.

评分

参与人数 1三维币 +2 收起 理由
渔樵 + 2 技术讨论

查看全部评分

发表于 2008-1-20 10:29:30 | 显示全部楼层 来自: 中国辽宁本溪
先在铣床加工六面及槽,然后在镗床用定位块以槽定位加工孔,最后钻孔、攻丝。
发表于 2008-1-20 11:09:03 | 显示全部楼层 来自: 中国浙江宁波
原帖由 jxdjcwwh 于 2008-1-19 22:03 发表 http://www.3dportal.cn/discuz/images/common/back.gif  Z! v  f& N* q" k3 G
按2楼的加工方法,难以保证工件的形位公差.我觉得能否按照以下方式加工:( E1 ], Z( V4 ~: q; j
1. 粗铣各面,精铣除了开槽面外的其他平面,保证精度要求.
' |2 G! J- h8 r2 f' ~/ u% Z1 K- x2. 划线.
: |+ z* f0 U; P% j0 ~3. 钻樘Φ22孔,注意校调平面后再精加工,保证垂直度0.05.钻2-M6螺孔的底孔 ...

5 V% r  e/ U8 Z9 Q/ H# V9 ~& }; g1 o/ p( [# L
这个不好:
( H. m, k; M3 e
* M, D$ a( \8 k3 R第五步中这种大小的工件靠着几个顶丝调平比较困难,而且你的第六步到第七步,中间二次装卡了。正负2丝的公差难以保证。
发表于 2008-1-20 11:32:10 | 显示全部楼层 来自: 中国浙江宁波
分析这个图纸其中的φ22孔、均布的6× M4 螺孔φ22孔、均布的6× M4 螺孔、以及带槽的上平面有公差要求与其他的没有直接的尺寸关联,所以这些应该尽量在一次装卡定位中加工成。这是最重要的一点。
  M5 l% _$ q8 B5 z! s2 |! {* d4 x' y; |
所以我认为该工艺首先
" M& y$ T8 c2 h, w9 }1、下料粗精铣5面成,(除了开8毫米宽的槽的那个面)
) h. D2 @  ?7 R( J2、底面定位,开8毫米槽,到尺寸上面留1毫米余量。
0 \3 V- l# D5 `6 G$ h( w3、侧面找正推尺寸,2×M6底孔孔成2×φ5。(留着卸下后手工攻螺纹吧,立铣不好干您不怕断丝锥就直接干)。
; K" u, G+ E4 I! `( L4、卸活、清洗后上镗床,左侧面对正镗床主轴,用两块弯板靠右面定位。
- g) c% Y  R( P! }) Z; Q4 p5、精铣顶面到尺寸0 Z4 g! i* I" v3 H! C2 I1 W& E+ P1 `
7、均布的6× M4 底孔、φ22孔成。卸下手工攻丝、倒角。
6 D& F3 j* N/ x/ ~$ e

评分

参与人数 1三维币 +2 收起 理由
渔樵 + 2 技术讨论

查看全部评分

发表于 2008-1-20 11:33:27 | 显示全部楼层 来自: 中国重庆
我 觉得可以先铣毛坯长方体,上磨床磨四个面.线切割加工孔和槽,最后钻孔攻丝.
 楼主| 发表于 2008-1-20 18:50:13 | 显示全部楼层 来自: 中国浙江杭州
问11楼``2中留1MM尺寸是不是加工槽的时候铣到3MM在精铣\
发表于 2008-1-20 19:06:36 | 显示全部楼层 来自: 中国江苏常州
如果是单件生产,肯定先铣外形,然后线切割出孔和槽,接着划线、钻。肯定能保证要求。这样其实是不考虑加工成本的做法。
 楼主| 发表于 2008-1-20 20:58:35 | 显示全部楼层 来自: 中国浙江杭州
貌似要求中。大批量生产。。。
发表于 2008-1-20 21:27:00 | 显示全部楼层 来自: 中国湖北宜昌
铣;1;粗、精铁各面。要求各面相互垂直0.1mm。
9 S( _0 ?) R6 Y3 m    2铣8mm槽,深8.2mm,注意形位公差要求。, g7 a  b% s* Y* x/ \# w
磨;磨各面,注意与槽的时称。. F. p! A) s: Z' B( T+ B5 E' \
镗;钻、镗、铰φ22孔至要求。
' d1 o) x+ N9 a5 u划;划各孔加工线。0 D0 F3 A0 H( @: Z1 D! C
钻;钻各孔至要求。

评分

参与人数 1三维币 +2 收起 理由
渔樵 + 2 技术讨论

查看全部评分

发表于 2008-1-20 21:47:48 | 显示全部楼层 来自: 中国江苏南京
这个东西没讲是什么材料吗!路线不好定!
 楼主| 发表于 2008-1-20 22:12:34 | 显示全部楼层 来自: 中国浙江杭州
45钢···········
头像被屏蔽
发表于 2008-1-21 09:15:56 | 显示全部楼层 来自: 中国云南昆明
提示: 作者被禁止或删除 内容自动屏蔽
发表于 2008-1-21 09:50:52 | 显示全部楼层 来自: 中国广西柳州
该零件加工工艺如下:+ C  z3 A; Y7 ^) m
1、铣六面,尺寸55铣合,尺寸28铣至28.3(留0.3mm磨量),精铣尺寸37上平面至Ra1.6。3 a% D8 B; e" A9 D1 l
2、磨平尺寸28两端面(此工序主要是保证两面平行度0.02要求)。/ _! j+ V" S4 P3 E$ d
3、划φ22孔及6-M4螺纹孔位加工线。4 V8 I2 K9 U- \: }
4、用坐标镗床钻、镗孔φ22至合,钻6-M4底孔3.2,倒角。0 ]" o, ~9 o; p2 f1 `) K+ m
5、以22h7心轴定位,铣8×2槽合。
! U- l7 _" n1 v6、划2-M6螺纹孔位加工线。
* Z6 H3 d$ ^, K, @% ~7、钻、攻螺纹2-M6、6-M4合。7 e, C, h) \; o
8、精磨尺寸28左端面。

评分

参与人数 1三维币 +2 收起 理由
渔樵 + 2 技术讨论

查看全部评分

头像被屏蔽
发表于 2008-1-21 10:51:35 | 显示全部楼层 来自: 中国云南昆明
提示: 作者被禁止或删除 内容自动屏蔽
发表于 2008-1-22 18:45:23 | 显示全部楼层 来自: 中国
用到划线的,都是胡扯;;;;少了磨的,都很难加工得出来
. k6 z. C; @9 y) b) g这是我的意见:
! x- w1 a$ P; K$ t8 c- r   1 下料粗铣6个面,和8MM的槽,留量磨
3 q" J* @' q+ Q# a   2 磨6面和槽,至图样要求,
1 \2 ^- k. ?9 p1 P2 |( s* _: \   3 铣床打孔,注(22和6个镙丝孔一起打出来,22留量车或者镗)& r6 o- F* y, M9 L9 n1 c
   4 车或者镗至图样要求
' R9 N, J  n. b& F; w4 S% k   
发表于 2008-1-22 19:52:42 | 显示全部楼层 来自: 中国江苏扬州
槽的对称度标注有错误!
/ T  s0 C( u) d* @# A对哪个基准?A?应该是对孔吧.
发表于 2008-1-23 10:59:32 | 显示全部楼层 来自: 中国江苏南京

学习

强烈要努力学习5 C, J( Z4 h; |* D" b6 U7 T
:) :)
发表于 2008-1-23 15:04:26 | 显示全部楼层 来自: 中国广东珠海
为什么我看不到照片????????
发表回复
您需要登录后才可以回帖 登录 | 注册

本版积分规则


Licensed Copyright © 2016-2020 http://www.3dportal.cn/ All Rights Reserved 京 ICP备13008828号

小黑屋|手机版|Archiver|三维网 ( 京ICP备2023026364号-1 )

快速回复 返回顶部 返回列表