QQ登录

只需一步,快速开始

登录 | 注册 | 找回密码

三维网

 找回密码
 注册

QQ登录

只需一步,快速开始

展开

通知     

全站
9天前
查看: 1418|回复: 4
收起左侧

[已解决] 立新10通径溢流阀O形圈型号

[复制链接]
发表于 2008-1-18 20:31:24 | 显示全部楼层 |阅读模式 来自: 中国江苏连云港

马上注册,结识高手,享用更多资源,轻松玩转三维网社区。

您需要 登录 才可以下载或查看,没有帐号?注册

x
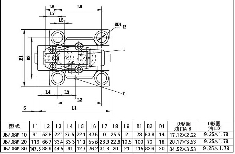
如题,急需立新10通径溢流阀上o形圈型号
头像被屏蔽
发表于 2008-1-18 22:10:11 | 显示全部楼层 来自: 中国天津
提示: 作者被禁止或删除 内容自动屏蔽
发表于 2008-1-18 22:22:09 | 显示全部楼层 来自: 中国北京
我只记得沟槽尺寸是16X1.6,自己量的,呵呵!
发表于 2008-1-19 09:15:13 | 显示全部楼层 来自: 中国河北秦皇岛

立新样本上贴下来的!看看是你要的么?

立新样本上贴下来的!
- \8 y4 P0 l. f 2008-1-19.jpg

评分

参与人数 1三维币 +3 收起 理由
9619 + 3 有效应助

查看全部评分

 楼主| 发表于 2008-1-19 10:32:27 | 显示全部楼层 来自: 中国江苏连云港

回复 4# 的帖子

对,应该就是这个,谢谢呀
发表回复
您需要登录后才可以回帖 登录 | 注册

本版积分规则


Licensed Copyright © 2016-2020 http://www.3dportal.cn/ All Rights Reserved 京 ICP备13008828号

小黑屋|手机版|Archiver|三维网 ( 京ICP备2023026364号-1 )

快速回复 返回顶部 返回列表